Datasheet

Table Of Contents
© 2008 Microchip Technology Inc. DS41262E-page 67
PIC16F631/677/685/687/689/690
4.2.5.6 RA5/T1CKI/OSC1/CLKIN
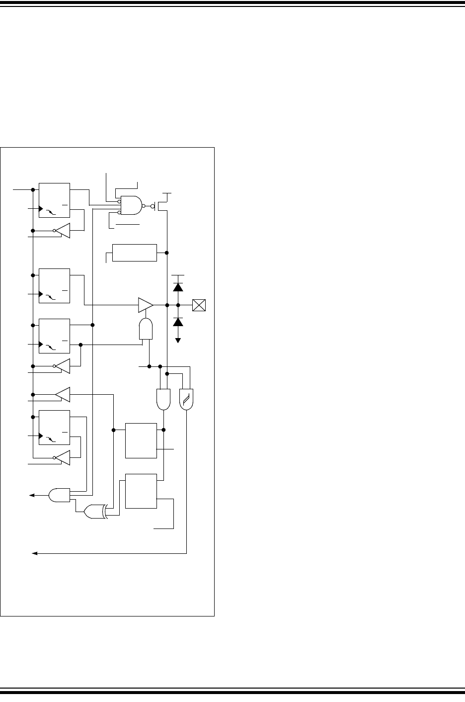
Figure 4-6 shows the diagram for this pin. The
RA5/T1CKI/OSC1/CLKIN pin is configurable to
function as one of the following:
a general purpose I/O
a Timer1 clock input
a crystal/resonator connection
a clock input
FIGURE 4-6: BLOCK DIAGRAM OF RA5
I/O Pin
VDD
VSS
D
Q
CK
Q
D
Q
CK
Q
D
Q
CK
Q
D
Q
CK
Q
VDD
D
EN
Q
D
EN
Q
Weak
Data Bus
WR
WPUA
RD
WPUA
RD
PORTA
WR
PORTA
WR
TRISA
RD
TRISA
WR
IOCA
RD
IOCA
To TMR1 or CLKGEN
INTOSC
Mode
RD PORTA
INTOSC
Mode
RABPU
OSC2
(2)
Note 1: Timer1 LP Oscillator enabled.
2: When using Timer1 with LP oscillator, the
Schmitt Trigger is bypassed.
TMR1LPEN
(1)
Interrupt-on-
Change
Oscillator
Circuit
Q3