Datasheet

Table Of Contents
© 2008 Microchip Technology Inc. DS41262E-page 77
PIC16F631/677/685/687/689/690
4.5.1 RC0/AN4/C2IN+
The RC0 is configurable to function as one of the
following:
a general purpose I/O
an analog input for the ADC (except PIC16F631)
an analog input to Comparator C2
4.5.2 RC1/AN5/C12IN1-
The RC1 is configurable to function as one of the
following:
a general purpose I/O
an analog input for the ADC
an analog input to Comparator C1 or C2
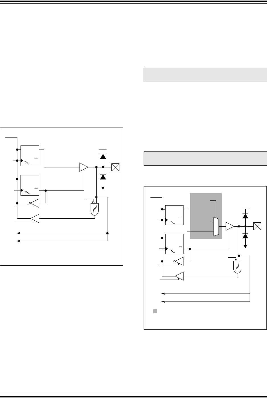
FIGURE 4-11: BLOCK DIAGRAM OF RC0
AND RC1
4.5.3 RC2/AN6/C12IN2-/P1D
The RC2/AN6/P1D
(1)
is configurable to function as
one of the following:
a general purpose I/O
an analog input for the ADC (except PIC16F631)
a PWM output
an analog input to Comparator C1 or C2
4.5.4 RC3/AN7/C12IN3-/P1C
The RC3/AN7/P1C
(1)
is configurable to function as one
of the following:
a general purpose I/O
an analog input for the ADC (except PIC16F631)
a PWM output
a PWM output
an analog input to Comparator C1 or C2
FIGURE 4-12: BLOCK DIAGRAM OF RC2
AND RC3
VDD
VSS
D
Q
CK
Q
D
Q
CK
Q
Data Bus
WR
PORTC
WR
TRISC
RD
TRISC
To A/D Converter
(2)
RD
PORTC
Analog Input
Mode
(1)
To Comparators
Note 1: ANSEL determines Analog Input mode.
2: Not implemented on PIC16F631.
I/O Pin
Note 1: P1D is available on
PIC16F685/PIC16F690 only.
Note 1: P1C is available on
PIC16F685/PIC16F690 only.
VDD
VSS
D
Q
CK
Q
D
Q
CK
Q
Data Bus
WR
PORTC
WR
TRISC
RD
TRISC
To Comparators
RD
PORTC
Analog Input
Mode
(1)
CCP1OUT
CCP1OUT
Enable
Available on PIC16F685/PIC16F690 only.
Note 1: ANSEL determines Analog Input mode.
2: Not implemented on PIC16F631.
0
1
1
0
I/O Pin
To A/D Converter
(2)