Datasheet
Table Of Contents
- High Performance RISC CPU:
- Peripheral Features:
- CMOS Technology:
- Pin Diagram
- Special Microcontroller Features:
- Table of Contents
- Most Current Data Sheet
- Errata
- Customer Notification System
- 1.0 Device Overview
- 2.0 Memory Organization
- 2.1 Program Memory Organization
- 2.2 Data Memory Organization
- 2.3 PCL and PCLATH
- 2.4 Program Memory Paging
- 2.5 Indirect Addressing, INDF and FSR Registers
- 3.0 Data EEPROM and Flash Program Memory
- 3.1 EECON1 and EECON2 Registers
- 3.2 Reading the EEPROM Data Memory
- 3.3 Writing to the EEPROM Data Memory
- 3.4 Reading the FLASH Program Memory
- 3.5 Writing to the FLASH Program Memory
- 3.6 Write Verify
- 3.7 Protection Against Spurious Writes
- 3.8 Operation While Code Protected
- 3.9 FLASH Program Memory Write Protection
- 4.0 I/O Ports
- 5.0 Timer0 Module
- 6.0 Timer1 Module
- Register 6-1: T1CON: Timer1 Control Register (Address 10h)
- 6.1 Timer1 Operation in Timer Mode
- 6.2 Timer1 Counter Operation
- 6.3 Timer1 Operation in Synchronized Counter Mode
- 6.4 Timer1 Operation in Asynchronous Counter Mode
- 6.5 Timer1 Oscillator
- 6.6 Resetting Timer1 using a CCP Trigger Output
- 6.7 Resetting of Timer1 Register Pair (TMR1H, TMR1L)
- 6.8 Timer1 Prescaler
- 7.0 Timer2 Module
- 8.0 Capture/Compare/PWM Module
- 9.0 Master Synchronous Serial Port (MSSP) Module
- Register 9-1: SSPSTAT: Sync Serial Port Status Register (Address: 94h)
- Register 9-2: SSPCON: Sync Serial Port Control Register (Address: 14h)
- Register 9-3: SSPCON2: Sync Serial Port Control Register2 (Address: 91h)
- 9.1 SPI Mode
- 9.2 MSSP I2C Operation
- FIGURE 9-5: I2C Slave Mode Block Diagram
- 9.2.1 SLAVE Mode
- 9.2.2 General Call Address Support
- 9.2.3 Sleep Operation
- 9.2.4 Effects of a Reset
- 9.2.5 Master Mode
- 9.2.6 Multi-master Mode
- 9.2.7 I2C Master Mode Support
- 9.2.8 Baud Rate Generator
- 9.2.9 I2C Master Mode Start Condition Timing
- 9.2.10 I2C Master Mode Repeated Start Condition Timing
- 9.2.11 I2C Master Mode Transmission
- 9.2.12 I2C Master Mode Reception
- 9.2.13 Acknowledge Sequence Timing
- 9.2.14 Stop Condition Timing
- 9.2.15 Clock Arbitration
- 9.2.16 Sleep Operation
- 9.2.17 Effects of a Reset
- 9.2.18 Multi -Master Communication, Bus Collision, And Bus Arbitration
- 9.3 Connection Considerations for I2C Bus
- 10.0 Analog-to-Digital Converter (A/D) Module
- 11.0 Special Features of the CPU
- 11.1 Configuration Bits
- 11.2 Oscillator Configurations
- 11.3 Reset
- 11.4 Power-on Reset (POR)
- 11.5 Power-up Timer (PWRT)
- 11.6 Oscillator Start-up Timer (OST)
- 11.7 Brown-out Reset (BOR)
- 11.8 Time-out Sequence
- 11.9 Power Control/Status Register (PCON)
- TABLE 11-3: Time-out in Various Situations
- TABLE 11-4: Status Bits and Their Significance
- TABLE 11-5: Reset Condition for Special Registers
- TABLE 11-6: Initialization Conditions for all Registers
- FIGURE 11-5: Time-out Sequence on Power-up (MCLR Tied to Vdd VIA RC NETWORK)
- FIGURE 11-6: Time-out Sequence on Power-up (MCLR not Tied to Vdd): Case 1
- FIGURE 11-7: Time-out Sequence on Power-up (MCLR not Tied to Vdd): Case 2
- FIGURE 11-8: Slow RiseTime (MCLR Tied to Vdd VIA RC NETWORK)
- 11.10 Interrupts
- 11.11 Context Saving During Interrupts
- 11.12 Watchdog Timer (WDT)
- 11.13 Power-down Mode (SLEEP)
- 11.14 In-Circuit Debugger
- 11.15 Program Verification/Code Protection
- 11.16 ID Locations
- 11.17 In-Circuit Serial Programming
- 11.18 Low Voltage ICSP Programming
- 12.0 Instruction Set Summary
- 13.0 Development Support
- 13.1 MPLAB Integrated Development Environment Software
- 13.2 MPASM Assembler
- 13.3 MPLAB C17 and MPLAB C18 C Compilers
- 13.4 MPLINK Object Linker/ MPLIB Object Librarian
- 13.5 MPLAB SIM Software Simulator
- 13.6 MPLAB ICE High Performance Universal In-Circuit Emulator with MPLAB IDE
- 13.7 ICEPIC In-Circuit Emulator
- 13.8 MPLAB ICD In-Circuit Debugger
- 13.9 PRO MATE II Universal Device Programmer
- 13.10 PICSTART Plus Entry Level Development Programmer
- 13.11 PICDEM 1 Low Cost PICmicro Demonstration Board
- 13.12 PICDEM 2 Low Cost PIC16CXX Demonstration Board
- 13.13 PICDEM 3 Low Cost PIC16CXXX Demonstration Board
- 13.14 PICDEM 17 Demonstration Board
- 13.15 KeeLoq Evaluation and Programming Tools
- 14.0 Electrical Characteristics
- FIGURE 14-1: PIC16F872 Voltage-Frequency Graph
- FIGURE 14-2: PIC16LF872 Voltage-Frequency Graph
- 14.1 DC Characteristics: PIC16F872 (Commercial, Industrial) PIC16LF872 (Commercial, Industrial)
- 14.2 DC Characteristics: PIC16F872 (Commercial, Industrial) PIC16LF872 (Commercial, Industrial)
- 14.3 DC Characteristics: PIC16F872 (Extended)
- 14.4 DC Characteristics: PIC16F872 (Extended)
- 14.5 Timing Parameter Symbology
- FIGURE 14-3: Load Conditions
- FIGURE 14-4: External Clock Timing
- TABLE 14-1: External Clock Timing Requirements
- FIGURE 14-5: CLKOUT and I/O Timing
- TABLE 14-2: CLKOUT and I/O Timing Requirements
- FIGURE 14-6: Reset, Watchdog Timer, Oscillator Start-up Timer and Power-up Timer Timing
- FIGURE 14-7: Brown-out Reset Timing
- TABLE 14-3: Reset, Watchdog Timer, Oscillator Start-up Timer, Power-up Timer, and brown-out reset...
- FIGURE 14-8: Timer0 and Timer1 External Clock Timings
- TABLE 14-4: Timer0 and Timer1 External Clock Requirements
- FIGURE 14-9: Capture/Compare/PWM Timings
- TABLE 14-5: Capture/Compare/PWM Requirements
- FIGURE 14-10: SPI Master Mode Timing (CKE=0, smp = 0)
- FIGURE 14-11: SPI Master Mode Timing (CKE=1, SMP = 1)
- FIGURE 14-12: SPI Slave Mode Timing (CKE=0)
- FIGURE 14-13: SPI Slave Mode Timing (CKE=1)
- TABLE 14-6: SPI Mode requirements
- FIGURE 14-14: I2C Bus Start/Stop Bits Timing
- TABLE 14-7: I2C Bus Start/Stop Bits Requirements
- FIGURE 14-15: I2C Bus Data Timing
- TABLE 14-8: I2C Bus Data Requirements
- TABLE 14-9: A/D Converter Characteristics: PIC16F872 (Commercial, Industrial, extended) PIC16LF87...
- FIGURE 14-16: A/D Conversion Timing
- TABLE 14-10: A/D Conversion Requirements
- 15.0 DC and AC Characteristics Graphs and Tables
- FIGURE 15-1: Typical Idd vs. Fosc OVER Vdd (HS Mode)
- FIGURE 15-2: Maximum Idd vs. Fosc OVER Vdd (HS Mode)
- FIGURE 15-3: Typical Idd vs. Fosc OVER Vdd (XT Mode)
- FIGURE 15-4: Maximum Idd vs. Fosc OVER Vdd (XT Mode)
- FIGURE 15-5: Typical Idd vs. Fosc OVER Vdd (LP Mode)
- FIGURE 15-6: Maximum Idd vs. Fosc OVER Vdd (LP Mode)
- FIGURE 15-7: Average Fosc vs. Vdd for Various Values of R (RC Mode, C = 20pF, 25°C)
- FIGURE 15-8: Average Fosc vs. Vdd for Various Values of R (RC Mode, C = 100pF, 25°C)
- FIGURE 15-9: Average Fosc vs. Vdd for Various Values of R (RC Mode, C = 300pF, 25°C)
- FIGURE 15-10: Ipd vs. Vdd (Sleep Mode, all peripherals disabled)
- FIGURE 15-11: DIbor vs. Vdd over Temperature
- FIGURE 15-12: TYPICAL AND MAXIMUM DItmr1 vs. Vdd over Temperature (-10°C TO +70°C, Timer1 with Os...
- FIGURE 15-13: TYPICAL AND MAXIMUM DIwdt vs. Vdd over Temperature
- FIGURE 15-14: Typical, Minimum and Maximum WDT Period vs. Vdd (-40°C to +125°C)
- FIGURE 15-15: Average WDT Period vs. Vdd over Temperature (-40°C to +125°C)
- FIGURE 15-16: Typical, Minimum and Maximum Voh vs. Ioh (Vdd=5V, -40°C to +125°C)
- FIGURE 15-17: Typical, Minimum and Maximum Voh vs. Ioh (Vdd=3V, -40°C to +125°C)
- FIGURE 15-18: Typical, Minimum and Maximum Vol vs. Iol (Vdd=5V, -40°C to 125°C)
- FIGURE 15-19: Typical, Minimum and Maximum Vol vs. Iol (Vdd=3V, -40°C to +125°C)
- FIGURE 15-20: Minimum and Maximum Vin vs. Vdd, (TTL Input, -40°C to +125°C)
- FIGURE 15-21: Minimum and Maximum Vin vs. Vdd (ST Input, -40°C to +125°C)
- FIGURE 15-22: Minimum and Maximum Vin vs. Vdd (I2C Input, -40°C to +125°C)
- 16.0 Packaging Information
- Appendix A: Revision History
- Appendix B: Conversion Considerations
- Index
- A
- A/D 79
- Absolute Maximum Ratings 117
- ACK pulse 59
- ACKDT Bit
- ACKEN Bit
- Acknowledge Pulse (ACK) 59
- ACKSTAT Bit
- ACKSTAT Status Flag 67
- ADCON0 Register 9
- ADCON1 Register 10
- ADRESH Register 9
- ADRESL Register 10
- Analog-to-Digital Converter. See A/D
- Application Notes
- Assembler
- Banking, Data Memory 7
- BCLIF Bit 18
- BF Bit
- BF Status Flag 67, 69
- Block Diagrams
- BOR. See Brown-out Reset
- Brown-out Reset (BOR) 87, 91, 92, 93
- Bus Arbitration 73
- Bus Collision
- Bus Collision During a Repeated START Condition 76
- Bus Collision During a START Condition 74
- Bus Collision During a STOP Condition 77
- Bus Collision Interrupt Flag (BCLIF) 18
- Capture Mode
- Capture/Compare/PWM (CCP) 45
- CCP. See Capture/Compare/PWM
- CCP1CON Register 9
- CCP1M3:CCP1M0 bits 45
- CCP1X bit 45
- CCP1Y bit 45
- CCPR1H Register 9, 45
- CCPR1L Register 9, 45
- CKE Bit 52
- CKP Bit 53
- Clock Polarity Select Bit (CKP) 53
- Code Examples
- Code Protected Operation
- Code Protection 87, 101
- Compare Mode
- Computed GOTO 20
- Configuration Bits 87
- Configuration Word 88
- Conversion Considerations 155
- D/A Bit 52
- Data EEPROM 23
- Data Memory 7
- Data/Address Bit (D/A) 52
- DC and AC Characteristics Graphs and Tables 139
- DC Characteristics
- Development Support 111
- Device Overview 3
- Direct Addressing 21
- EECON1 and EECON2 Registers 23
- EECON1 Register 11
- EECON2 Register 11
- Electrical Characteristics 117
- Equations
- Errata 2
- External Clock Timing Requirements 127
- Firmware Instructions 103
- FLASH Program Memory 23
- FSR Register 9, 21
- GCEN Bit
- General Call Address Support 61
- I/O Ports 29
- I2C Bus
- I2C Mode
- ICEPIC In-Circuit Emulator 112
- ID Locations 87, 101
- In-Circuit Debugger 87, 101
- In-Circuit Serial Programming (ICSP) 87, 102
- INDF Register 9
- Indirect Addressing 21
- Instruction Format 103
- Instruction Set 103
- INT Interrupt (RB0/INT). See Interrupt Sources
- INTCON Register 9, 14
- Inter-Integrated Circuit (I2C) 51
- Internal Sampling Switch (Rss) Impedance 82
- Interrupt Sources 87, 97
- Interrupts
- Interrupts, Context Saving During 98
- Interrupts, Enable Bits
- Interrupts, Flag Bits
- KeeLoq Evaluation and Programming Tools 114
- Load Conditions 126
- Loading of PC 20
- Low Voltage ICSP Programming 102
- Low Voltage In-Circuit Serial Programming 87
- Master Clear (MCLR)
- Master Synchronous Serial Port. See MSSP
- MCLR/Vpp Pin 5
- Memory Organization 7
- MPLAB C17 and MPLAB C18 C Compilers 111
- MPLAB ICD In-Circuit Debugger 113
- MPLAB ICE High Performance Universal In-Circuit Emulator with MPLAB IDE 112
- MPLAB Integrated Development Environment Software 111
- MPLINK Object Linker/MPLIB Object Librarian 112
- MSSP 51
- Multi-Master Communication 73
- OPCODE Field Descriptions 103
- OPTION_REG Register 10, 13
- OSC1/CLKI Pin 5
- OSC2/CLKO Pin 5
- Oscillator Configuration
- Oscillator Selection 87
- Oscillator, WDT 99
- Oscillators
- P Bit
- Packaging 151– 154
- PCL Register 9, 10, 20
- PCLATH Register 9, 20
- PCON Register 10, 19, 92
- PEN Bit
- PICDEM 1 Low Cost PICmicro Demonstration Board 113
- PICDEM 17 Demonstration Board 114
- PICDEM 2 Low Cost PIC16CXX Demonstration Board 113
- PICDEM 3 Low Cost PIC16CXXX Demonstration Board 114
- PICSTART Plus Entry Level Development Programmer 113
- PIE1 Register 10, 15
- PIE2 Register 10, 17
- Pinout Descriptions 5– 6
- PIR1 Register 9, 16
- PIR2 Register 9, 18
- POP 20
- POR. See Power-on Reset
- PORTA 5
- PORTB 6
- PORTC 6
- Power-down Mode. See SLEEP
- Power-on Reset (POR) 87, 91, 92, 93
- PR2 Register 10, 43
- PRO MATE II Universal Device Programmer 113
- Program Counter
- Program Memory
- Program Verification 101
- Programming, Device Instructions 103
- Pulse Width Modulation.See Capture/Compare/PWM, PWM Mode.
- PUSH 20
- PWM Mode
- R/W Bit 59
- R/W Bit 59
- RA0/AN0 Pin 5
- RA1/AN1 Pin 5
- RA2/AN2/Vref- Pin 5
- RA3/AN3/Vref+ Pin 5
- RA4/T0CKI Pin 5
- RA5/SS/AN4 Pin 5
- RAM. See Data Memory
- RB0/INT Pin 6
- RB1 Pin 6
- RB2 Pin 6
- RB3/PGM Pin 6
- RB4 Pin 6
- RB5 Pin 6
- RB6/PGC Pin 6
- RB7/PGD Pin 6
- RC0/T1OSO/T1CKI Pin 6
- RC1/T1OSI Pin 6
- RC2/CCP1 Pin 6
- RC3/SCK/SCL Pin 6
- RC4/SDI/SDA Pin 6
- RC5/SDO Pin 6
- RC6 Pin 6
- RC7 Pin 6
- RCEN Bit
- Receive Overflow Indicator Bit (SSPOV) 53
- Registers
- RESET 87, 91
- RESET
- Revision History 155
- RSEN Bit
- S Bit
- Sample Bit (SMP) 52
- SCK Pin 55
- SCL Pin 58
- SDA Pin 58
- SDI Pin 55
- SDO Pin 55
- SEN Bit
- Serial Clock (SCK) 55
- Serial Clock (SCL) 58
- Serial Data Address (SDA) 58
- Serial Data In (SDI) 55
- Serial Data Out (SDO) 55
- Slave Select (SS) 55
- SLEEP 87, 91, 100
- SMP Bit 52
- Software Simulator (MPLAB SIM) 112
- Special Features of the CPU 87
- Special Function Registers (SFRs) 9
- Speed, Operating 1
- SPI Clock Edge Select Bit (CKE) 52
- SPI Mode
- SS Pin 55
- SSBUF Register 9
- MSSP
- SSPADD Register 10
- SSPBUF register 58
- SSPCON Register 9
- SSPCON2 Register 10
- SSPEN Bit 53
- SSPIF 16, 59
- SSPM3:SSPM0 Bits 53
- SSPOV Bit 53, 59
- SSPOV Status Flag 69
- SSPSTAT Register 10, 58
- Stack 20
- STATUS Register 9, 12
- Synchronous Serial Port Enable Bit (SSPEN) 53
- Synchronous Serial Port Interrupt 16
- Synchronous Serial Port Mode Select Bits (SSPM3:SSPM0) 53
- T1CKPS0 bit 39
- T1CKPS1 bit 39
- T1CON Register 9
- T1OSCEN bit 39
- T1SYNC bit 39
- T2CON Register 9
- Time-out Sequence 92
- Timer0 35
- Timer1 39
- Timer2 43
- Timing Diagrams
- Timing Parameter Symbology 126
- TMR0 Register 9, 11
- TMR1CS bit 39
- TMR1H Register 9
- TMR1L Register 9
- TMR1ON bit 39
- TMR2 Register 9
- TOUTPS3:TOUTPS0 bits 43
- TRISA Register 10
- TRISB Register 10
- TRISC Register 10
- UA Bit
- Wake-up from SLEEP 87, 100
- Wake-Up Using Interrupts 100
- Watchdog Timer (WDT) 87, 99
- WCOL 65
- WCOL Bit 53
- WCOL Status Flag 65, 67, 69, 71
- Write Collision Detect Bit (WCOL) 53
- Write Verify
- WWW, On-Line Support 2
- On-Line Support
- Reader Response
- PIC16F872 Product Identification System
- Worldwide Sales and Service

2002 Microchip Technology Inc. DS30221B-page 91
PIC16F872
11.3 Reset
The PIC16F872 differentiates between various kinds of
RESET:
• Power-on Reset (POR)
• MCLR
Reset during normal operation
• MCLR
Reset during SLEEP
• WDT Reset (during normal operation)
• WDT Wake-up (during SLEEP)
• Brown-out Reset (BOR)
Some registers are not affected in any RESET condi-
tion. Their status is unknown on POR and unchanged
in any other RESET. Most other registers are reset to a
“RESET state” on Power-on Reset (POR), on the
MCLR
and WDT Reset, on MCLR Reset during
SLEEP, and Brown-out Reset (BOR). They are not
affected by a WDT Wake-up, which is viewed as the
resumption of normal operation. The TO
and PD bits
are set or cleared differently in different RESET situa-
tions, as indicated in Table 11-4. These bits are used in
software to determine the nature of the RESET. See
Table 11-6 for a full description of RESET states of all
registers.
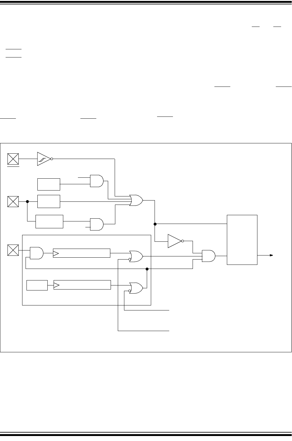
A simplified block diagram of the On-Chip Reset circuit
is shown in Figure 11-4.
These devices have a MCLR
noise filter in the MCLR
Reset path. The filter will detect and ignore small
pulses.
It should be noted that a WDT Reset does not drive
MCLR
pin low.
FIGURE 11-4: SIMPLIFIED BLOCK DIAGRAM OF ON-CHIP RESET CIRCUIT
S
R
Q
External
RESET
MCLR
VDD
OSC1
WDT
Module
V
DD Rise
Detect
OST/PWRT
On-Chip
RC OSC
WDT
Time-out
Power-on Reset
OST
10-bit Ripple Counter
PWRT
Chip_Reset
10-bit Ripple Counter
Reset
Enable OST
Enable PWRT
SLEEP
Note 1: This is a separate oscillator from the RC oscillator of the CLKIN pin.
Brown-out
Reset
BODEN
(1)










