Datasheet

Table Of Contents
2011-2013 Microchip Technology Inc. DS40001609C-page 71
PIC16(L)F1508/9
7.0 INTERRUPTS
The interrupt feature allows certain events to preempt
normal program flow. Firmware is used to determine
the source of the interrupt and act accordingly. Some
interrupts can be configured to wake the MCU from
Sleep mode.
This chapter contains the following information for
Interrupts:
Operation
Interrupt Latency
Interrupts During Sleep
•INT Pin
Automatic Context Saving
Many peripherals produce interrupts. Refer to the
corresponding chapters for details.
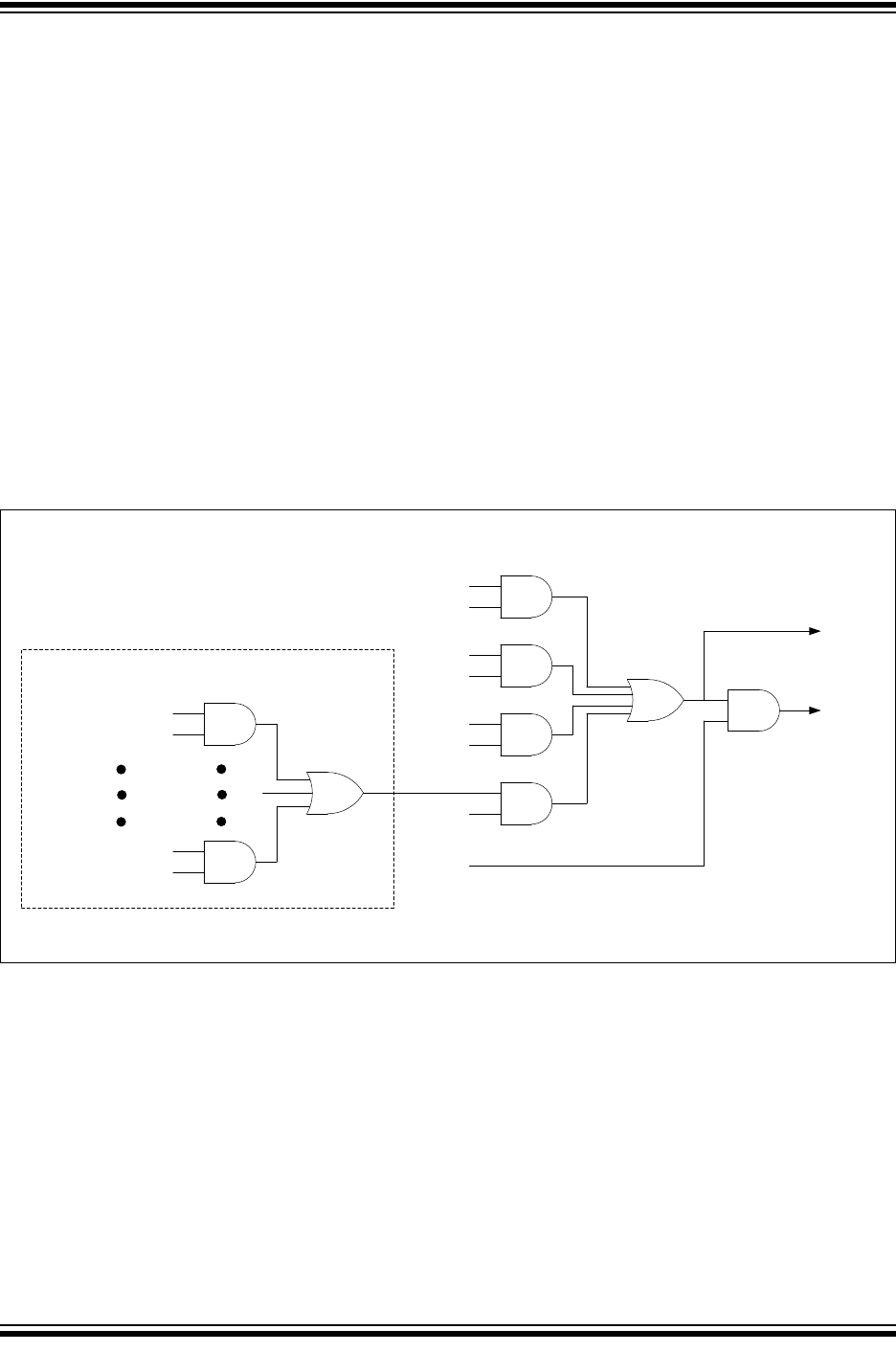
A block diagram of the interrupt logic is shown in
Figure 7-1.
FIGURE 7-1: INTERRUPT LOGIC
TMR0IF
TMR0IE
INTF
INTE
IOCIF
IOCIE
Interrupt
to CPU
Wake-up
(If in Sleep mode)
GIE
(TMR1IF) PIR1<0>
PIRn<7>
PEIE
(TMR1IE) PIE1<0>
Peripheral Interrupts
PIEn<7>
Rev. 10-000010A
7/30/2013