Datasheet

Table Of Contents
2011-2013 Microchip Technology Inc. DS40001609C-page 265
PIC16(L)F1508/9
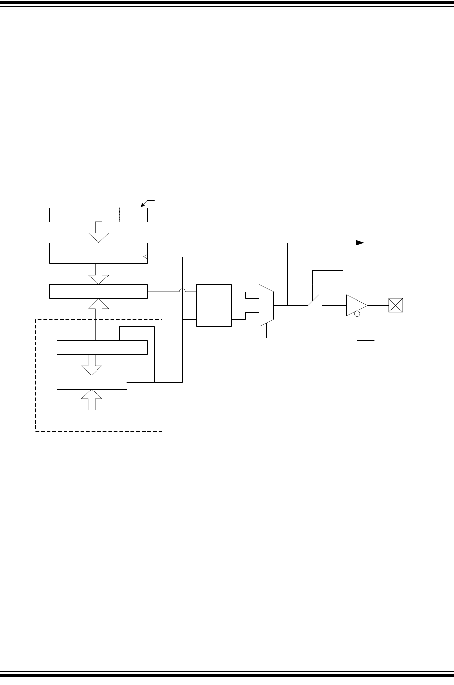
23.0 PULSE WIDTH MODULATION
(PWM) MODULE
The PWM module generates a Pulse-Width Modulated
signal determined by the duty cycle, period, and reso-
lution that are configured by the following registers:
•PR2
•T2CON
PWMxDCH
PWMxDCL
•PWMxCON
Figure 23-1 shows a simplified block diagram of PWM
operation.
For a step-by-step procedure on how to set up this
module for PWM operation, refer to Section 23.1.9
“Setup for PWM Operation using PWMx Pins”.
FIGURE 23-1: SIMPLIFIED PWM BLOCK DIAGRAM
Rev. 10-000022A
8/5/2013
8-bit timer is concatenated with two bits generated by Fosc or two bits of the internal prescaler to
create 10-bit time-base.
Note 1:
PWMxDCH
Duty cycle registers
PWMxDCL<7:6>
10-bit Latch
(Not visible to user)
Comparator
Comparator
PR2
(1)
TMR2
TMR2 Module
0
1
PWMxPOL
PWMx
PWMx_out
To Peripherals
R
TRIS Control
PWMxOE
R
S
Q
Q
T2_match