Datasheet

Table Of Contents
© 2009 Microchip Technology Inc. DS39637D-page 135
PIC18F2480/2580/4480/4580
11.0 I/O PORTS
Depending on the device selected and features
enabled, there are up to five ports available. Some pins
of the I/O ports are multiplexed with an alternate
function from the peripheral features on the device. In
general, when a peripheral is enabled, that pin may not
be used as a general purpose I/O pin.
Each port has three registers for its operation. These
registers are:
TRIS register (Data Direction register)
PORT register (reads the levels on the pins of the
device)
LAT register (Output Latch register)
The Output Latch register (LAT) is useful for read-
modify-write operations on the value that the I/O pins
are driving.
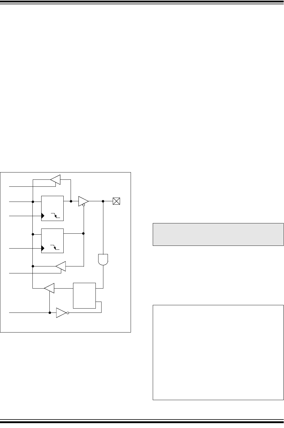
A simplified model of a generic I/O port, without the
interfaces to other peripherals, is shown in Figure 11-1.
FIGURE 11-1: GENERIC I/O PORT
OPERATION
11.1 PORTA, TRISA and LATA Registers
PORTA is an 8-bit wide, bidirectional port. The
corresponding Data Direction register is TRISA. Setting
a TRISA bit (= 1) will make the corresponding PORTA
pin an input (i.e., put the corresponding output driver in
a high-impedance mode). Clearing a TRISA bit (= 0)
will make the corresponding PORTA pin an output (i.e.,
put the contents of the Output Latch register on the
selected pin).
Reading the PORTA register reads the status of the
pins, whereas writing to it, will write to the port latch.
The Output Latch register (LATA) is also memory
mapped. Read-modify-write operations on the LATA
register read and write the latched output value for
PORTA.
The RA4 pin is multiplexed with the Timer0 module
clock input to become the RA4/T0CKI pin. Pins, RA6
and RA7, are multiplexed with the main oscillator pins;
they are enabled as oscillator or I/O pins by the selec-
tion of the main oscillator in Configuration Register 1H
(see Section 25.1 “Configuration Bits” for details).
When they are not used as port pins, RA6 and RA7 and
their associated TRIS and LAT bits are read as ‘0’.
The other PORTA pins are multiplexed with analog
inputs, the analog V
REF+ and VREF- inputs and the
comparator voltage reference output. The operation of
pins, RA<3:0> and RA5 as A/D Converter inputs, is
selected by clearing/setting the control bits in the
ADCON1 register (A/D Control Register 1).
All other PORTA pins have TTL input levels and full
CMOS output drivers.
The TRISA register controls the direction of the RA
pins, even when they are being used as analog inputs.
The user must ensure the bits in the TRISA register are
maintained set when using them as analog inputs.
EXAMPLE 11-1: INITIALIZING PORTA
Data
Bus
WR LAT
WR TRIS
RD PORT
Data Latch
TRIS Latch
RD TRIS
Input
Buffer
I/O pin
(1)
QD
CK
QD
CK
EN
QD
EN
RD LAT
or
PORT
Note 1: I/O pins have diode protection to V
DD and VSS.
Note: On a Power-on Reset, RA5 and RA<3:0>
are configured as analog inputs and read
as ‘0’. RA4 is configured as a digital input.
CLRF PORTA ; Initialize PORTA by
; clearing output
; data latches
CLRF LATA ; Alternate method
; to clear output
; data latches
MOVLW 0Fh ; Configure A/D
MOVWF ADCON1 ; for digital inputs
MOVWF 07h ; Configure comparators
MOVWF CMCON ; for digital input
MOVLW 0CFh ; Value used to
; initialize data
; direction
MOVWF TRISA ; Set RA<3:0> as inputs
; RA<5:4> as outputs