Datasheet

Table Of Contents
PIC18FXX8
DS41159E-page 102 © 2006 Microchip Technology Inc.
9.4 PORTD, TRISD and LATD
Registers
PORTD is an 8-bit wide, bidirectional port. The corre-
sponding Data Direction register for the port is TRISD.
Setting a TRISD bit (= 1) will make the corresponding
PORTD pin an input (i.e., put the corresponding output
driver in a high-impedance mode). Clearing a TRISD
bit (= 0) will make the corresponding PORTD pin an
output (i.e., put the contents of the output latch on the
selected pin).
Read-modify-write operations on the LATD register
read and write the latched output value for PORTD.
PORTD uses Schmitt Trigger input buffers. Each pin is
individually configurable as an input or output.
PORTD can be configured as an 8-bit wide, micro-
processor port (Parallel Slave Port or PSP) by setting
the control bit PSPMODE (TRISE<4>). In this mode,
the input buffers are TTL. See Section 10.0 “Parallel
Slave Port” for additional information.
PORTD is also multiplexed with the analog comparator
module and the ECCP module.
EXAMPLE 9-4: INITIALIZING PORTD
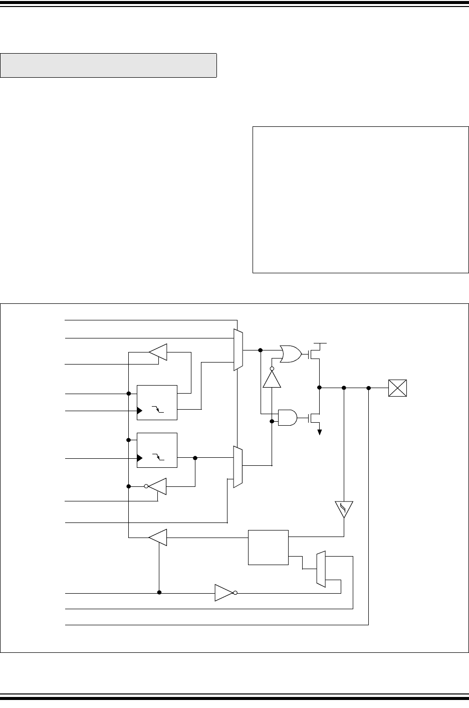
FIGURE 9-9: PORTD BLOCK DIAGRAM IN I/O PORT MODE
Note: This port is only available on the
PIC18F448 and PIC18F458.
CLRF PORTD ; Initialize PORTD by
; clearing output
; data latches
CLRF LATD ; Alternate method
; to clear output
; data latches
MOVLW 07h ; comparator off
MOVWF CMCON
MOVLW 0CFh ; Value used to
; initialize data
; direction
MOVWF TRISD ; Set RD3:RD0 as inputs
; RD5:RD4 as outputs
; RD7:RD6 as inputs
PORT/PSP Select
Data Bus
WR LATD
WR TRISD
Data Latch
TRIS Latch
RD TRISD
QD
Q
CK
QD
EN
QD
Q
CK
P
N
V
DD
Vss
RD PORTD
RD0/PSP0/
or
PORTD
RD LATD
Schmitt
Trigger
Note 1: I/O pins have diode protection to V
DD and VSS.
PSP Data Out
PSP Write
PSP Read
C1IN+
C1IN+ pin
(1)