Datasheet

Table Of Contents
PIC18FXX8
DS41159E-page 114 © 2006 Microchip Technology Inc.
12.1 Timer1 Operation
Timer1 can operate in one of these modes:
•As a timer
As a synchronous counter
As an asynchronous counter
The operating mode is determined by the clock select
bit, TMR1CS (T1CON register).
When TMR1CS is clear, Timer1 increments every
instruction cycle. When TMR1CS is set, Timer1
increments on every rising edge of the external clock
input or the Timer1 oscillator, if enabled.
When the Timer1 oscillator is enabled (T1OSCEN is
set), the RC1/T1OSI and RC0/T1OSO/T1CKI pins
become inputs. That is, the TRISC<1:0> value is
ignored.
Timer1 also has an internal “Reset input”. This Reset
can be generated by the CCP module (Section 15.1
“CCP1 Module”).
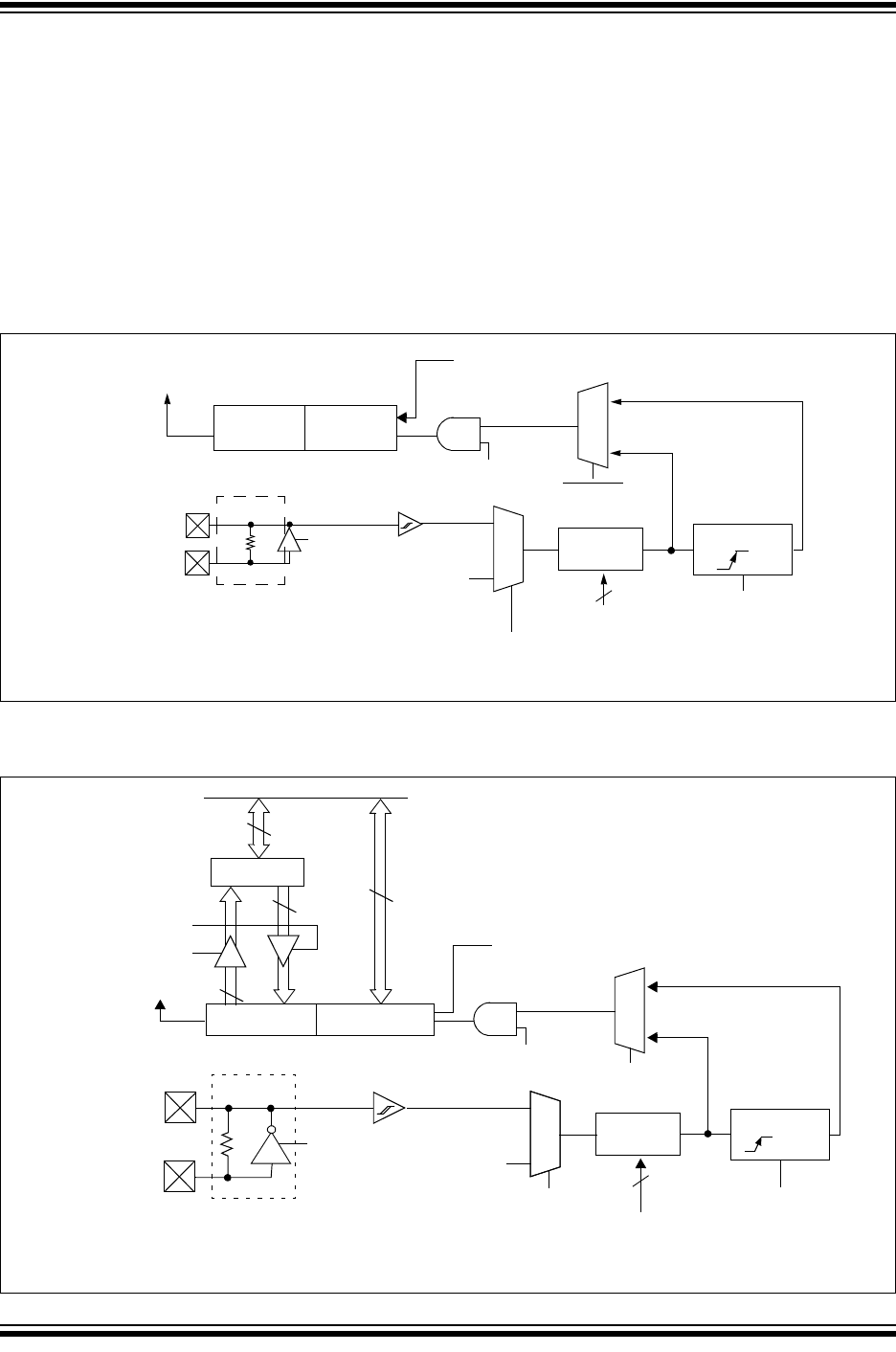
FIGURE 12-1: TIMER1 BLOCK DIAGRAM
FIGURE 12-2: TIMER1 BLOCK DIAGRAM: 16-BIT READ/WRITE MODE
TMR1H
TMR1L
T1SYNC
TMR1CS
T1CKPS1:T1CKPS0
Sleep Input
F
OSC/4
Internal
Clock
TMR1ON
On/Off
Prescaler
1, 2, 4, 8
Synchronize
det
1
0
0
1
Synchronized
Clock Input
2
TMR1IF
Overflow
TMR1
CLR
CCP Special Event Trigger
T1OSCEN
Enable
Oscillator
(1)
T1OSC
Interrupt
Flag bit
Note 1: When enable bit T1OSCEN is cleared, the inverter and feedback resistor are turned off. This reduces power drain.
T1OSI
T1CKI/T1OSO
Timer 1
TMR1L
T1OSC
T1SYNC
TMR1CS
T1CKPS1:T1CKPS0
Sleep Input
T1OSCEN
Enable
Oscillator
(1)
TMR1IF
Overflow
Interrupt
F
OSC/4
Internal
Clock
TMR1ON
On/Off
Prescaler
1, 2, 4, 8
Synchronize
det
1
0
0
1
Synchronized
Clock Input
2
T1CKI/T1OSO
T1OSI
TMR1
Flag bit
Note 1: When enable bit T1OSCEN is cleared, the inverter and feedback resistor are turned off. This reduces power drain.
High Byte
Data Bus<7:0>
8
TMR1H
8
8
8
Read TMR1L
Write TMR1L
Special Event Trigger