Datasheet

Table Of Contents
PIC18FXX8
DS41159E-page 120 © 2006 Microchip Technology Inc.
14.1 Timer3 Operation
Timer3 can operate in one of these modes:
•As a timer
As a synchronous counter
As an asynchronous counter
The operating mode is determined by the clock select
bit, TMR3CS (T3CON register).
When TMR3CS = 0, Timer3 increments every instruc-
tion cycle. When TMR3CS = 1, Timer3 increments on
every rising edge of the Timer1 external clock input or
the Timer1 oscillator, if enabled.
When the Timer1 oscillator is enabled (T1OSCEN is set),
the RC1/T1OSI and RC0/T1OSO/T1CKI pins become
inputs. That is, the TRISC<1:0> value is ignored.
Timer3 also has an internal “Reset input”. This Reset
can be generated by the CCP module (Section 15.1
“CCP1 Module”).
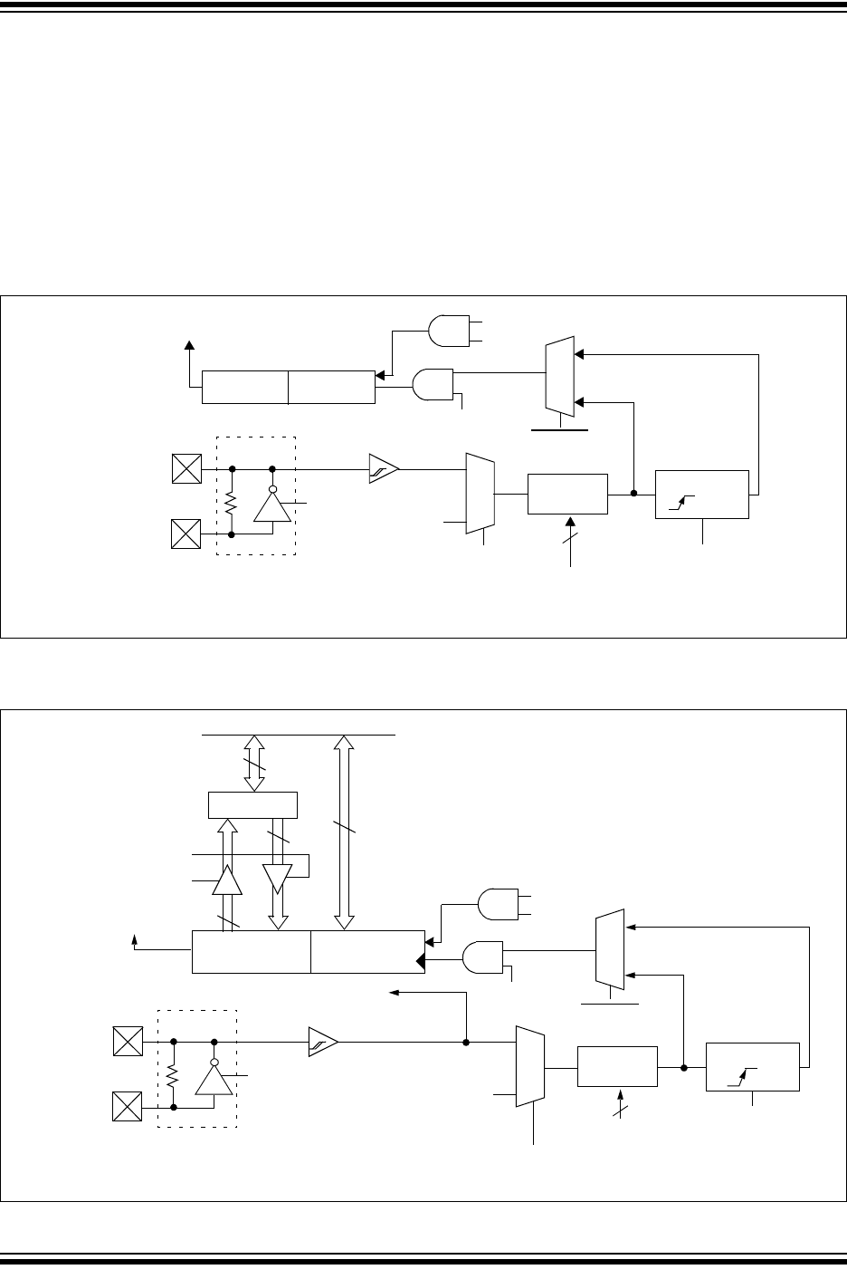
FIGURE 14-1: TIMER3 BLOCK DIAGRAM
FIGURE 14-2: TIMER3 BLOCK DIAGRAM CONFIGURED IN 16-BIT READ/WRITE MODE
TMR3H
TMR3L
T1OSC
T3SYNC
TMR3CS
T3CKPS1:T3CKPS0
Sleep Input
T1OSCEN
Enable
Oscillator
(1)
TMR3IF
Overflow
Interrupt
F
OSC/4
Internal
Clock
TMR3ON
On/Off
Prescaler
1, 2, 4, 8
Synchronize
det
1
0
0
1
Synchronized
Clock Input
2
T1OSO/
T1OSI
Flag bit
Note 1: When enable bit T1OSCEN is cleared, the inverter and feedback resistor are turned off. This eliminates power drain.
T1CKI
CCP Special Trigger
T3CCPx
CLR
TMR3L
T1OSC
T3SYNC
TMR3CS
T3CKPS1:T3CKPS0
Sleep Input
T1OSCEN
Enable
Oscillator
(1)
FOSC/4
Internal
Clock
TMR3ON
On/Off
Prescaler
1, 2, 4, 8
Synchronize
det
1
0
0
1
Synchronized
Clock Input
2
T1OSO/
T1OSI
TMR3
T1CKI
CLR
CCP Special Trigger
T3CCPx
To Timer1 Clock Input
Note 1: When the T1OSCEN bit is cleared, the inverter and feedback resistor are turned off. This eliminates power drain.
TMR3H
Data Bus<7:0>
8
TMR3H
8
8
8
Read TMR3L
Write TMR3L
TMR3IF Overflow
Interrupt Flag
bit