Datasheet

Table Of Contents
PIC18FXX8
DS41159E-page 138 © 2006 Microchip Technology Inc.
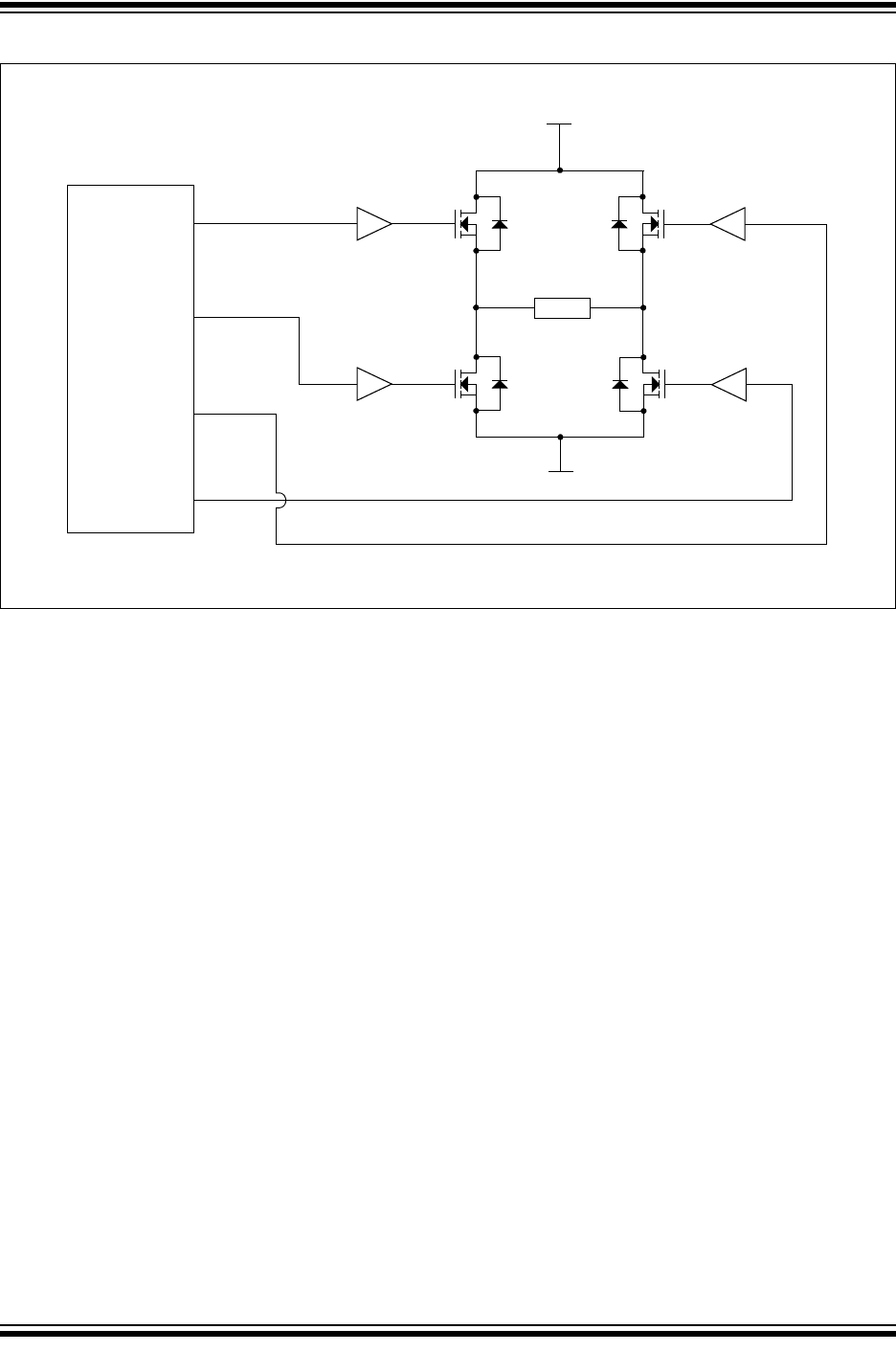
FIGURE 16-6: EXAMPLE OF FULL-BRIDGE APPLICATION
16.5.3.1 Direction Change in Full-Bridge
Mode
In the Full-Bridge Output mode, the EPWM1M1 bit in
the ECCP1CON register allows the user to control the
forward/reverse direction. When the application firm-
ware changes this direction control bit, the ECCP1
module will assume the new direction on the next PWM
cycle. The current PWM cycle still continues, however,
the non-modulated outputs, P1A and P1C signals, will
transition to the new direction T
OSC, 4 TOSC or 16 TOSC
earlier (for T2CKRS<1:0> = 00, 01 or 1x, respectively)
before the end of the period. During this transition
cycle, the modulated outputs, P1B and P1D, will go to
the inactive state (Figure 16-7).
Note that in the Full-Bridge Output mode, the ECCP
module does not provide any dead-band delay. In
general, since only one output is modulated at all times,
dead-band delay is not required. However, there is a
situation where a dead-band delay might be required.
This situation occurs when all of the following
conditions are true:
1. The direction of the PWM output changes when
the duty cycle of the output is at or near 100%.
2. The turn-off time of the power switch, including
the power device and driver circuit, is greater
than turn-on time.
Figure 16-8 shows an example where the PWM
direction changes from forward to reverse at a near
100% duty cycle. At time t1, the outputs P1A and P1D
become inactive, while output P1C becomes active. In
this example, since the turn-off time of the power
devices is longer than the turn-on time, a shoot-through
current flows through power devices QB and QD (see
Figure 16-6) for the duration of ‘t’. The same phenom-
enon will occur to power devices QA and QC for PWM
direction change from reverse to forward.
If changing PWM direction at high duty cycle is required
for an application, one of the following requirements
must be met:
1. Avoid changing PWM output direction at or near
100% duty cycle.
2. Use switch drivers that compensate the slow
turn off of the power devices. The total turn-off
time (t
off
) of the power device and the driver
must be less than the turn-on time (t
on
).
PIC18F448/458
P1D
P1B
FET
Driver
FET
Driver
V+
V-
Load
+ -
FET
Driver
FET
Driver
P1C
P1A
QD
QC
QA
QB