Datasheet

Table Of Contents
© 2006 Microchip Technology Inc. DS41159E-page 97
PIC18FXX8
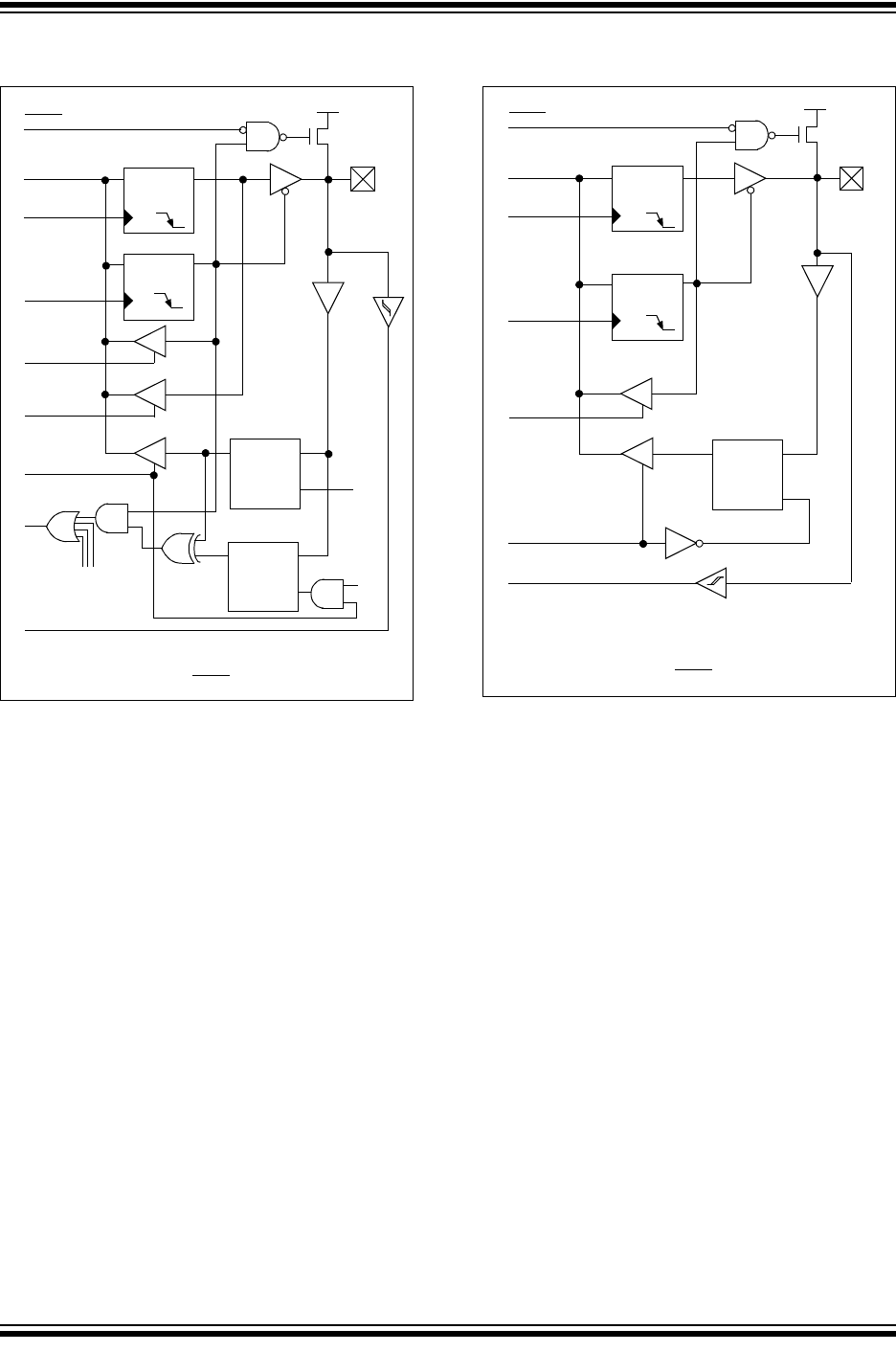
FIGURE 9-4: RB7:RB4 PINS BLOCK
DIAGRAM
FIGURE 9-5: RB1:RB0 PINS BLOCK
DIAGRAM
Data Latch
From other
RBPU
(2)
P
V
DD
I/O pin
(1)
QD
CK
QD
CK
QD
EN
QD
EN
Data Bus
WR LATB
WR TRISB
Set RBIF
TRIS Latch
RD TRISB
RD PORTB
RB7:RB4 pins
Weak
Pull-up
Latch
TTL
Input
Buffer
ST
Buffer
RBx/INTx
Q3
Q1
RD LATB
or
WR PORTB
Note 1: I/O pins have diode protection to V
DD and VSS.
2: To enable weak pull-ups, set the appropriate TRIS
bit(s) and clear the RBPU
bit (INTCON2 register).
Data Latch
RBPU
(2)
P
V
DD
QD
CK
QD
CK
QD
EN
Data Bus
WR Port
WR TRIS
RD TRIS
RD Port
Weak
Pull-up
RBx/INTx
I/O pin
(1)
TTL
Input
Buffer
Schmitt Trigger
Buffer
TRIS Latch
Note 1: I/O pins have diode protection to V
DD and VSS.
2: To enable weak pull-ups, set the appropriate TRIS
bit(s) and clear the RBPU
bit (INTCON2 register).