Datasheet

Table Of Contents
© 2008 Microchip Technology Inc. DS39626E-page 237
PIC18F2525/2620/4525/4620
20.9 Analog Input Connection
Considerations
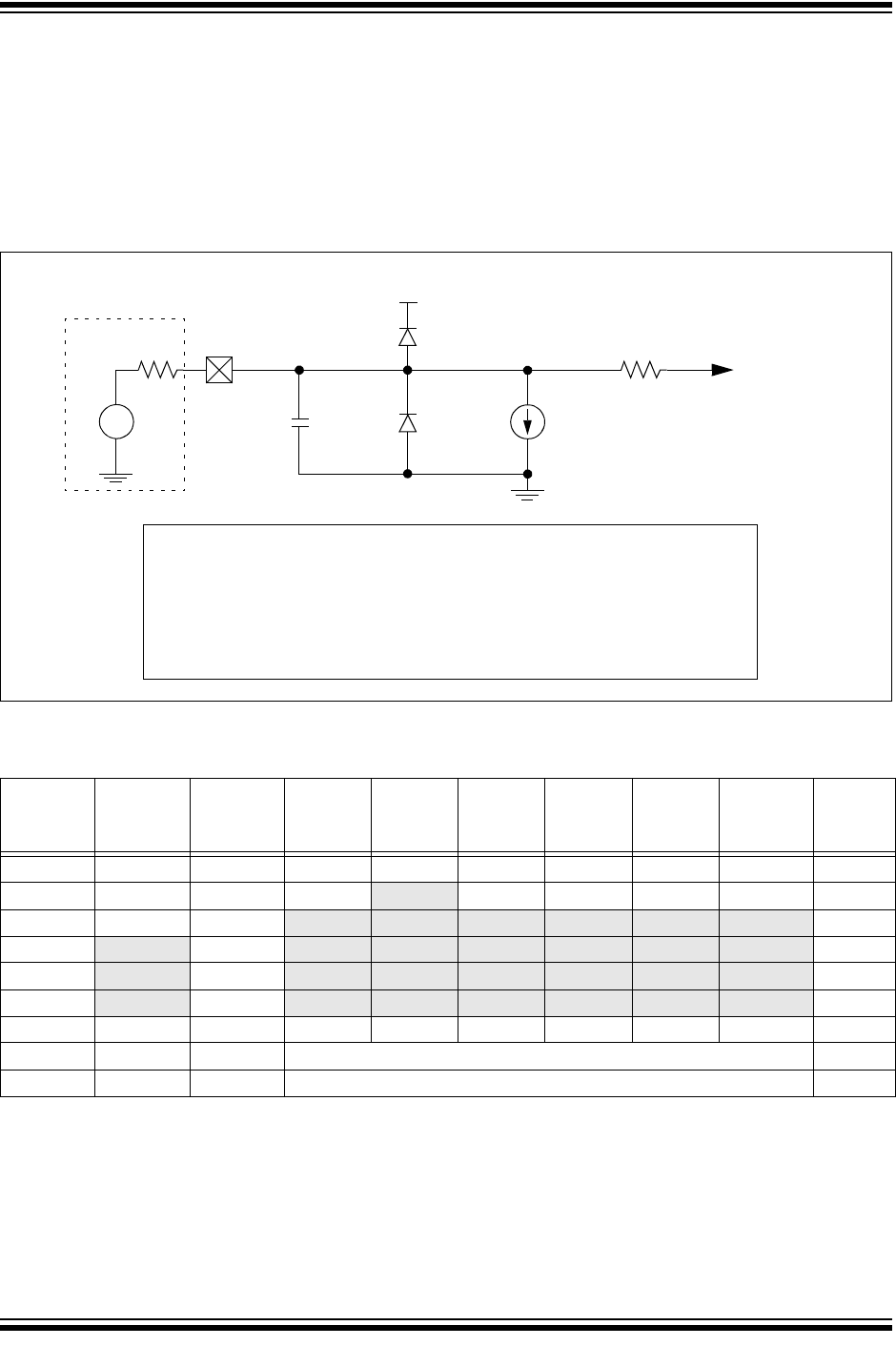
A simplified circuit for an analog input is shown in
Figure 20-4. Since the analog pins are connected to a
digital output, they have reverse biased diodes to VDD
and VSS. The analog input, therefore, must be between
V
SS and VDD. If the input voltage deviates from this
range by more than 0.6V in either direction, one of the
diodes is forward biased and a latch-up condition may
occur. A maximum source impedance of 10 kΩ is
recommended for the analog sources. Any external
component connected to an analog input pin, such as
a capacitor or a Zener diode, should have very little
leakage current.
FIGURE 20-4: COMPARATOR ANALOG INPUT MODEL
TABLE 20-1: REGISTERS ASSOCIATED WITH COMPARATOR MODULE
VA
R
S < 10k
A
IN
CPIN
5 pF
V
DD
VT = 0.6V
VT = 0.6V
RIC
ILEAKAGE
±500 nA
V
SS
Legend: CPIN = Input Capacitance
V
T = Threshold Voltage
I
LEAKAGE = Leakage Current at the pin due to various junctions
R
IC = Interconnect Resistance
R
S = Source Impedance
VA = Analog Voltage
Comparator
Input
Name Bit 7 Bit 6 Bit 5 Bit 4 Bit 3 Bit 2 Bit 1 Bit 0
Reset
Values
on page
CMCON C2OUT C1OUT C2INV C1INV CIS CM2 CM1 CM0 51
CVRCON CVREN CVROE CVRR
CVRSS CVR3 CVR2 CVR1 CVR0 51
INTCON GIE/GIEH PEIE/GIEL
TMR0IE INT0IE RBIE TMR0IF INT0IF RBIF 52
PIR2
OSCFIF CMIF EEIF BCLIF HLVDIF TMR3IF CCP2IF 52
PIE2 OSCFIE CMIE EEIE BCLIE HLVDIE TMR3IE CCP2IE 52
IPR2
OSCFIP CMIP EEIP BCLIP HLVDIP TMR3IP CCP2IP 52
PORTA RA7
(1)
RA6
(1)
RA5 RA4 RA3 RA2 RA1 RA0 52
LATA LATA7
(1)
LATA6
(1)
PORTA Data Latch Register (Read and Write to Data Latch) 52
TRISA TRISA7
(1)
TRISA6
(1)
PORTA Data Direction Control Register 52
Legend: — = unimplemented, read as 0’. Shaded cells are unused by the comparator module.
Note 1: PORTA<7:6> and their direction and latch bits are individually configured as port pins based on various
primary oscillator modes. When disabled, these bits read as ‘0’.