Datasheet

Table Of Contents
© 2008 Microchip Technology Inc. DS39626E-page 91
PIC18F2525/2620/4525/4620
9.0 I/O PORTS
Depending on the device selected and features
enabled, there are up to five ports available. Some pins
of the I/O ports are multiplexed with an alternate
function from the peripheral features on the device. In
general, when a peripheral is enabled, that pin may not
be used as a general purpose I/O pin.
Each port has three registers for its operation. These
registers are:
TRIS register (data direction register)
PORT register (reads the levels on the pins of the
device)
LAT register (output latch)
The Data Latch (LAT register) is useful for read-modify-
write operations on the value that the I/O pins are
driving.
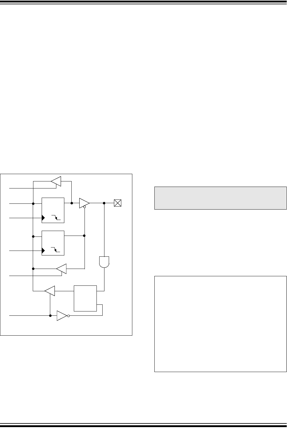
A simplified model of a generic I/O port, without the
interfaces to other peripherals, is shown in Figure 9-1.
FIGURE 9-1: GENERIC I/O PORT
OPERATION
9.1 PORTA, TRISA and LATA Registers
PORTA is a 8-bit wide, bidirectional port. The corre-
sponding Data Direction register is TRISA. Setting a
TRISA bit (= 1) will make the corresponding PORTA pin
an input (i.e., put the corresponding output driver in a
high-impedance mode). Clearing a TRISA bit (= 0) will
make the corresponding PORTA pin an output (i.e., put
the contents of the output latch on the selected pin).
Reading the PORTA register reads the status of the
pins, whereas writing to it, will write to the port latch.
The Data Latch (LATA) register is also memory mapped.
Read-modify-write operations on the LATA register read
and write the latched output value for PORTA.
The RA4 pin is multiplexed with the Timer0 module
clock input and one of the comparator outputs to
become the RA4/T0CKI/C1OUT pin. Pins RA6 and
RA7 are multiplexed with the main oscillator pins; they
are enabled as oscillator or I/O pins by the selection of
the main oscillator in the Configuration register (see
Section 23.1 “Configuration Bits for details). When
they are not used as port pins, RA6 and RA7 and their
associated TRIS and LAT bits are read as ‘0’.
The other PORTA pins are multiplexed with analog
inputs, the analog V
REF+ and VREF- inputs and the
comparator voltage reference output. The operation of
pins RA3:RA0 and RA5 as A/D converter inputs is
selected by clearing or setting the control bits in the
ADCON1 register (A/D Control Register 1).
Pins RA0 through RA5 may also be used as comparator
inputs or outputs by setting the appropriate bits in the
CMCON register. To use RA3:RA0 as digital inputs, it is
also necessary to turn off the comparators.
The RA4/T0CKI/C1OUT pin is a Schmitt Trigger input.
All other PORTA pins have TTL input levels. All PORTA
pins have full CMOS output drivers.
The TRISA register controls the direction of the PORTA
pins, even when they are being used as analog inputs.
The user must ensure the bits in the TRISA register are
maintained set when using them as analog inputs.
EXAMPLE 9-1: INITIALIZING PORTA
Data
Bus
WR LAT
WR TRIS
RD Port
Data Latch
TRIS Latch
RD TRIS
Input
Buffer
I/O pin
(1)
QD
CK
QD
CK
EN
QD
EN
RD LAT
or
Port
Note 1: I/O pins have diode protection to V
DD and VSS.
Note: On a Power-on Reset, RA5 and RA3:RA0
are configured as analog inputs and read
as ‘0’. RA4 is configured as a digital input.
CLRF PORTA ; Initialize PORTA by
; clearing output
; data latches
CLRF LATA ; Alternate method
; to clear output
; data latches
MOVLW 07h ; Configure A/D
MOVWF ADCON1 ; for digital inputs
MOVWF 07h ; Configure comparators
MOVWF CMCON ; for digital input
MOVLW 0CFh ; Value used to
; initialize data
; direction
MOVWF TRISA ; Set RA<7:6,3:0> as inputs
; RA<5:4> as outputs