Datasheet

Table Of Contents
PIC18FXX8
DS41159E-page 136 © 2006 Microchip Technology Inc.
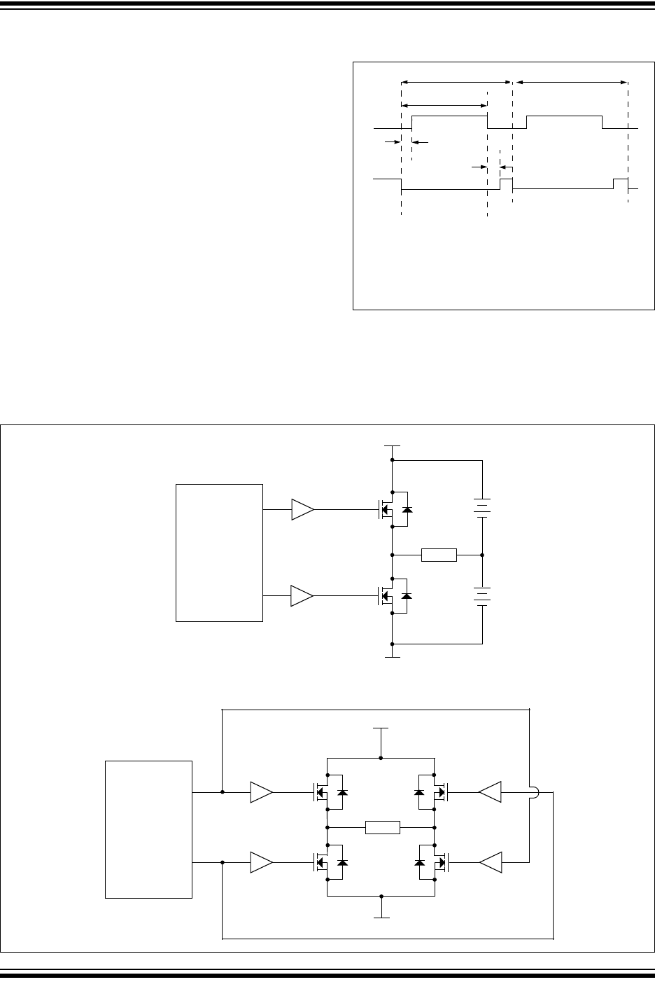
16.5.2 HALF-BRIDGE MODE
In the Half-Bridge Output mode, two pins are used as
outputs to drive push-pull loads. The RD4/PSP4/
ECCP1/P1A pin has the PWM output signal, while the
RD5/PSP5/P1B pin has the complementary PWM
output signal (Figure 16-3). This mode can be used for
half-bridge applications, as shown in Figure 16-4, or for
full-bridge applications where four power switches are
being modulated with two PWM signals.
In Half-Bridge Output mode, the programmable dead-
band delay can be used to prevent shoot-through
current in bridge power devices. The value of register
ECCP1DEL dictates the number of clock cycles before
the output is driven active. If the value is greater than
the duty cycle, the corresponding output remains
inactive during the entire cycle. See Section 16.5.4
“Programmable Dead-Band Delay” for more details
of the dead-band delay operations.
Since the P1A and P1B outputs are multiplexed with
the PORTD<4> and PORTD<5> data latches, the
TRISD<4> and TRISD<5> bits must be cleared to
configure P1A and P1B as outputs.
FIGURE 16-3: HALF-BRIDGE PWM
OUTPUT
FIGURE 16-4: EXAMPLES OF HALF-BRIDGE OUTPUT MODE APPLICATIONS
Period
Duty Cycle
td
td
(1)
P1A
(2)
P1B
(2)
td = Dead-Band Delay
Period
(1) (1)
Note 1: At this time, the TMR2 register is equal to the
PR2 register.
2: Output signals are shown as asserted high.
PIC18F448/458
P1A
P1B
FET
Driver
FET
Driver
V+
V-
Load
+ -
+
V
-
+
V
-
FET
Driver
FET
Driver
V+
V-
Load
+ -
FET
Driver
FET
Driver
PIC18F448/458
P1A
P1B
Standard Half-Bridge Circuit (“Push-Pull”)
Half-Bridge Output Driving a Full-Bridge Circuit