Datasheet

Table Of Contents
PIC18FXX8
DS41159E-page 94 © 2006 Microchip Technology Inc.
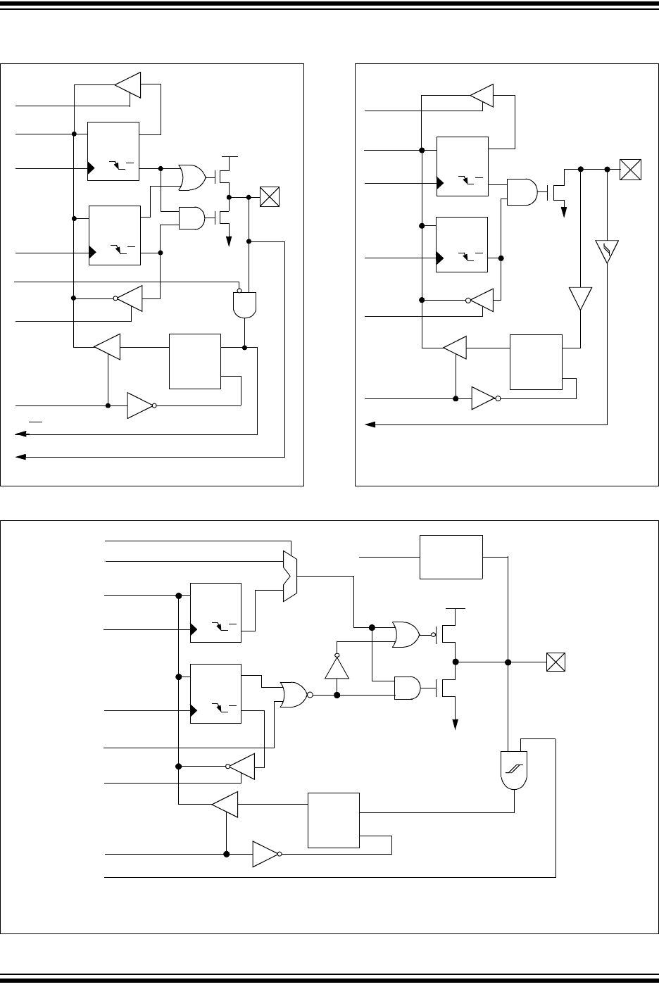
FIGURE 9-1: RA3:RA0 AND RA5 PINS
BLOCK DIAGRAM
FIGURE 9-2: RA4/T0CKI PIN BLOCK
DIAGRAM
FIGURE 9-3: OSC2/CLKO/RA6 PIN BLOCK DIAGRAM
Data Bus
P
N
WR LATA
WR TRISA
Data Latch
TRIS Latch
RD TRISA
RD PORTA
VSS
VDD
I/O pin
(1)
Note 1: I/O pins have diode protection to VDD and VSS.
Analog
Input Mode
TTL
Input
Buffer
To A/D Converter and LVD Modules
RD LATA
or
WR PORTA
SS Input (RA5 only)
Q
D
Q
CK
Q
D
Q
CK
QD
EN
Data Bus
WR TRISA
RD PORTA
Data Latch
TRIS Latch
RD TRISA
Schmitt
Trigger
Input
Buffer
N
V
SS
I/O pin
(1)
TMR0 Clock Input
Note 1: I/O pin has diode protection to V
SS only.
Q
D
Q
CK
QD
Q
CK
QD
EN
RD LATA
WR LATA or
WR PORTA
TTL
Input
Buffer
Data Bus
P
N
WR PORTA
WR TRISA
Data Latch
TRIS Latch
RD TRISA
RD PORTA
V
SS
VDD
Oscillator
Circuit
From OSC1
1
0
(FOSC = 101, 111)
Data Latch
CLKO (FOSC/4)
OSC2/CLKO
RA6 pin
(2)
(FOSC = 100,
Schmitt
Trigger
Input Buffer
(F
OSC = 110, 100)
Q
D
Q
CK
Q
D
Q
CK
QD
EN
101, 110, 111)
Note 1: CLKO is 1/4 of FOSC.
2: I/O pin has diode protection to V
DD and VSS.