Datasheet
Table Of Contents
- High-Performance RISC CPU:
- Peripheral Features:
- Advanced Analog Features:
- CAN bus Module Features:
- Special Microcontroller Features:
- Flash Technology:
- Pin Diagrams
- Table of Contents
- Most Current Data Sheet
- Errata
- Customer Notification System
- 1.0 Device Overview
- 2.0 Oscillator Configurations
- 3.0 Reset
- FIGURE 3-1: Simplified Block Diagram of On-Chip Reset Circuit
- 3.1 Power-on Reset (POR)
- 3.2 MCLR
- 3.3 Power-up Timer (PWRT)
- 3.4 Oscillator Start-up Timer (OST)
- 3.5 PLL Lock Time-out
- 3.6 Brown-out Reset (BOR)
- 3.7 Time-out Sequence
- TABLE 3-1: Time-out in Various Situations
- Register 3-1: RCON Register Bits and Positions
- TABLE 3-2: Status Bits, Their Significance and the Initialization Condition for RCON Register
- FIGURE 3-3: Time-out Sequence on Power-up (MCLR Tied to Vdd)
- FIGURE 3-4: Time-out Sequence on Power-up (MCLR Not Tied to Vdd): Case 1
- FIGURE 3-5: Time-out Sequence on Power-up (MCLR Not Tied to Vdd): Case 2
- FIGURE 3-6: Slow Rise Time (MCLR Tied to Vdd)
- FIGURE 3-7: Time-out Sequence on POR w/PLL Enabled (MCLR Tied to Vdd)
- TABLE 3-3: Initialization Conditions for All Registers
- 4.0 Memory Organization
- 4.1 Program Memory Organization
- 4.2 Return Address Stack
- 4.3 Fast Register Stack
- 4.4 PCL, PCLATH and PCLATU
- 4.5 Clocking Scheme/Instruction Cycle
- 4.6 Instruction Flow/Pipelining
- 4.7 Instructions in Program Memory
- 4.8 Look-up Tables
- 4.9 Data Memory Organization
- 4.10 Access Bank
- 4.11 Bank Select Register (BSR)
- 4.12 Indirect Addressing, INDF and FSR Registers
- 4.13 Status Register
- 4.14 RCON Register
- 5.0 Data EEPROM Memory
- 6.0 Flash Program Memory
- 6.1 Table Reads and Table Writes
- 6.2 Control Registers
- 6.3 Reading the Flash Program Memory
- 6.4 Erasing Flash Program Memory
- 6.5 Writing to Flash Program Memory
- 6.6 Flash Program Operation During Code Protection
- 7.0 8 x 8 Hardware Multiplier
- 7.1 Introduction
- 7.2 Operation
- EXAMPLE 7-1: 8 x 8 Unsigned Multiply Routine
- EXAMPLE 7-2: 8 x 8 Signed Multiply Routine
- TABLE 7-1: Performance Comparison
- EQUATION 7-1: 16 x 16 Unsigned Multiplication Algorithm
- EXAMPLE 7-3: 16 x 16 Unsigned Multiply Routine
- EQUATION 7-2: 16 x 16 Signed Multiplication Algorithm
- EXAMPLE 7-4: 16 x 16 Signed Multiply Routine
- 8.0 Interrupts
- 9.0 I/O Ports
- 10.0 Parallel Slave Port
- 11.0 Timer0 Module
- 12.0 Timer1 Module
- 13.0 Timer2 Module
- 14.0 Timer3 Module
- 15.0 Capture/Compare/PWM (CCP) Modules
- 16.0 Enhanced Capture/ Compare/PWM (ECCP) Module
- Register 16-1: ECCP1Con: ECCP1 Control Register
- 16.1 ECCP1 Module
- 16.2 Capture Mode
- 16.3 Compare Mode
- 16.4 Standard PWM Mode
- 16.5 Enhanced PWM Mode
- 16.6 Enhanced CCP Auto-Shutdown
- 17.0 Master Synchronous Serial Port (MSSP) Module
- 17.1 Master SSP (MSSP) Module Overview
- 17.2 Control Registers
- 17.3 SPI Mode
- 17.4 I2C Mode
- FIGURE 17-7: MSSP Block Diagram (I2C™ Mode)
- 17.4.1 Registers
- 17.4.2 Operation
- 17.4.3 Slave Mode
- 17.4.4 Clock Stretching
- 17.4.5 General Call Address Support
- 17.4.6 Master Mode
- 17.4.7 Baud Rate Generator
- 17.4.8 I2C Master Mode Start Condition Timing
- 17.4.9 I2C Master Mode Repeated Start Condition Timing
- 17.4.10 I2C Master Mode Transmission
- 17.4.11 I2C Master Mode Reception
- 17.4.12 Acknowledge Sequence Timing
- 17.4.13 Stop Condition Timing
- 17.4.14 Sleep Operation
- 17.4.15 Effect of a Reset
- 17.4.16 Multi-Master Mode
- 17.4.17 Multi -Master Communication, Bus Collision and Bus Arbitration
- FIGURE 17-25: Bus Collision Timing for Transmit and Acknowledge
- FIGURE 17-26: Bus Collision During Start Condition (SDA Only)
- FIGURE 17-27: Bus Collision During Start Condition (SCL = 0)
- FIGURE 17-28: BRG Reset Due to SDA Arbitration During Start Condition
- FIGURE 17-29: Bus Collision During a Repeated Start Condition (Case 1)
- FIGURE 17-30: Bus Collision During a Repeated Start Condition (Case 2)
- FIGURE 17-31: Bus Collision During a Stop Condition (Case 1)
- FIGURE 17-32: Bus Collision During a Stop Condition (Case 2)
- 18.0 Addressable Universal Synchronous Asynchronous Receiver Transmitter (USART)
- Register 18-1: TXSTA: Transmit Status and Control Register
- Register 18-2: RCSTA: Receive Status and Control Register
- 18.1 USART Baud Rate Generator (BRG)
- 18.2 USART Asynchronous Mode
- 18.3 USART Synchronous Master Mode
- 18.4 USART Synchronous Slave Mode
- 19.0 CAN Module
- 19.1 Overview
- 19.2 CAN Module Registers
- 19.2.1 CAN Control and Status Registers
- Register 19-1: CANCON: CAN Control Register
- Register 19-2: CANSTAT: CAN Status Register
- EXAMPLE 19-1: WIN and ICODE Bits Usage in Interrupt Service Routine to Access TX/RX Buffers
- EXAMPLE 19-1: WIN and ICODE Bits Usage in Interrupt Service Routine to Access TX/RX Buffers (Cont...
- Register 19-3: COMSTAT: Communication Status Register
- 19.2.2 CAN Transmit Buffer Registers
- Register 19-4: TXBnCON: Transmit Buffer n Control Registers
- Register 19-5: TXBnSIDH: Transmit Buffer n Standard Identifier, High Byte Registers
- Register 19-6: TXBnSIDL: Transmit Buffer n Standard Identifier, Low Byte Registers
- Register 19-7: TXBnEIDH: Transmit Buffer n Extended Identifier, High Byte Registers
- Register 19-8: TXBnEIDL: Transmit Buffer n Extended Identifier, Low Byte Registers
- Register 19-9: TXBnDm: Transmit Buffer n Data Field Byte m Registers
- Register 19-10: TXBnDLC: Transmit Buffer N Data Length Code Registers
- Register 19-11: TXERRCNT: Transmit Error Count Register
- 19.2.3 CAN Receive Buffer Registers
- Register 19-12: RXB0CON: Receive Buffer 0 Control Register
- Register 19-13: RXB1CON: Receive Buffer 1 Control Register
- Register 19-14: RXBnSIDH: Receive Buffer N Standard Identifier, High Byte Registers
- Register 19-15: RXBnSIDL: Receive Buffer N Standard Identifier, Low Byte Registers
- Register 19-16: RXBnEIDH: Receive Buffer N Extended Identifier, High Byte Registers
- Register 19-17: RXBnEIDL: Receive Buffer N Extended Identifier, Low Byte Registers
- Register 19-18: RXBnDLC: Receive Buffer N Data Length Code Registers
- Register 19-19: RXBnDm: Receive Buffer N Data Field Byte M Registers
- Register 19-20: RXERRCNT: Receive Error Count Register
- Register 19-21: RXFnSIDH: Receive Acceptance Filter N Standard Identifier Filter, High Byte Regis...
- Register 19-22: RXFnSIDL: Receive Acceptance Filter N Standard Identifier Filter, Low Byte Registers
- Register 19-23: RXFnEIDH: Receive Acceptance Filter N Extended Identifier, High Byte Registers
- Register 19-24: RXFnEIDL: Receive Acceptance Filter N Extended Identifier, Low Byte Registers
- Register 19-25: RXMnSIDH: Receive Acceptance Mask N Standard Identifier Mask, High Byte Registers
- Register 19-26: RXMnSIDL: Receive Acceptance Mask N Standard Identifier Mask, Low Byte Registers
- Register 19-27: RXMnEIDH: Receive Acceptance Mask N Extended Identifier Mask, High Byte Registers
- Register 19-28: RXMnEIDL: Receive Acceptance Mask N Extended Identifier Mask, Low Byte Registers
- 19.2.4 CAN Baud Rate Registers
- 19.2.5 CAN Module I/O Control Register
- 19.2.6 CAN Interrupt Registers
- 19.2.1 CAN Control and Status Registers
- 19.3 CAN Modes of Operation
- 19.4 CAN Message Transmission
- 19.5 Message Reception
- 19.6 Message Acceptance Filters and Masks
- 19.7 Baud Rate Setting
- 19.8 Synchronization
- 19.9 Programming Time Segments
- 19.10 Oscillator Tolerance
- 19.11 Bit Timing Configuration Registers
- 19.12 Error Detection
- 19.13 CAN Interrupts
- 20.0 Compatible 10-Bit Analog- to-Digital Converter (A/D) Module
- 21.0 Comparator Module
- Register 21-1: CMCON: Comparator Control Register
- 21.1 Comparator Configuration
- 21.2 Comparator Operation
- 21.3 Comparator Reference
- 21.4 Comparator Response Time
- 21.5 Comparator Outputs
- 21.6 Comparator Interrupts
- 21.7 Comparator Operation During Sleep
- 21.8 Effects of a Reset
- 21.9 Analog Input Connection Considerations
- 22.0 Comparator Voltage Reference Module
- 23.0 Low-Voltage Detect
- 24.0 Special Features of the CPU
- 24.1 Configuration Bits
- TABLE 24-1: Configuration Bits and Device IDs
- Register 24-1: CONFIG1H: Configuration Register 1 High (Byte Address 300001h)
- Register 24-2: CONFIG2L: Configuration Register 2 Low (Byte Address 300002h)
- Register 24-3: config2h: Configuration Register 2 High (Byte Address 300003h)
- Register 24-4: CONFIG4L: Configuration Register 4 Low (Byte Address 300006h)
- Register 24-5: CONFIG5L: Configuration Register 5 Low (Byte Address 300008h)
- Register 24-6: CONFIG5H: Configuration Register 5 High (Byte Address 300009h)
- Register 24-7: CONFIG6L: Configuration Register 6 Low (Byte Address 30000Ah)
- Register 24-8: CONFIG6H: Configuration Register 6 High (Byte Address 30000Bh)
- Register 24-9: CONFIG7L: Configuration Register 7 Low (Byte Address 30000Ch)
- Register 24-10: CONFIG7H: Configuration Register 7 High (Byte Address 30000Dh)
- Register 24-11: DEVID1: Device ID Register 1 for PIC18FXX8 Devices (Byte Address 3FFFFEh)
- Register 24-12: DEVID2: Device ID Register 2 for PIC18FXX8 Devices (Byte Address 3FFFFFh)
- 24.2 Watchdog Timer (WDT)
- 24.3 Power-Down Mode (Sleep)
- 24.4 Program Verification and Code Protection
- 24.5 ID Locations
- 24.6 In-Circuit Serial Programming
- 24.7 In-Circuit Debugger
- 24.8 Low-Voltage ICSP Programming
- 24.1 Configuration Bits
- 25.0 Instruction Set Summary
- 26.0 Development Support
- 26.1 MPLAB Integrated Development Environment Software
- 26.2 MPASM Assembler
- 26.3 MPLAB C17 and MPLAB C18 C Compilers
- 26.4 MPLINK Object Linker/ MPLIB Object Librarian
- 26.5 MPLAB C30 C Compiler
- 26.6 MPLAB ASM30 Assembler, Linker and Librarian
- 26.7 MPLAB SIM Software Simulator
- 26.8 MPLAB SIM30 Software Simulator
- 26.9 MPLAB ICE 2000 High-Performance Universal In-Circuit Emulator
- 26.10 MPLAB ICE 4000 High-Performance Universal In-Circuit Emulator
- 26.11 MPLAB ICD 2 In-Circuit Debugger
- 26.12 PRO MATE II Universal Device Programmer
- 26.13 MPLAB PM3 Device Programmer
- 26.14 PICSTART Plus Development Programmer
- 26.15 PICDEM 1 PICmicro Demonstration Board
- 26.16 PICDEM.net Internet/Ethernet Demonstration Board
- 26.17 PICDEM 2 Plus Demonstration Board
- 26.18 PICDEM 3 PIC16C92X Demonstration Board
- 26.19 PICDEM 4 8/14/18-Pin Demonstration Board
- 26.20 PICDEM 17 Demonstration Board
- 26.21 PICDEM 18R PIC18C601/801 Demonstration Board
- 26.22 PICDEM LIN PIC16C43X Demonstration Board
- 26.23 PICkitTM 1 Flash Starter Kit
- 26.24 PICDEM USB PIC16C7X5 Demonstration Board
- 26.25 Evaluation and Programming Tools
- 27.0 Electrical Characteristics
- Absolute Maximum Ratings(†)
- 27.1 DC Characteristics
- 27.2 DC Characteristics: PIC18FXX8 (Industrial, Extended) PIC18LFXX8 (Industrial)
- 27.3 AC (Timing) Characteristics
- 27.3.1 Timing Parameter Symbology
- 27.3.2 Timing Conditions
- 27.3.3 Timing Diagrams and Specifications
- FIGURE 27-6: External Clock Timing
- TABLE 27-6: External Clock Timing Requirements
- TABLE 27-7: PLL Clock Timing Specifications (Vdd = 4.2 to 5.5V)
- FIGURE 27-7: CLKO and I/O Timing
- TABLE 27-8: CLKO and I/O Timing Requirements
- FIGURE 27-8: Reset, Watchdog Timer, Oscillator Start-up Timer and Power-up Timer Timing
- FIGURE 27-9: Brown-out Reset and Low-Voltage Detect Timing
- TABLE 27-9: Reset, Watchdog Timer, Oscillator Start-up Timer, Power-up Timer, Brown-out Reset and...
- FIGURE 27-10: Timer0 and Timer1 External Clock Timings
- TABLE 27-10: Timer0 and Timer1 External Clock Requirements
- FIGURE 27-11: Capture/Compare/PWM Timings (CCP1 and ECCP1)
- TABLE 27-11: Capture/Compare/PWM Requirements (CCP1 and ECCP1)
- FIGURE 27-12: Parallel Slave Port Timing (PIC18F248 and PIC18F458)
- TABLE 27-12: Parallel Slave Port Requirements (PIC18F248 and PIC18F458)
- FIGURE 27-13: Example SPI™ Master Mode Timing (CKE=0)
- TABLE 27-13: Example SPI™ Mode Requirements (Master Mode, CKE=0)
- FIGURE 27-14: Example SPI™ Master Mode Timing (CKE=1)
- TABLE 27-14: Example SPI™ Mode Requirements (Master Mode, CKE=1)
- FIGURE 27-15: Example SPI™ Slave Mode Timing (CKE=0)
- TABLE 27-15: Example SPI™ Mode Requirements, Slave Mode Timing (CKE=0)
- FIGURE 27-16: Example SPI™ Slave Mode Timing (CKE=1)
- TABLE 27-16: Example SPI™ Slave Mode Requirements (CKE=1)
- FIGURE 27-17: I2C™ Bus Start/Stop Bits Timing
- TABLE 27-17: I2C™ Bus Start/Stop Bits Requirements (Slave Mode)
- FIGURE 27-18: I2C™ Bus Data Timing
- TABLE 27-18: I2C™ Bus Data Requirements (Slave Mode)
- FIGURE 27-19: Master SSP I2C™ Bus Start/Stop Bits Timing Waveforms
- TABLE 27-19: Master SSP I2C™ Bus Start/Stop Bits Requirements
- FIGURE 27-20: Master SSP I2C™ Bus Data Timing
- TABLE 27-20: Master SSP I2C™ Bus Data Requirements
- FIGURE 27-21: USART Synchronous Transmission (Master/Slave) Timing
- TABLE 27-21: USART Synchronous Transmission Requirements
- FIGURE 27-22: USART Synchronous Receive (Master/Slave) Timing
- TABLE 27-22: USART Synchronous Receive Requirements
- TABLE 27-23: A/D Converter Characteristics: PIC18FXX8 (Industrial, Extended) PIC18LFXX8 (Industrial)
- FIGURE 27-23: A/D Conversion Timing
- TABLE 27-24: A/D Conversion Requirements
- 28.0 DC and AC Characteristics Graphs and Tables
- FIGURE 28-1: Typical Idd vs. Fosc Over Vdd (Hs Mode)
- FIGURE 28-2: Maximum Idd vs. Fosc Over Vdd (Hs Mode)
- FIGURE 28-3: Typical Idd vs. Fosc Over Vdd (HS/PLL Mode)
- FIGURE 28-4: Maximum Idd vs. Fosc Over Vdd (HS/PLL Mode)
- FIGURE 28-5: Typical Idd vs. Fosc Over Vdd (XT Mode)
- FIGURE 28-6: Maximum Idd vs. Fosc Over Vdd (XT Mode)
- FIGURE 28-7: Typical Idd vs. Fosc Over Vdd (LP Mode)
- FIGURE 28-8: Maximum Idd vs. Fosc Over Vdd (LP Mode)
- FIGURE 28-9: Typical Idd vs. Fosc Over Vdd (EC Mode)
- FIGURE 28-10: Maximum Idd vs. Fosc Over Vdd (EC Mode)
- FIGURE 28-11: Typical and Maximum Idd vs. Vdd (Timer1 as Main Oscillator 32.768kHz, C1 and C2 = ...
- FIGURE 28-12: Average Fosc vs. Vdd for Various Values of R (RC Mode, C = 20 pF, +25°C)
- FIGURE 28-13: Average Fosc vs. Vdd for Various Values of R (RC Mode, C = 100pF, +25°C)
- FIGURE 28-14: Average Fosc vs. Vdd for Various Values of R (RC Mode, C = 300pF, +25°C)
- FIGURE 28-15: Ipd vs. Vdd, -40°C to +125°C (Sleep Mode, All Peripherals Disabled)
- FIGURE 28-16: DIbor vs. Vdd Over Temperature (BOR Enabled, Vbor = 2.00-2.16V)
- FIGURE 28-17: Typical and Maximum DItmr1 vs. Vdd Over Temperature (-10°C to +70°C, Timer1 with Os...
- FIGURE 28-18: Typical and Maximum DIwdt vs. Vdd Over Temperature (WDT Enabled)
- FIGURE 28-19: Typical, Minimum and Maximum WDT Period vs. Vdd (-40°C to +125°C)
- FIGURE 28-20: DIlvd vs. Vdd Over Temperature (LVD Enabled, Vlvd = 4.5 - 4.78V)
- FIGURE 28-21: Typical, Minimum and Maximum Voh vs. Ioh (Vdd = 5V, -40°C to +125°C)
- FIGURE 28-22: Typical, Minimum and Maximum Voh vs. Ioh (Vdd = 3V, -40°C to +125°C)
- FIGURE 28-23: Typical and Maximum Vol vs. Iol (Vdd = 5V, -40°C to +125°C)
- FIGURE 28-24: Typical and Maximum Vol vs. Iol (Vdd = 3V, -40°C to +125°C)
- FIGURE 28-25: Minimum and Maximum Vin vs. Vdd (ST Input, -40°C to +125°C)
- FIGURE 28-26: Minimum and Maximum Vin vs. Vdd (TTL Input, -40°C to +125°C)
- FIGURE 28-27: Minimum and Maximum Vin vs. Vdd (I2C™ Input, -40°C to +125°C)
- FIGURE 28-28: A/D Nonlinearity vs. Vrefh (Vdd = Vrefh, -40°C to +125°C)
- FIGURE 28-29: A/D Nonlinearity vs. Vrefh (Vdd = 5V, -40°C to +125°C)
- 29.0 Packaging Information
- 29.1 Package Marking Information
- 29.1 Package Marking Information (Continued)
- 29.2 Package Details
- 28-Lead Skinny Plastic Dual In-line (SP) – 300 mil Body (PDIP)
- 28-Lead Plastic Small Outline (SO) –Wide, 300 mil Body (SOIC)
- 40-Lead Plastic Dual In-line (P) – 600 mil Body (PDIP)
- 44-Lead Plastic Leaded Chip Carrier (L) – Square (PLCC)
- 44-Lead Plastic Thin Quad Flatpack (PT) 10x10x1 mm Body, 1.0/0.10 mm Lead Form (TQFP)
- Appendix A: Data Sheet Revision History
- Appendix B: Device Differences
- Appendix C: Device Migrations
- Appendix D: Migrating From Other PICmicro® Devices
- INDEX
- The Microchip Web Site
- Customer Change Notification Service
- Customer Support
- Reader Response
- PIC18FXX8 Product Identification System
- Worldwide Sales and Service

© 2006 Microchip Technology Inc. DS41159E-page 97
PIC18FXX8
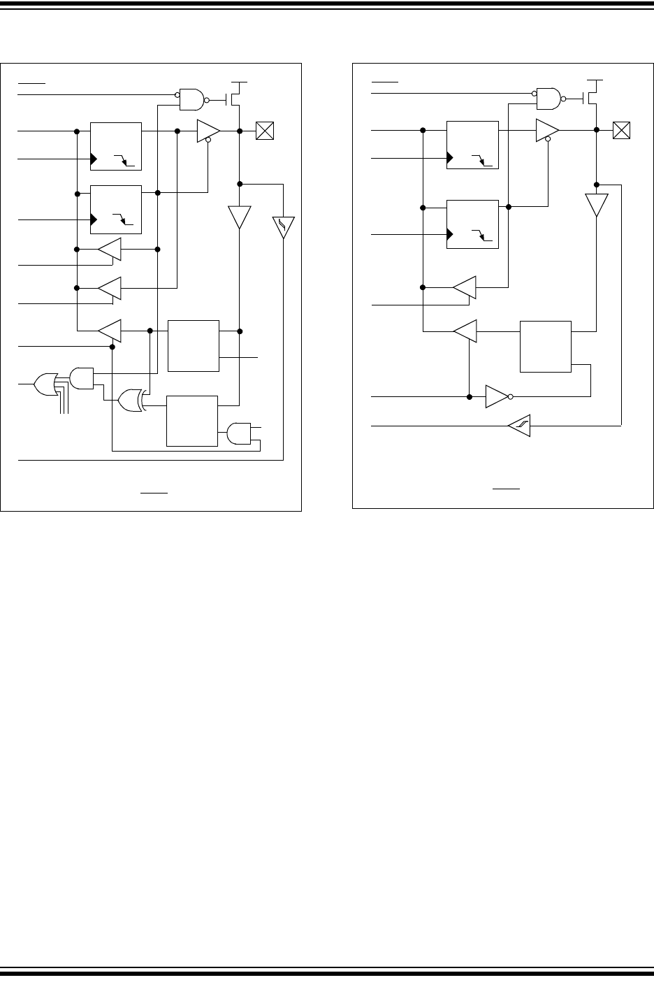
FIGURE 9-4: RB7:RB4 PINS BLOCK
DIAGRAM
FIGURE 9-5: RB1:RB0 PINS BLOCK
DIAGRAM
Data Latch
From other
RBPU
(2)
P
V
DD
I/O pin
(1)
QD
CK
QD
CK
QD
EN
QD
EN
Data Bus
WR LATB
WR TRISB
Set RBIF
TRIS Latch
RD TRISB
RD PORTB
RB7:RB4 pins
Weak
Pull-up
Latch
TTL
Input
Buffer
ST
Buffer
RBx/INTx
Q3
Q1
RD LATB
or
WR PORTB
Note 1: I/O pins have diode protection to V
DD and VSS.
2: To enable weak pull-ups, set the appropriate TRIS
bit(s) and clear the RBPU
bit (INTCON2 register).
Data Latch
RBPU
(2)
P
V
DD
QD
CK
QD
CK
QD
EN
Data Bus
WR Port
WR TRIS
RD TRIS
RD Port
Weak
Pull-up
RBx/INTx
I/O pin
(1)
TTL
Input
Buffer
Schmitt Trigger
Buffer
TRIS Latch
Note 1: I/O pins have diode protection to V
DD and VSS.
2: To enable weak pull-ups, set the appropriate TRIS
bit(s) and clear the RBPU
bit (INTCON2 register).










