Datasheet

Table Of Contents
585
SAM7S Series [DATASHEET]
6175M–ATARM–26-Oct-12
38. Mechanical Characteristics
38.1 Package Drawings
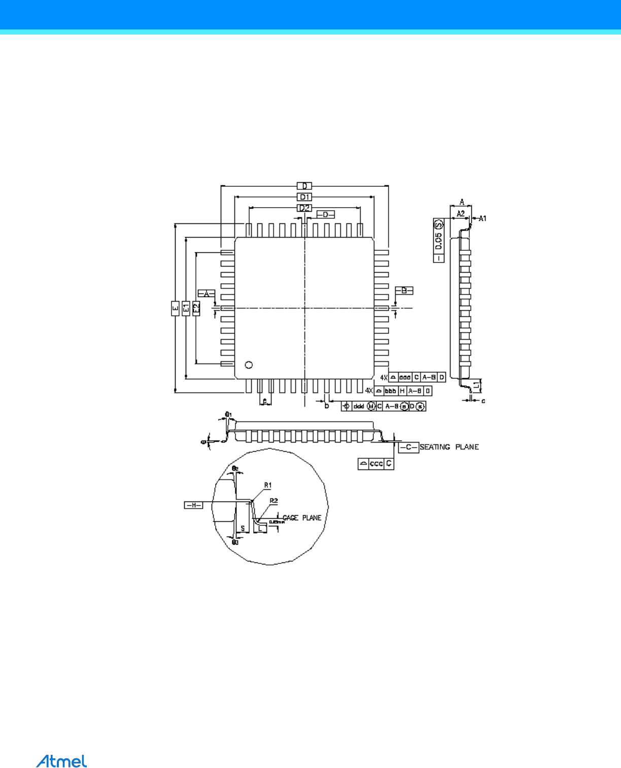
The SAM7S series devices are available in LQFP and QFN package types.
38.2 LQFP Packages
Figure 38-1. 64- and 48-lead LQFP Package Drawing