Datasheet
Table Of Contents
- Introduction
- Features
- Table of Contents
- 1. Description
- 2. Configuration Summary
- 3. Ordering Information
- 4. Block Diagram
- 5. Pin Configurations
- 6. Resources
- 7. Data Retention
- 8. About Code Examples
- 9. Capacitive Touch Sensing
- 10. AVR CPU Core
- 11. AVR Memories
- 12. System Clock and Clock Options
- 13. Power Management and Sleep Modes
- 14. System Control and Reset
- 15. Interrupts
- 16. External Interrupts
- 17. I/O Ports
- 17.1. Overview
- 17.2. Ports as General Digital I/O
- 17.3. Alternate Port Functions
- 17.4. Register Description
- 17.4.1. SFIOR – Special Function IO Register
- 17.4.2. PORTA – Port A Data Register
- 17.4.3. DDRA – Port A Data Direction Register
- 17.4.4. PINA – Port A Input Pins Address
- 17.4.5. PORTB – The Port B Data Register
- 17.4.6. DDRB – The Port B Data Direction Register
- 17.4.7. PINB – The Port B Input Pins Address
- 17.4.8. PORTC – The Port C Data Register
- 17.4.9. DDRC – The Port C Data Direction Register
- 17.4.10. PINC – The Port C Input Pins Address
- 17.4.11. PORTD – The Port D Data Register
- 17.4.12. DDRD – The Port D Data Direction Register
- 17.4.13. PIND – The Port D Input Pins Address
- 18. Timer/Counter0 and Timer/Counter1 Prescalers
- 19. 16-bit Timer/Counter1
- 19.1. Features
- 19.2. Overview
- 19.3. Accessing 16-bit Registers
- 19.4. Timer/Counter Clock Sources
- 19.5. Counter Unit
- 19.6. Input Capture Unit
- 19.7. Output Compare Units
- 19.8. Compare Match Output Unit
- 19.9. Modes of Operation
- 19.10. Timer/Counter Timing Diagrams
- 19.11. Register Description
- 19.11.1. TCCR1A – Timer/Counter1 Control Register A
- 19.11.2. TCCR1B – Timer/Counter1 Control Register B
- 19.11.3. TCNT1L – Timer/Counter1 Low byte
- 19.11.4. TCNT1H – Timer/Counter1 High byte
- 19.11.5. OCR1AL – Output Compare Register 1 A Low byte
- 19.11.6. OCR1AH – Output Compare Register 1 A High byte
- 19.11.7. OCR1BL – Output Compare Register 1 B Low byte
- 19.11.8. OCR1BH – Output Compare Register 1 B High byte
- 19.11.9. ICR1L – Input Capture Register 1 Low byte
- 19.11.10. ICR1H – Input Capture Register 1 High byte
- 19.11.11. TIMSK – Timer/Counter Interrupt Mask Register
- 19.11.12. TIFR – Timer/Counter Interrupt Flag Register
- 20. 8-bit Timer/Counter2 with PWM and Asynchronous Operation
- 20.1. Features
- 20.2. Overview
- 20.3. Timer/Counter Clock Sources
- 20.4. Counter Unit
- 20.5. Output Compare Unit
- 20.6. Compare Match Output Unit
- 20.7. Modes of Operation
- 20.8. Timer/Counter Timing Diagrams
- 20.9. Asynchronous Operation of the Timer/Counter
- 20.10. Timer/Counter Prescaler
- 20.11. Register Description
- 20.11.1. TCCR2 – Timer/Counter Control Register
- 20.11.2. TCNT0 – Timer/Counter Register
- 20.11.3. OCR0 – Output Compare Register
- 20.11.4. ASSR – Asynchronous Status Register
- 20.11.5. TIMSK – Timer/Counter Interrupt Mask Register
- 20.11.6. TIFR – Timer/Counter Interrupt Flag Register
- 20.11.7. SFIOR – Special Function IO Register
- 21. 8-bit Timer/Counter0 with PWM
- 22. SPI – Serial Peripheral Interface
- 23. USART - Universal Synchronous and Asynchronous serial Receiver and Transmitter
- 23.1. Features
- 23.2. Overview
- 23.3. Clock Generation
- 23.4. Frame Formats
- 23.5. USART Initialization
- 23.6. Data Transmission – The USART Transmitter
- 23.7. Data Reception – The USART Receiver
- 23.8. Asynchronous Data Reception
- 23.9. Multi-Processor Communication Mode
- 23.10. Accessing UBRRH/UCSRC Registers
- 23.11. Register Description
- 23.12. Examples of Baud Rate Setting
- 24. TWI - Two-wire Serial Interface
- 25. AC - Analog Comparator
- 26. ADC - Analog to Digital Converter
- 26.1. Features
- 26.2. Overview
- 26.3. Starting a Conversion
- 26.4. Prescaling and Conversion Timing
- 26.5. Changing Channel or Reference Selection
- 26.6. ADC Noise Canceler
- 26.7. ADC Conversion Result
- 26.8. Register Description
- 26.8.1. ADMUX – ADC Multiplexer Selection Register
- 26.8.2. ADCSRA – ADC Control and Status Register A
- 26.8.3. ADCL – ADC Data Register Low (ADLAR=0)
- 26.8.4. ADCH – ADC Data Register High (ADLAR=0)
- 26.8.5. ADCL – ADC Data Register Low (ADLAR=1)
- 26.8.6. ADCH – ADC Data Register High (ADLAR=1)
- 26.8.7. SFIOR – Special Function IO Register
- 27. JTAG Interface and On-chip Debug System
- 27.1. Features
- 27.2. Overview
- 27.3. TAP – Test Access Port
- 27.4. TAP Controller
- 27.5. Using the Boundary-scan Chain
- 27.6. Using the On-chip Debug System
- 27.7. On-chip Debug Specific JTAG Instructions
- 27.8. Using the JTAG Programming Capabilities
- 27.9. Bibliography
- 27.10. IEEE 1149.1 (JTAG) Boundary-scan
- 27.11. Data Registers
- 27.12. Boundry-scan Specific JTAG Instructions
- 27.13. Boundary-scan Chain
- 27.14. ATmega32A Boundary-scan Order
- 27.15. Boundary-scan Description Language Files
- 27.16. Register Description
- 28. BTLDR - Boot Loader Support – Read-While-Write Self-Programming
- 28.1. Features
- 28.2. Overview
- 28.3. Application and Boot Loader Flash Sections
- 28.4. Read-While-Write and No Read-While-Write Flash Sections
- 28.5. Boot Loader Lock Bits
- 28.6. Entering the Boot Loader Program
- 28.7. Addressing the Flash During Self-Programming
- 28.8. Self-Programming the Flash
- 28.8.1. Performing Page Erase by SPM
- 28.8.2. Filling the Temporary Buffer (Page Loading)
- 28.8.3. Performing a Page Write
- 28.8.4. Using the SPM Interrupt
- 28.8.5. Consideration While Updating Boot Loader Section (BLS)
- 28.8.6. Prevent Reading the RWW Section During Self-Programming
- 28.8.7. Setting the Boot Loader Lock Bits by SPM
- 28.8.8. EEPROM Write Prevents Writing to SPMCR
- 28.8.9. Reading the Fuse and Lock Bits from Software
- 28.8.10. Preventing Flash Corruption
- 28.8.11. Programming Time for Flash when Using SPM
- 28.8.12. Simple Assembly Code Example for a Boot Loader
- 28.8.13. ATmega32A Boot Loader Parameters
- 28.9. Register Description
- 29. Memory Programming
- 29.1. Program and Data Memory Lock Bits
- 29.2. Fuse Bits
- 29.3. Signature Bytes
- 29.4. Signature Bytes
- 29.5. Calibration Byte
- 29.6. Parallel Programming Parameters, Pin Mapping, and Commands
- 29.7. Parallel Programming
- 29.7.1. Enter Programming Mode
- 29.7.2. Considerations for Efficient Programming
- 29.7.3. Chip Erase
- 29.7.4. Programming the Flash
- 29.7.5. Programming the EEPROM
- 29.7.6. Reading the Flash
- 29.7.7. Reading the EEPROM
- 29.7.8. Programming the Fuse Low Bits
- 29.7.9. Programming the Fuse High Bits
- 29.7.10. Programming the Lock Bits
- 29.7.11. Reading the Fuse and Lock Bits
- 29.7.12. Reading the Signature Bytes
- 29.7.13. Reading the Calibration Byte
- 29.7.14. Parallel Programming Characteristics
- 29.8. Serial Downloading
- 29.9. Serial Programming Pin Mapping
- 29.10. Programming Via the JTAG Interface
- 29.10.1. Programming Specific JTAG Instructions
- 29.10.2. AVR_RESET (0xC)
- 29.10.3. PROG_ENABLE (0x4)
- 29.10.4. PROG_COMMANDS (0x5)
- 29.10.5. PROG_PAGELOAD (0x6)
- 29.10.6. PROG_PAGEREAD (0x7)
- 29.10.7. Data Registers
- 29.10.8. Reset Register
- 29.10.9. Programming Enable Register
- 29.10.10. Programming Command Register
- 29.10.11. Virtual Flash Page Load Register
- 29.10.12. Virtual Flash Page Read Register
- 29.10.13. Programming Algorithm
- 29.10.14. Entering Programming Mode
- 29.10.15. Leaving Programming Mode
- 29.10.16. Performing Chip Erase
- 29.10.17. Programming the Flash
- 29.10.18. Reading the Flash
- 29.10.19. Programming the EEPROM
- 29.10.20. Reading the EEPROM
- 29.10.21. Programming the Fuses
- 29.10.22. Programming the Lock Bits
- 29.10.23. Reading the Fuses and Lock Bits
- 29.10.24. Reading the Signature Bytes
- 29.10.25. Reading the Calibration Byte
- 30. Electrical Characteristics
- 31. Typical Characteristics
- 31.1. Active Supply Current
- 31.2. Idle Supply Current
- 31.3. Power-down Supply Current
- 31.4. Power-save Supply current
- 31.5. Standby Supply Current
- 31.6. Pin Pull-up
- 31.7. Pin Driver Strength
- 31.8. Pin Thresholds and Hysteresis
- 31.9. BOD Thresholds and Analog Comparator Offset
- 31.10. Internal Oscillator Speed
- 31.11. Current Consumption of Peripheral Units
- 31.12. Current Consumption in Reset and Reset Pulsewidth
- 32. Register Summary
- 33. Instruction Set Summary
- 34. Packaging Information
- 35. Errata
- 36. Datasheet Revision History

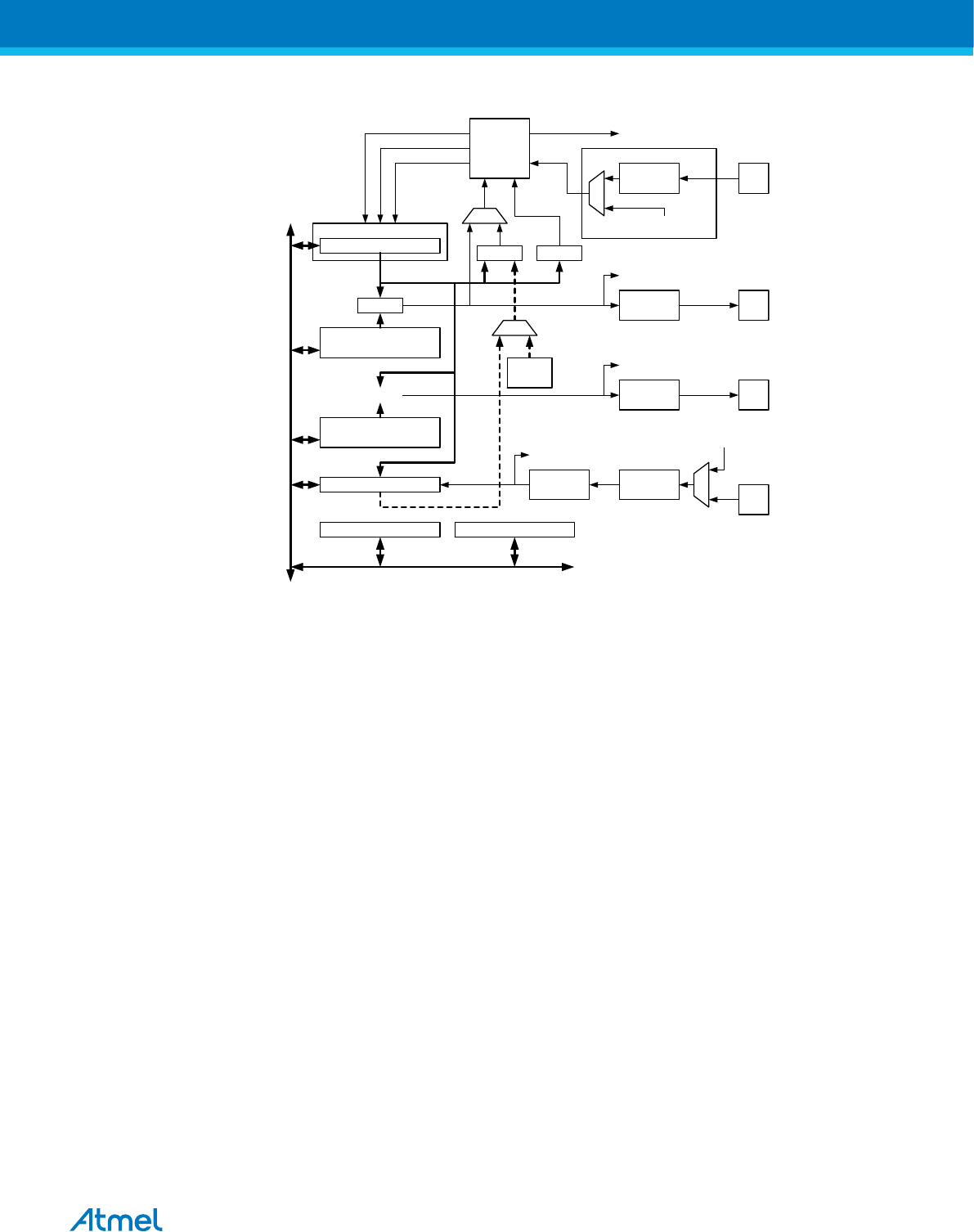
Figure 19-1. 16-bit Timer/Counter Block Diagram
(1)
Clock Select
Timer/Counter
DATA BUS
OCRnA
OCRnB
ICRn
=
=
TCNTn
Waveform
Generation
Waveform
Generation
OCnA
OCnB
Noise
Canceler
ICPn
=
Fixed
TOP
Values
Edge
Detector
Control Logic
= 0
TOP BOTTOM
Count
Clear
Direction
TOVn
(Int.Req.)
OCnA
(Int.Req.)
OCnB
(Int.Req.)
ICFn (Int.Req.)
TCCRnA TCCRnB
( From Analog
Comparator Ouput )
Tn
Edge
Detector
( From Prescaler )
clk
Tn
Note: 1. Refer to Pin Configurations, table Port B Pins Alternate Functions in Alternate Functions of Port
B, and table Port D Pins Alternate Functions in Alternate Functions of Port D for Timer/Counter1 pin
placement and description.
Related Links
Pin Configurations on page 13
Alternate Functions of Port B on page 81
Alternate Functions of Port D on page 86
19.2.1. Registers
The Timer/Counter (TCNTn), Output Compare Registers (OCRnA/B), and Input Capture Register (ICRn)
are all 16-bit registers. Special procedures must be followed when accessing the 16-bit registers. These
procedures are described in the section Accessing 16-bit Registers. The Timer/Counter Control Registers
(TCCRnA/B) are 8-bit registers and have no CPU access restrictions. Interrupt requests (abbreviated to
Int.Req. in the figure) signals are all visible in the Timer Interrupt Flag Register (TIFR). All interrupts are
individually masked with the Timer Interrupt Mask Register (TIMSK). TIFR and TIMSK are not shown in
the figure since these registers are shared by other timer units.
The Timer/Counter can be clocked internally, via the prescaler, or by an external clock source on the T1
pin. The Clock Select logic block controls which clock source and edge the Timer/Counter uses to
increment (or decrement) its value. The Timer/Counter is inactive when no clock source is selected. The
output from the clock select logic is referred to as the timer clock (clk
Tn
).
The double buffered Output Compare Registers (OCRnA/B) are compared with the Timer/Counter value
at all time. The result of the compare can be used by the waveform generator to generate a PWM or
variable frequency output on the Output Compare Pin (OCnA/B). See Output Compare Units. The
Compare Match event will also set the Compare Match Flag (OCFnA/B) which can be used to generate
an Output Compare interrupt request.
Atmel ATmega32A [DATASHEET]
Atmel-8155I-ATmega32A_Datasheet_Complete-08/2016
106










