Datasheet
Table Of Contents
- Introduction
- Features
- Table of Contents
- 1. Description
- 2. Configuration Summary
- 3. Ordering Information
- 4. Block Diagram
- 5. Pin Configurations
- 6. Resources
- 7. Data Retention
- 8. About Code Examples
- 9. Capacitive Touch Sensing
- 10. AVR CPU Core
- 11. AVR Memories
- 12. System Clock and Clock Options
- 13. Power Management and Sleep Modes
- 14. System Control and Reset
- 15. Interrupts
- 16. External Interrupts
- 17. I/O Ports
- 17.1. Overview
- 17.2. Ports as General Digital I/O
- 17.3. Alternate Port Functions
- 17.4. Register Description
- 17.4.1. SFIOR – Special Function IO Register
- 17.4.2. PORTA – Port A Data Register
- 17.4.3. DDRA – Port A Data Direction Register
- 17.4.4. PINA – Port A Input Pins Address
- 17.4.5. PORTB – The Port B Data Register
- 17.4.6. DDRB – The Port B Data Direction Register
- 17.4.7. PINB – The Port B Input Pins Address
- 17.4.8. PORTC – The Port C Data Register
- 17.4.9. DDRC – The Port C Data Direction Register
- 17.4.10. PINC – The Port C Input Pins Address
- 17.4.11. PORTD – The Port D Data Register
- 17.4.12. DDRD – The Port D Data Direction Register
- 17.4.13. PIND – The Port D Input Pins Address
- 18. Timer/Counter0 and Timer/Counter1 Prescalers
- 19. 16-bit Timer/Counter1
- 19.1. Features
- 19.2. Overview
- 19.3. Accessing 16-bit Registers
- 19.4. Timer/Counter Clock Sources
- 19.5. Counter Unit
- 19.6. Input Capture Unit
- 19.7. Output Compare Units
- 19.8. Compare Match Output Unit
- 19.9. Modes of Operation
- 19.10. Timer/Counter Timing Diagrams
- 19.11. Register Description
- 19.11.1. TCCR1A – Timer/Counter1 Control Register A
- 19.11.2. TCCR1B – Timer/Counter1 Control Register B
- 19.11.3. TCNT1L – Timer/Counter1 Low byte
- 19.11.4. TCNT1H – Timer/Counter1 High byte
- 19.11.5. OCR1AL – Output Compare Register 1 A Low byte
- 19.11.6. OCR1AH – Output Compare Register 1 A High byte
- 19.11.7. OCR1BL – Output Compare Register 1 B Low byte
- 19.11.8. OCR1BH – Output Compare Register 1 B High byte
- 19.11.9. ICR1L – Input Capture Register 1 Low byte
- 19.11.10. ICR1H – Input Capture Register 1 High byte
- 19.11.11. TIMSK – Timer/Counter Interrupt Mask Register
- 19.11.12. TIFR – Timer/Counter Interrupt Flag Register
- 20. 8-bit Timer/Counter2 with PWM and Asynchronous Operation
- 20.1. Features
- 20.2. Overview
- 20.3. Timer/Counter Clock Sources
- 20.4. Counter Unit
- 20.5. Output Compare Unit
- 20.6. Compare Match Output Unit
- 20.7. Modes of Operation
- 20.8. Timer/Counter Timing Diagrams
- 20.9. Asynchronous Operation of the Timer/Counter
- 20.10. Timer/Counter Prescaler
- 20.11. Register Description
- 20.11.1. TCCR2 – Timer/Counter Control Register
- 20.11.2. TCNT0 – Timer/Counter Register
- 20.11.3. OCR0 – Output Compare Register
- 20.11.4. ASSR – Asynchronous Status Register
- 20.11.5. TIMSK – Timer/Counter Interrupt Mask Register
- 20.11.6. TIFR – Timer/Counter Interrupt Flag Register
- 20.11.7. SFIOR – Special Function IO Register
- 21. 8-bit Timer/Counter0 with PWM
- 22. SPI – Serial Peripheral Interface
- 23. USART - Universal Synchronous and Asynchronous serial Receiver and Transmitter
- 23.1. Features
- 23.2. Overview
- 23.3. Clock Generation
- 23.4. Frame Formats
- 23.5. USART Initialization
- 23.6. Data Transmission – The USART Transmitter
- 23.7. Data Reception – The USART Receiver
- 23.8. Asynchronous Data Reception
- 23.9. Multi-Processor Communication Mode
- 23.10. Accessing UBRRH/UCSRC Registers
- 23.11. Register Description
- 23.12. Examples of Baud Rate Setting
- 24. TWI - Two-wire Serial Interface
- 25. AC - Analog Comparator
- 26. ADC - Analog to Digital Converter
- 26.1. Features
- 26.2. Overview
- 26.3. Starting a Conversion
- 26.4. Prescaling and Conversion Timing
- 26.5. Changing Channel or Reference Selection
- 26.6. ADC Noise Canceler
- 26.7. ADC Conversion Result
- 26.8. Register Description
- 26.8.1. ADMUX – ADC Multiplexer Selection Register
- 26.8.2. ADCSRA – ADC Control and Status Register A
- 26.8.3. ADCL – ADC Data Register Low (ADLAR=0)
- 26.8.4. ADCH – ADC Data Register High (ADLAR=0)
- 26.8.5. ADCL – ADC Data Register Low (ADLAR=1)
- 26.8.6. ADCH – ADC Data Register High (ADLAR=1)
- 26.8.7. SFIOR – Special Function IO Register
- 27. JTAG Interface and On-chip Debug System
- 27.1. Features
- 27.2. Overview
- 27.3. TAP – Test Access Port
- 27.4. TAP Controller
- 27.5. Using the Boundary-scan Chain
- 27.6. Using the On-chip Debug System
- 27.7. On-chip Debug Specific JTAG Instructions
- 27.8. Using the JTAG Programming Capabilities
- 27.9. Bibliography
- 27.10. IEEE 1149.1 (JTAG) Boundary-scan
- 27.11. Data Registers
- 27.12. Boundry-scan Specific JTAG Instructions
- 27.13. Boundary-scan Chain
- 27.14. ATmega32A Boundary-scan Order
- 27.15. Boundary-scan Description Language Files
- 27.16. Register Description
- 28. BTLDR - Boot Loader Support – Read-While-Write Self-Programming
- 28.1. Features
- 28.2. Overview
- 28.3. Application and Boot Loader Flash Sections
- 28.4. Read-While-Write and No Read-While-Write Flash Sections
- 28.5. Boot Loader Lock Bits
- 28.6. Entering the Boot Loader Program
- 28.7. Addressing the Flash During Self-Programming
- 28.8. Self-Programming the Flash
- 28.8.1. Performing Page Erase by SPM
- 28.8.2. Filling the Temporary Buffer (Page Loading)
- 28.8.3. Performing a Page Write
- 28.8.4. Using the SPM Interrupt
- 28.8.5. Consideration While Updating Boot Loader Section (BLS)
- 28.8.6. Prevent Reading the RWW Section During Self-Programming
- 28.8.7. Setting the Boot Loader Lock Bits by SPM
- 28.8.8. EEPROM Write Prevents Writing to SPMCR
- 28.8.9. Reading the Fuse and Lock Bits from Software
- 28.8.10. Preventing Flash Corruption
- 28.8.11. Programming Time for Flash when Using SPM
- 28.8.12. Simple Assembly Code Example for a Boot Loader
- 28.8.13. ATmega32A Boot Loader Parameters
- 28.9. Register Description
- 29. Memory Programming
- 29.1. Program and Data Memory Lock Bits
- 29.2. Fuse Bits
- 29.3. Signature Bytes
- 29.4. Signature Bytes
- 29.5. Calibration Byte
- 29.6. Parallel Programming Parameters, Pin Mapping, and Commands
- 29.7. Parallel Programming
- 29.7.1. Enter Programming Mode
- 29.7.2. Considerations for Efficient Programming
- 29.7.3. Chip Erase
- 29.7.4. Programming the Flash
- 29.7.5. Programming the EEPROM
- 29.7.6. Reading the Flash
- 29.7.7. Reading the EEPROM
- 29.7.8. Programming the Fuse Low Bits
- 29.7.9. Programming the Fuse High Bits
- 29.7.10. Programming the Lock Bits
- 29.7.11. Reading the Fuse and Lock Bits
- 29.7.12. Reading the Signature Bytes
- 29.7.13. Reading the Calibration Byte
- 29.7.14. Parallel Programming Characteristics
- 29.8. Serial Downloading
- 29.9. Serial Programming Pin Mapping
- 29.10. Programming Via the JTAG Interface
- 29.10.1. Programming Specific JTAG Instructions
- 29.10.2. AVR_RESET (0xC)
- 29.10.3. PROG_ENABLE (0x4)
- 29.10.4. PROG_COMMANDS (0x5)
- 29.10.5. PROG_PAGELOAD (0x6)
- 29.10.6. PROG_PAGEREAD (0x7)
- 29.10.7. Data Registers
- 29.10.8. Reset Register
- 29.10.9. Programming Enable Register
- 29.10.10. Programming Command Register
- 29.10.11. Virtual Flash Page Load Register
- 29.10.12. Virtual Flash Page Read Register
- 29.10.13. Programming Algorithm
- 29.10.14. Entering Programming Mode
- 29.10.15. Leaving Programming Mode
- 29.10.16. Performing Chip Erase
- 29.10.17. Programming the Flash
- 29.10.18. Reading the Flash
- 29.10.19. Programming the EEPROM
- 29.10.20. Reading the EEPROM
- 29.10.21. Programming the Fuses
- 29.10.22. Programming the Lock Bits
- 29.10.23. Reading the Fuses and Lock Bits
- 29.10.24. Reading the Signature Bytes
- 29.10.25. Reading the Calibration Byte
- 30. Electrical Characteristics
- 31. Typical Characteristics
- 31.1. Active Supply Current
- 31.2. Idle Supply Current
- 31.3. Power-down Supply Current
- 31.4. Power-save Supply current
- 31.5. Standby Supply Current
- 31.6. Pin Pull-up
- 31.7. Pin Driver Strength
- 31.8. Pin Thresholds and Hysteresis
- 31.9. BOD Thresholds and Analog Comparator Offset
- 31.10. Internal Oscillator Speed
- 31.11. Current Consumption of Peripheral Units
- 31.12. Current Consumption in Reset and Reset Pulsewidth
- 32. Register Summary
- 33. Instruction Set Summary
- 34. Packaging Information
- 35. Errata
- 36. Datasheet Revision History

22. SPI – Serial Peripheral Interface
22.1. Features
• Full-duplex, Three-wire Synchronous Data Transfer
• Master or Slave Operation
• LSB First or MSB First Data Transfer
• Seven Programmable Bit Rates
• End of Transmission Interrupt Flag
• Write Collision Flag Protection
• Wake-up from Idle Mode
• Double Speed (CK/2) Master SPI Mode
22.2. Overview
The Serial Peripheral Interface (SPI) allows high-speed synchronous data transfer between the
ATmega32A and peripheral devices or between several AVR devices.
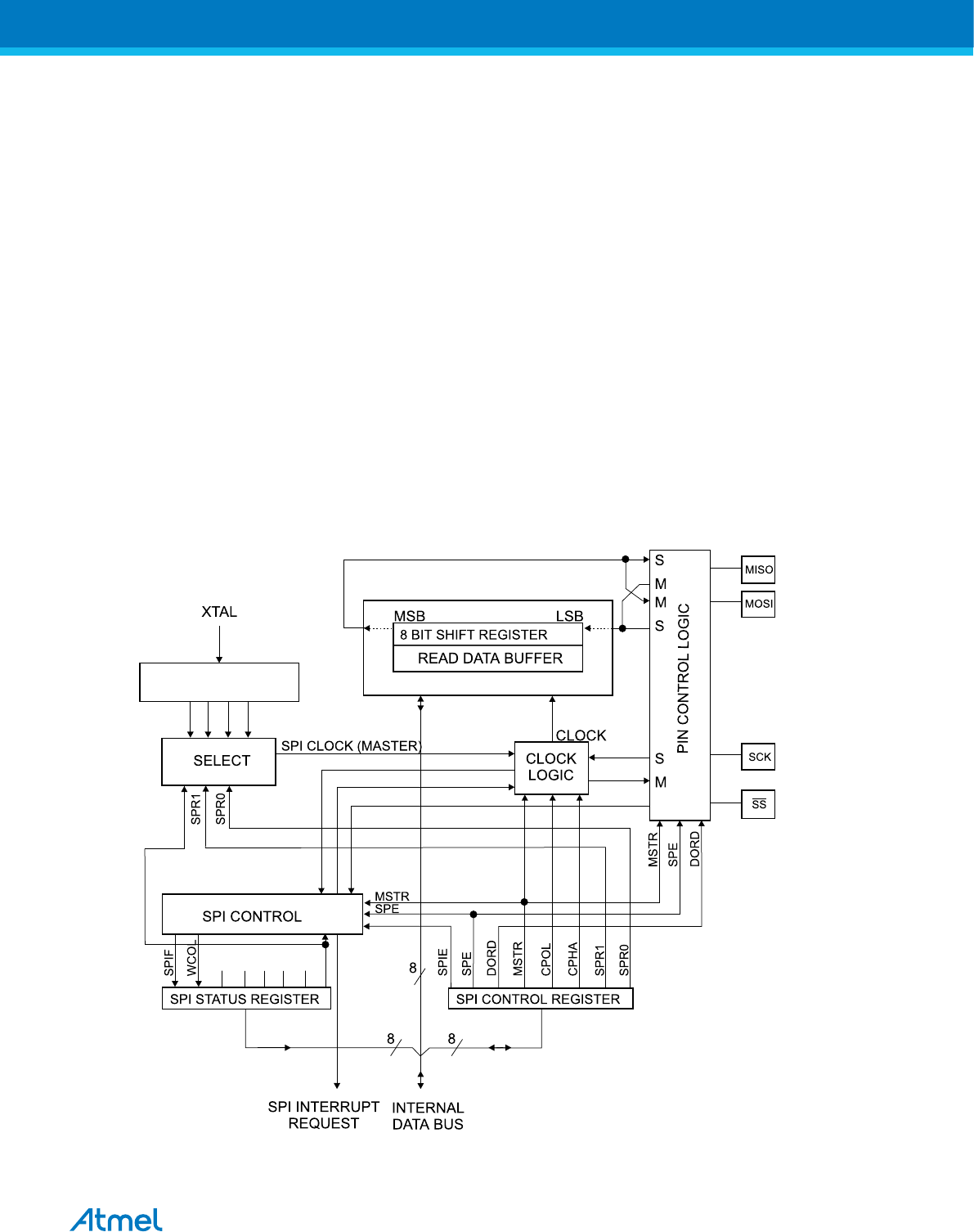
Figure 22-1. SPI Block Diagram
(1)
SPI2X
SPI2X
DIVIDER
/2/4/8/16/32/64/128
Note: 1. Refer to Pin Configurations, table Port B Pins Alternate Functions in Alternate Functions of Port
B for SPI pin placement.
Atmel ATmega32A [DATASHEET]
Atmel-8155I-ATmega32A_Datasheet_Complete-08/2016
180










