Datasheet
Table Of Contents
- High-Performance RISC CPU
- Flexible Oscillator Structure
- Special Microcontroller Features
- Extreme Low-Power Management PIC12LF1822/16LF1823 with XLP
- Analog Features
- Peripheral Highlights
- Peripheral Features (Continued)
- Table of Contents
- Most Current Data Sheet
- Errata
- Customer Notification System
- 1.0 Device Overview
- 2.0 Enhanced Mid-Range CPU
- 3.0 Memory Organization
- 3.1 Program Memory Organization
- 3.2 Data Memory Organization
- 3.2.1 Core Registers
- 3.2.2 Special Function Register
- 3.2.3 General Purpose RAM
- 3.2.4 Common RAM
- 3.2.5 Device Memory Maps
- TABLE 3-2: Memory Map Tables
- TABLE 3-3: PIC12(L)F1822/16(L)F1823 Memory Map, Banks 0-7
- TABLE 3-4: PIC12(L)F1822/16(L)F1823 Memory Map, Banks 8-15
- TABLE 3-5: PIC12(L)F1822/16(L)F1823 Memory Map, Banks 16-23
- TABLE 3-6: PIC12(L)F1822/16(L)F1823 Memory Map, Banks 24-31
- TABLE 3-7: PIC12(L)F1822/16(L)F1823 Memory Map, Bank 31
- 3.2.6 Special Function Registers Summary
- 3.3 PCL and PCLATH
- 3.4 Stack
- 3.5 Indirect Addressing
- 4.0 Device Configuration
- 5.0 Oscillator Module (With Fail-Safe Clock Monitor)
- 6.0 Reference Clock Module
- 7.0 Resets
- FIGURE 7-1: Simplified Block Diagram Of On-Chip Reset Circuit
- 7.1 Power-on Reset (POR)
- 7.2 Brown-Out Reset (BOR)
- 7.3 MCLR
- 7.4 Watchdog Timer (WDT) Reset
- 7.5 RESET Instruction
- 7.6 Stack Overflow/Underflow Reset
- 7.7 Programming Mode Exit
- 7.8 Power-Up Timer
- 7.9 Start-up Sequence
- 7.10 Determining the Cause of a Reset
- 7.11 Power Control (PCON) Register
- 8.0 Interrupts
- 9.0 Power-Down Mode (Sleep)
- 10.0 Watchdog Timer
- 11.0 Data EEPROM and Flash Program Memory Control
- 11.1 EEADRL and EEADRH Registers
- 11.2 Using the Data EEPROM
- 11.3 Flash Program Memory Overview
- 11.4 Modifying Flash Program Memory
- 11.5 User ID, Device ID and Configuration Word Access
- 11.6 Write Verify
- EXAMPLE 11-6: EEPROM Write Verify
- Register 11-1: EEDATL: EEPROM Data Register
- Register 11-2: EEDATH: EEPROM Data High Byte Register
- Register 11-3: EEADRL: EEPROM Address Register
- Register 11-4: EEADRH: EEPROM Address High Byte Register
- Register 11-5: EECON1: EEPROM Control 1 Register
- Register 11-6: EECON2: EEPROM Control 2 Register
- TABLE 11-3: Summary of Registers Associated with Data EEPROM
- 12.0 I/O Ports
- TABLE 12-1: Port Availability Per Device
- FIGURE 12-1: Generic I/O Port Operation
- 12.1 Alternate Pin Function
- 12.2 PORTA Registers
- 12.2.1 ANSELA Register
- 12.2.2 PORTA Functions and Output Priorities
- Register 12-2: PORTA: PORTA Register
- Register 12-3: TRISA: PORTA Tri-State Register
- Register 12-4: LATA: PORTA Data Latch Register
- Register 12-5: ANSELA: PORTA Analog Select Register
- Register 12-6: WPUA: Weak Pull-up PORTA Register
- TABLE 12-2: Summary of Registers Associated with PORTA
- TABLE 12-3: Summary of Configuration Word with PORTA
- 12.3 PORTC Registers (PIC16(L)F1823 only)
- 13.0 Interrupt-On-Change
- 13.1 Enabling the Module
- 13.2 Individual Pin Configuration
- 13.3 Interrupt Flags
- 13.4 Clearing Interrupt Flags
- 13.5 Operation in Sleep
- FIGURE 13-1: Interrupt-On-Change Block Diagram
- Register 13-1: IOCAP: Interrupt-on-Change PORTA Positive Edge Register
- Register 13-2: IOCAN: Interrupt-on-Change PORTA Negative Edge Register
- Register 13-3: IOCAF: Interrupt-on-Change PORTA Flag Register
- TABLE 13-1: Summary of Registers Associated with Interrupt-on-Change
- 14.0 Fixed Voltage Reference (FVR)
- 15.0 Temperature Indicator Module
- 16.0 Analog-to-Digital Converter (ADC) Module
- FIGURE 16-1: ADC Block Diagram
- 16.1 ADC Configuration
- 16.2 ADC Operation
- 16.2.1 Starting a Conversion
- 16.2.2 Completion of a Conversion
- 16.2.3 Terminating a Conversion
- 16.2.4 ADC Operation During Sleep
- 16.2.5 Special Event Trigger
- 16.2.6 A/D Conversion Procedure
- 16.2.7 ADC Register Definitions
- Register 16-1: ADCON0: A/D Control Register 0
- Register 16-2: ADCON1: A/D Control Register 1
- Register 16-3: ADRESH: ADC Result Register High (ADRESH) ADFM = 0
- Register 16-4: ADRESL: ADC Result Register Low (ADRESL) ADFM = 0
- Register 16-5: ADRESH: ADC Result Register High (ADRESH) ADFM = 1
- Register 16-6: ADRESL: ADC Result Register Low (ADRESL) ADFM = 1
- 16.3 A/D Acquisition Requirements
- 17.0 Digital-to-Analog Converter (DAC) Module
- 18.0 SR Latch
- 19.0 Comparator Module
- 19.1 Comparator Overview
- 19.2 Comparator Control
- 19.3 Comparator Hysteresis
- 19.4 Timer1 Gate Operation
- 19.5 Comparator Interrupt
- 19.6 Comparator Positive Input Selection
- 19.7 Comparator Negative Input Selection
- 19.8 Comparator Response Time
- 19.9 Interaction with ECCP Logic
- 19.10 Analog Input Connection Considerations
- 20.0 Timer0 Module
- 21.0 Timer1 Module with Gate Control
- FIGURE 21-1: Timer1 Block Diagram
- 21.1 Timer1 Operation
- 21.2 Clock Source Selection
- 21.3 Timer1 Prescaler
- 21.4 Timer1 Oscillator
- 21.5 Timer1 Operation in Asynchronous Counter Mode
- 21.6 Timer1 Gate
- 21.7 Timer1 Interrupt
- 21.8 Timer1 Operation During Sleep
- 21.9 ECCP/CCP Capture/Compare Time Base
- 21.10 ECCP/CCP Special Event Trigger
- 21.11 Timer1 Control Register
- 21.12 Timer1 Gate Control Register
- 22.0 Timer2 Module
- 23.0 Data Signal Modulator
- FIGURE 23-1: Simplified Block Diagram of the Data Signal Modulator
- 23.1 DSM Operation
- 23.2 Modulator Signal Sources
- 23.3 Carrier Signal Sources
- 23.4 Carrier Synchronization
- FIGURE 23-2: On OFF Keying (OOK) Synchronization
- EXAMPLE 23-1: No Synchronization (MDSHSYNC = 0, MDCLSYNC = 0)
- FIGURE 23-3: Carrier High Synchronization (MDSHSYNC = 1, MDCLSYNC = 0)
- FIGURE 23-4: Carrier Low Synchronization (MDSHSYNC = 0, MDCLSYNC = 1)
- FIGURE 23-5: Full Synchronization (MDSHSYNC = 1, MDCLSYNC = 1)
- 23.5 Carrier Source Polarity Select
- 23.6 Carrier Source Pin Disable
- 23.7 Programmable Modulator Data
- 23.8 Modulator Source Pin Disable
- 23.9 Modulated Output Polarity
- 23.10 Slew Rate Control
- 23.11 Operation in Sleep Mode
- 23.12 Effects of a Reset
- Register 23-1: MDCON: Modulation Control Register
- Register 23-2: MDSRC: Modulation Source Control Register
- Register 23-3: MDCARH: Modulation High Carrier Control Register
- Register 23-4: MDCARL: Modulation Low Carrier Control Register
- TABLE 23-1: Summary of Registers Associated with Data Signal Modulator Mode
- 24.0 Capture/Compare/PWM Modules
- TABLE 24-1: PWM Resources
- 24.1 Capture Mode
- 24.2 Compare Mode
- 24.3 PWM Overview
- 24.4 PWM (Enhanced Mode)
- FIGURE 24-5: Example Simplified Block Diagram of the Enhanced PWM Mode
- TABLE 24-9: Example Pin Assignments for Various PWM Enhanced Modes
- FIGURE 24-6: Example PWM (Enhanced Mode) Output Relationships (Active-High State)
- FIGURE 24-7: Example Enhanced PWM Output Relationships (Active-Low State)
- 24.4.1 Half-Bridge Mode
- 24.4.2 Full-Bridge Mode (PIC16(L)F1823 only)
- 24.4.3 Enhanced PWM Auto- shutdown mode
- 24.4.4 Auto-Restart Mode
- 24.4.5 Programmable Dead-Band Delay Mode
- 24.4.6 PWM Steering Mode
- 24.4.7 Start-up Considerations
- 24.4.8 Alternate Pin Locations
- 25.0 Master Synchronous Serial Port Module
- 25.1 Master SSP (MSSP1) Module Overview
- 25.2 SPI Mode Overview
- 25.3 I2C Mode Overview
- 25.4 I2C Mode Operation
- 25.5 I2C Slave Mode Operation
- 25.5.1 Slave Mode Addresses
- 25.5.2 Slave Reception
- FIGURE 25-14: I2C Slave, 7-Bit Address, Reception (SEN = 0, AHEN = 0, DHEN = 0)
- FIGURE 25-15: I2C Slave, 7-Bit Address, Reception (SEN = 1, AHEN = 0, DHEN = 0)
- FIGURE 25-16: I2C Slave, 7-Bit Address, Reception (SEN = 0, AHEN = 1, DHEN = 1)
- FIGURE 25-17: I2C Slave, 7-Bit Address, Reception (SEN = 1, AHEN = 1, DHEN = 1)
- 25.5.3 SLAVE Transmission
- 25.5.4 Slave mode 10-bit Address Reception
- 25.5.5 10-bit Addressing With Address Or Data Hold
- 25.5.6 Clock Stretching
- 25.5.7 Clock Synchronization and the CKP bit
- 25.5.8 General Call Address Support
- 25.5.9 SSP1 Mask Register
- 25.6 I2C Master Mode
- 25.6.1 I2C Master Mode Operation
- 25.6.2 Clock Arbitration
- 25.6.3 WCOL Status Flag
- 25.6.4 I2C Master Mode Start Condition Timing
- 25.6.5 I2C Master Mode Repeated Start Condition Timing
- 25.6.6 I2C Master Mode Transmission
- 25.6.7 I2C Master Mode Reception
- 25.6.8 Acknowledge Sequence Timing
- 25.6.9 Stop Condition Timing
- 25.6.10 Sleep Operation
- 25.6.11 Effects of a Reset
- 25.6.12 Multi-Master Mode
- 25.6.13 Multi -Master Communication, Bus Collision and Bus Arbitration
- FIGURE 25-32: Bus Collision Timing for Transmit and Acknowledge
- FIGURE 25-33: Bus Collision During Start Condition (SDA Only)
- FIGURE 25-34: Bus Collision During Start Condition (SCL = 0)
- FIGURE 25-35: BRG Reset Due to Sda Arbitration During Start Condition
- FIGURE 25-36: Bus Collision During a Repeated Start Condition (Case 1)
- FIGURE 25-37: Bus Collision During Repeated Start Condition (Case 2)
- FIGURE 25-38: Bus Collision During a Stop Condition (Case 1)
- FIGURE 25-39: Bus Collision During a Stop Condition (Case 2)
- TABLE 25-3: Summary of Registers Associated with I2C™ Operation
- 25.7 Baud Rate Generator
- FIGURE 25-40: Baud Rate Generator Block Diagram
- TABLE 25-4: MSSP1 Clock Rate w/BRG
- Register 25-1: SSP1STAT: SSP1 STATUS Register
- Register 25-2: SSP1CON1: SSP1 Control Register 1
- Register 25-3: SSP1CON2: SSP1 Control Register 2
- Register 25-4: SSP1CON3: SSP1 Control Register 3
- Register 25-5: SSP1MSK: SSP1 Mask Register
- Register 25-6: SSP1ADD: MSSP1 Address and Baud Rate Register (I2C Mode)
- 26.0 Enhanced Universal Synchronous Asynchronous Receiver Transmitter (EUSART)
- FIGURE 26-1: EUSART Transmit Block Diagram
- FIGURE 26-2: EUSART Receive Block Diagram
- 26.1 EUSART Asynchronous Mode
- 26.2 Clock Accuracy with Asynchronous Operation
- 26.3 EUSART Baud Rate Generator (BRG)
- EXAMPLE 26-1: Calculating Baud Rate Error
- TABLE 26-3: Baud Rate Formulas
- TABLE 26-4: Summary of Registers associated with the Baud Rate Generator
- TABLE 26-5: Baud Rates for Asynchronous Modes
- 26.3.1 Auto-Baud Detect
- 26.3.2 Auto-baud Overflow
- 26.3.3 Auto-Wake-up on Break
- 26.3.4 BREAK Character Sequence
- 26.3.5 Receiving a BREAK Character
- 26.4 EUSART Synchronous Mode
- 26.4.1 Synchronous Master Mode
- FIGURE 26-10: Synchronous Transmission
- FIGURE 26-11: Synchronous Transmission (Through TXEN)
- TABLE 26-7: Summary of Registers Associated with Synchronous Master Transmission
- FIGURE 26-12: Synchronous Reception (Master Mode, SREN)
- TABLE 26-8: Summary of Registers Associated with Synchronous Master Reception
- 26.4.2 Synchronous Slave Mode
- 26.4.1 Synchronous Master Mode
- 26.5 EUSART Operation During Sleep
- 27.0 Capacitive Sensing (CPS) Module
- 28.0 In-Circuit Serial Programming™ (ICSP™)
- 29.0 Instruction Set Summary
- 30.0 Electrical Specifications
- Absolute Maximum Ratings(†)
- 30.1 DC Characteristics: PIC12(L)F1822/16(L)F1823-I/E (Industrial, Extended)
- 30.2 DC Characteristics: PIC12(L)F1822/16(L)F1823-I/E (Industrial, Extended)
- 30.3 DC Characteristics: PIC12(L)F1822/16(L)F1823-I/E (Power-Down)
- 30.4 DC Characteristics: PIC12(L)F1822/16(L)F1823-I/E
- 30.5 Memory Programming Requirements
- 30.6 Thermal Considerations
- 30.7 Timing Parameter Symbology
- 30.8 AC Characteristics: PIC12(L)F1822/16(L)F1823-I/E
- FIGURE 30-6: Clock Timing
- TABLE 30-1: Clock Oscillator Timing Requirements
- TABLE 30-2: Oscillator Parameters
- TABLE 30-3: PLL Clock Timing Specifications (Vdd = 2.7V to 5.5V)
- FIGURE 30-7: CLKOUT and I/O Timing
- TABLE 30-4: CLKOUT and I/O Timing Parameters
- FIGURE 30-8: Reset, Watchdog Timer, Oscillator Start-up Timer and Power-up Timer Timing
- FIGURE 30-9: Brown-Out Reset Timing and Characteristics
- TABLE 30-5: Reset, Watchdog Timer, Oscillator Start-up Timer, Power-up Timer and Brown-Out Reset Parameters
- FIGURE 30-10: Timer0 and Timer1 External Clock Timings
- TABLE 30-6: Timer0 and Timer1 External Clock Requirements
- FIGURE 30-11: Capture/Compare/PWM Timings (CCP)
- TABLE 30-7: Capture/Compare/PWM Requirements (CCP)
- TABLE 30-8: Analog-to-Digital Converter (ADC) Characteristics:(1, 2, 3)
- TABLE 30-9: ADC Conversion Requirements
- FIGURE 30-12: PIC12(L)F1822/16(L)F1823 A/D Conversion Timing (Normal Mode)
- FIGURE 30-13: PIC12(L)F1822/16(L)F1823 A/D Conversion Timing (Sleep Mode)
- TABLE 30-10: Comparator Specifications
- TABLE 30-11: Digital-to-Analog Converter (DAC) Specifications
- FIGURE 30-14: USART Synchronous Transmission (Master/Slave) Timing
- TABLE 30-12: USART Synchronous Transmission Requirements
- FIGURE 30-15: USART Synchronous Receive (Master/Slave) Timing
- TABLE 30-13: USART Synchronous Receive Requirements
- FIGURE 30-16: SPI Master Mode Timing (CKE = 0, SMP = 0)
- FIGURE 30-17: SPI Master Mode Timing (CKE = 1, SMP = 1)
- FIGURE 30-18: SPI Slave Mode Timing (CKE = 0)
- FIGURE 30-19: SPI Slave Mode Timing (CKE = 1)
- TABLE 30-14: SPI Mode Requirements
- FIGURE 30-20: I2C™ Bus Start/Stop Bits Timing
- FIGURE 30-21: I2C™ Bus Data Timing
- TABLE 30-15: I2C™ Bus Start/Stop Bits Requirements
- TABLE 30-16: I2C™ Bus Data Requirements
- TABLE 30-17: Cap Sense Oscillator Specifications
- FIGURE 30-22: Cap Sense Oscillator
- 30.9 High Temperature Operation
- TABLE 30-18: Absolute Maximum Ratings
- FIGURE 30-23: PIC12F1822/16F1823 Voltage Frequency Graph, -40°C £ Ta £ +150°C
- FIGURE 30-24: HFINTOSC Frequency Accuracy Over Device Vdd and Temperature
- TABLE 30-19: DC Characteristics for PIC12F1822/16F1823-H (High Temp.)
- TABLE 30-20: Memory Programming Requirements for PIC12F1822/16F1823-H (High Temp.)
- TABLE 30-21: Oscillator Parameters for PIC12F1822/16F1823-H (High Temp.)
- TABLE 30-22: Reset, Watchdog Timer, Oscillator Start-up Timer, Power-up Timer and Brown-Out Reset Parameters for PIC12F1822/16F1823-H (High Temp.)
- TABLE 30-23: A/D Converter (ADC) Characteristics for PIC12F1822/16F1823-H (High Temp.)
- TABLE 30-24: Comparator Specifications for PIC12F1822/16F1823-H (High Temp.)
- TABLE 30-25: Cap Sense Oscillator Specifications for PIC12F1822/16F1823-H (High Temp.)
- 31.0 DC and AC Characteristics Graphs and Charts
- FIGURE 31-1: Idd, LP Oscillator Mode (Fosc = 32 kHz), PIC12LF1822 and PIC16LF1823 only
- FIGURE 31-2: Idd, LP Oscillator Mode (Fosc = 32 kHz), PIC12F1822 and PIC16F1823 only
- FIGURE 31-3: Idd Typical, XT and EXTRC Oscillator, PIC12LF1822 and PIC16LF1823 only
- FIGURE 31-4: Idd Maximum, XT and EXTRC Oscillator, PIC12LF1822 and PIC16LF1823 only
- FIGURE 31-5: Idd Typical, XT and EXTRC Oscillator, PIC12F1822 and PIC16F1823 only
- FIGURE 31-6: Idd Maximum, XT and EXTRC Oscillator, PIC12F1822 and PIC16F1823 only
- FIGURE 31-7: Idd, EC Oscillator, Low-Power Mode (Fosc = 32 kHz), PIC12LF1822 and PIC16LF1823 only
- FIGURE 31-8: Idd, EC Oscillator, Low-Power Mode (Fosc = 32 kHz), PIC12F1822 and PIC16F1823 only
- FIGURE 31-9: Idd, EC Oscillator, Low-Power Mode (Fosc = 500 kHz), PIC12LF1822 and PIC16LF1823 only
- FIGURE 31-10: Idd, EC Oscillator, Low-Power Mode (Fosc = 500 kHz), PIC12F1822 and PIC16F1823 only
- FIGURE 31-11: Idd Typical, EC Oscillator, Medium-Power Mode, PIC12LF1822 and PIC16LF1823 only
- FIGURE 31-12: Idd Maximum, EC Oscillator, Medium-Power Mode, PIC12LF1822 and PIC16LF1823 only
- FIGURE 31-13: Idd Typical, EC Oscillator, Medium-Power Mode, PIC12F1822 and PIC16F1823 only
- FIGURE 31-14: Idd Maximum, EC Oscillator, Medium-Power Mode, PIC12F1822 and PIC16F1823 only
- FIGURE 31-15: Idd Typical, EC Oscillator, High-Power Mode, PIC12LF1822 and PIC16LF1823 only
- FIGURE 31-16: Idd Maximum, EC Oscillator, High-Power Mode, PIC12LF1822 and PIC16LF1823 only
- FIGURE 31-17: IddTypical, EC Oscillator, High-Power Mode, PIC12F1822 and PIC16F1823 only
- FIGURE 31-18: Idd Maximum, EC Oscillator, High-Power Mode, PIC12F1822 and PIC16F1823 only
- FIGURE 31-19: Idd, LFINTOSC Mode (Fosc = 32 kHz), PIC12LF1822 and PIC16LF1823 only
- FIGURE 31-20: Idd, LFINTOSC Mode (Fosc = 32 kHz), PIC12F1822 and PIC16F1823 only
- FIGURE 31-21: Idd, MFINTOSC Mode (Fosc = 500 kHz), PIC12LF1822 and PIC16LF1823 only
- FIGURE 31-22: Idd, MFINTOSC Mode (Fosc = 500 kHz), PIC12F1822 and PIC16F1823 only
- FIGURE 31-23: Idd Typical, HFINTOSC Mode, PIC12LF1822 and PIC16LF1823 only
- FIGURE 31-24: Idd Maximum, HFINTOSC Mode, PIC12LF1822 and PIC16LF1823 only
- FIGURE 31-25: Idd Typical, HFINTOSC Mode, PIC12F1822 and PIC16F1823 only
- FIGURE 31-26: Idd Maximum, HFINTOSC Mode, PIC12F1822 and PIC16F1823 only
- FIGURE 31-27: Idd Typical, HS Oscillator, PIC12LF1822 and PIC16LF1823 only
- FIGURE 31-28: Idd Maximum, HS Oscillator, PIC12LF1822 and PIC16LF1823 only
- FIGURE 31-29: Idd Typical, HS Oscillator, PIC12F1822 and PIC16F1823 only
- FIGURE 31-30: Idd Maximum, HS Oscillator, PIC12F1822 and PIC16F1823 only
- FIGURE 31-31: Ipd Base, Low-Power Sleep Mode, PIC12LF1822 and PIC16LF1823 only
- FIGURE 31-32: Ipd Base, Low-Power Sleep Mode, PIC12F1822 and PIC16F1823 only
- FIGURE 31-33: Ipd, Watchdog Timer (WDT), PIC12LF1822 and PIC16LF1823 only
- FIGURE 31-34: Ipd, Watchdog Timer (WDT), PIC12F1822 and PIC16F1823 only
- FIGURE 31-35: Ipd, Fixed Voltage Reference (FVR), PIC12LF1822 and PIC16LF1823 only
- FIGURE 31-36: Ipd, Fixed Voltage Reference (FVR), PIC12F1822 and PIC16F1823 only
- FIGURE 31-37: Ipd, Brown-Out Reset (BOR), PIC12F1822 and PIC16F1823 only
- FIGURE 31-38: Ipd, Timer1 Oscillator (Fosc = 32 kHz), PIC12LF1822 and PIC16LF1823 only
- FIGURE 31-39: Ipd, Timer1 Oscillator (Fosc = 32 kHz), PIC12F1822 and PIC16F1823 only
- FIGURE 31-40: Ipd, Comparator, Low-Power Mode (CxSP = 0), PIC12LF1822 and PIC16LF1823 only
- FIGURE 31-41: Ipd, Comparator, Low-Power Mode (CxSP = 0), PIC12F1822 and PIC16F1823 only
- FIGURE 31-42: Ipd, Comparator, Normal-Power Mode (CxSP = 1), PIC12LF1822 and PIC16LF1823 only
- FIGURE 31-43: Ipd, Comparator, Normal-Power Mode (CxSP = 1), PIC12F1822 and PIC16F1823 only
- FIGURE 31-44: POR Release Voltage
- FIGURE 31-45: POR Rearm Voltage, PIC12F1822 and PIC16F1823 only
- FIGURE 31-46: WDT Time-out Period
- FIGURE 31-47: PWRT Period
- FIGURE 31-48: Comparator Hysteresis, Normal-Power Mode (CxSP = 1, CxHYS = 1)
- FIGURE 31-49: Comparator Hysteresis, Low-Power Mode (CxSP = 0, CxHYS = 1)
- FIGURE 31-50: Comparator Response Time, Normal-Power Mode (CxSP = 1)
- FIGURE 31-51: Comparator Response Time over Temperature, Normal-Power Mode (CxSP = 1)
- FIGURE 31-52: Comparator Input Offset at 25°C, Normal-Power Mode (CxSP = 1), PIC12F1822 and PIC16F1823 Only
- 32.0 Development Support
- 32.1 MPLAB X Integrated Development Environment Software
- 32.2 MPLAB XC Compilers
- 32.3 MPASM Assembler
- 32.4 MPLINK Object Linker/ MPLIB Object Librarian
- 32.5 MPLAB Assembler, Linker and Librarian for Various Device Families
- 32.6 MPLAB X SIM Software Simulator
- 32.7 MPLAB REAL ICE In-Circuit Emulator System
- 32.8 MPLAB ICD 3 In-Circuit Debugger System
- 32.9 PICkit 3 In-Circuit Debugger/ Programmer
- 32.10 MPLAB PM3 Device Programmer
- 32.11 Demonstration/Development Boards, Evaluation Kits, and Starter Kits
- 32.12 Third-Party Development Tools
- 33.0 Packaging Information
- Appendix A: Data Sheet Revision History
- Appendix B: Migrating From Other PIC® Devices
- The Microchip Web Site
- Customer Change Notification Service
- Customer Support
- Product Identification System
- Trademarks
- Worldwide Sales

PIC12(L)F1822/16(L)F1823
DS40001413E-page 218 2010-2015 Microchip Technology Inc.
The I
2
C interface supports the following modes and
features:
•Master mode
• Slave mode
• Byte NACKing (Slave mode)
• Limited Multi-master support
• 7-bit and 10-bit addressing
• Start and Stop interrupts
• Interrupt masking
• Clock stretching
• Bus collision detection
• General call address matching
•Address masking
• Address Hold and Data Hold modes
• Selectable SDA hold times
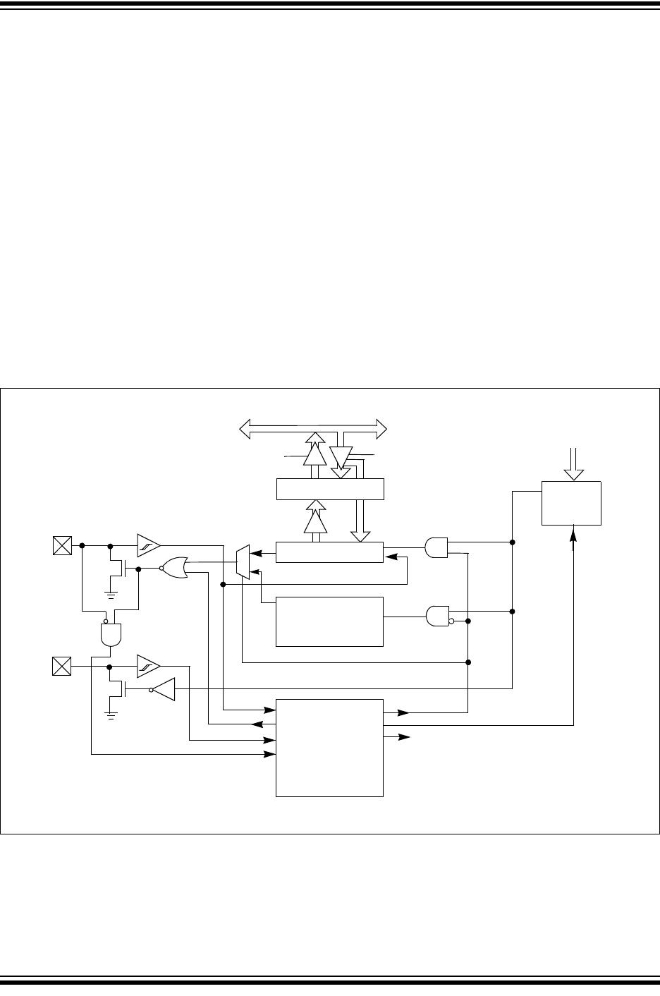
Figure 25-2 is a block diagram of the I
2
C interface mod-
ule in Master mode. Figure 25-3 is a diagram of the I
2
C
interface module in Slave mode.
FIGURE 25-2: MSSP1 BLOCK DIAGRAM (I
2
C™ MASTER MODE)
Read Write
SSP1SR
Start bit, Stop bit,
Start bit detect,
SSP1BUF
Internal
data bus
Set/Reset: S, P, SSP1STAT, WCOL, SSP1OV
Shift
Clock
MSb
LSb
SDA
Acknowledge
Generate (SSP1CON2)
Stop bit detect
Write collision detect
Clock arbitration
State counter for
end of XMIT/RCV
SCL
SCL in
Bus Collision
SDA in
Receive Enable (RCEN)
Clock Cntl
Clock arbitrate/BCOL detect
(Hold off clock source)
[SSP1M 3:0]
Baud rate
Reset SEN, PEN (SSP1CON2)
generator
(SSP1ADD)
Address Match detect
Set SSP1IF, BCL1IF










