Datasheet

Table Of Contents
PIC16F631/677/685/687/689/690
DS41262E-page 94 © 2008 Microchip Technology Inc.
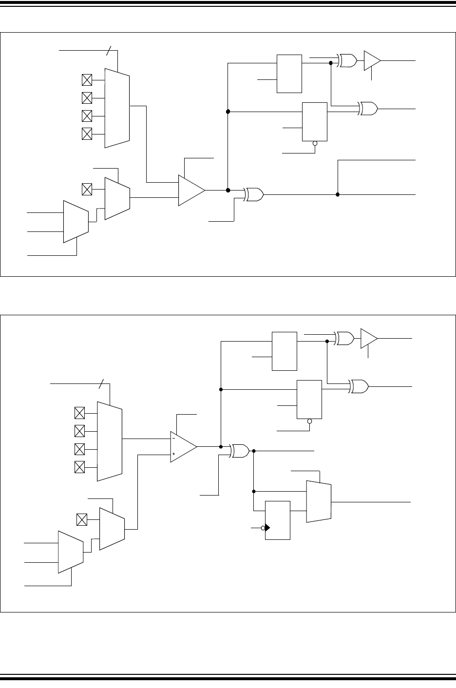
FIGURE 8-2: COMPARATOR C1 SIMPLIFIED BLOCK DIAGRAM
FIGURE 8-3: COMPARATOR C2 SIMPLIFIED BLOCK DIAGRAM
C1POL
C1OUT
RD_CM1CON0
Set C1IF
To
DQ
EN
Q1
Data Bus
C1POL
DQ
EN
CL
Q3*RD_CM1CON0
NRESET
MUX
C1
0
1
2
3
C1ON
(1)
C1CH<1:0>
2
C1VIN-
C1V
IN+
C12IN0-
C12IN1-
C12IN2-
C12IN3-
+
-
Note 1: When C1ON = 0, the C1 comparator will produce a ‘0output to the XOR Gate.
2: Q1 and Q3 are phases of the four-phase system clock (F
OSC).
3: Q1 is held high during Sleep mode.
0
1
C1R
MUX
C1IN+
0
1
MUX
To other peripherals
C1OUT (to SR latch)
CVREF
C1VREN
FixedRef
MUX
C2
C2POL
C2OUT
0
1
2
3
C2ON
(1)
C2CH<1:0>
2
From TMR1
Clock
DQ
EN
DQ
EN
CL
DQ
RD_CM2CON0
Q3*RD_CM2CON0
Q1
Set C2IF
To
NRESET
C2V
IN-
C2V
IN+
C12IN0-
C12IN1-
C12IN2-
C12IN3-
0
1
C2SYNC
C2POL
Data Bus
MUX
Note 1: When C2ON = 0, the C2 comparator will produce a ‘0output to the XOR Gate.
2: Q1 and Q3 are phases of the four-phase system clock (F
OSC).
3: Q1 is held high during Sleep mode.
0
1
C2R
CV
REF
MUX
C2IN+
0
1
MUX
SYNCC2OUT
to Timer1 Gate, SR latch
C2V
REN
FixedRef
and other peripherals