Datasheet

Table Of Contents
PIC16F631/677/685/687/689/690
DS41262E-page 50 © 2008 Microchip Technology Inc.
3.4.3 LP, XT, HS MODES
The LP, XT and HS modes support the use of quartz
crystal resonators or ceramic resonators connected to
OSC1 and OSC2 (Figure 3-3). The mode selects a low,
medium or high gain setting of the internal inverter-
amplifier to support various resonator types and speed.
LP Oscillator mode selects the lowest gain setting of the
internal inverter-amplifier. LP mode current consumption
is the least of the three modes. This mode is designed to
drive only 32.768 kHz tuning-fork type crystals (watch
crystals).
XT Oscillator mode selects the intermediate gain
setting of the internal inverter-amplifier. XT mode
current consumption is the medium of the three modes.
This mode is best suited to drive resonators with a
medium drive level specification.
HS Oscillator mode selects the highest gain setting of the
internal inverter-amplifier. HS mode current consumption
is the highest of the three modes. This mode is best
suited for resonators that require a high drive setting.
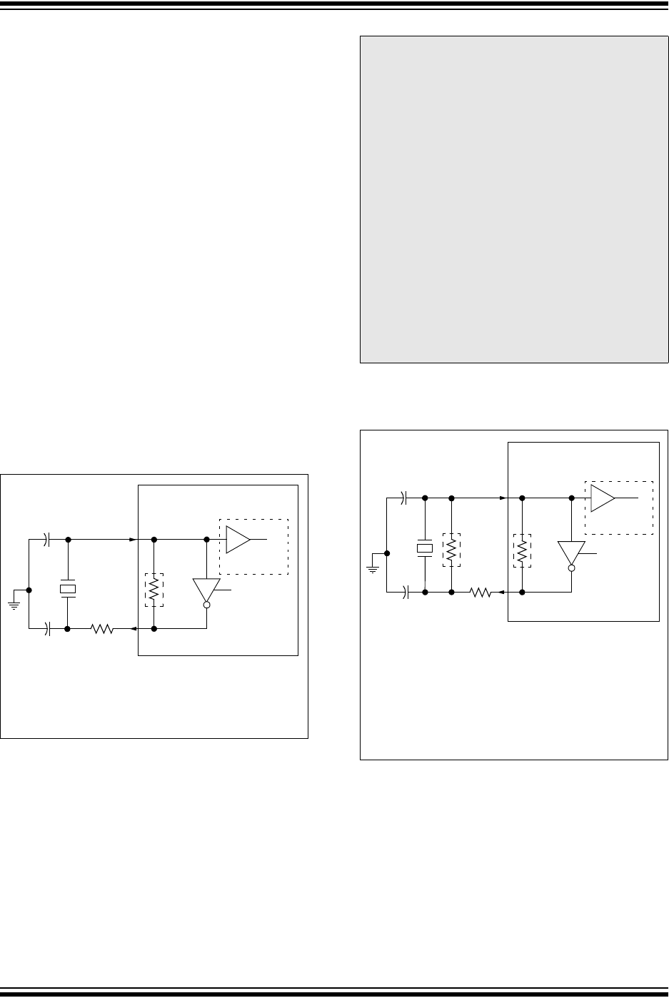
Figure 3-3 and Figure 3-4 show typical circuits for
quartz crystal and ceramic resonators, respectively.
FIGURE 3-3: QUARTZ CRYSTAL
OPERATION (LP, XT OR
HS MODE)
FIGURE 3-4: CERAMIC RESONATOR
OPERATION
(XT OR HS MODE)
Note 1: A series resistor (RS) may be required for
quartz crystals with low drive level.
2: The value of R
F varies with the Oscillator mode
selected (typically between 2 MΩ to 10 MΩ).
C1
C2
Quartz
R
S
(1)
OSC1/CLKIN
RF
(2)
Sleep
To Internal
Logic
PIC
®
MCU
Crystal
OSC2/CLKOUT
Note 1: Quartz crystal characteristics vary according
to type, package and manufacturer. The
user should consult the manufacturer data
sheets for specifications and recommended
application.
2: Always verify oscillator performance over
the V
DD and temperature range that is
expected for the application.
3: For oscillator design assistance, reference
the following Microchip Applications Notes:
• AN826, “Crystal Oscillator Basics and
Crystal Selection for rfPIC
®
and PIC
®
Devices” (DS00826)
• AN849, “Basic PIC
®
Oscillator Design
(DS00849)
• AN943, “Practical PIC
®
Oscillator
Analysis and Design” (DS00943)
• AN949, “Making Your Oscillator Work
(DS00949)
Note 1: A series resistor (RS) may be required for
ceramic resonators with low drive level.
2: The value of R
F varies with the Oscillator mode
selected (typically between 2 MΩ to 10 MΩ).
3: An additional parallel feedback resistor (R
P)
may be required for proper ceramic resonator
operation.
C1
C2
Ceramic
R
S
(1)
OSC1/CLKIN
RF
(2)
Sleep
To Internal
Logic
PIC
®
MCU
RP
(3)
Resonator
OSC2/CLKOUT