Datasheet

Table Of Contents
PIC18F2525/2620/4525/4620
DS39626E-page 226 © 2008 Microchip Technology Inc.
The analog reference voltage is software selectable to
either the device’s positive and negative supply voltage
(VDD and VSS), or the voltage level on the RA3/AN3/
V
REF+ and RA2/AN2/VREF-/CVREF pins.
The A/D converter has a unique feature of being able
to operate while the device is in Sleep mode. To
operate in Sleep, the A/D conversion clock must be
derived from the A/D’s internal RC oscillator.
The output of the sample and hold is the input into the
converter, which generates the result via successive
approximation.
A device Reset forces all registers to their Reset state.
This forces the A/D module to be turned off and any
conversion in progress is aborted.
Each port pin associated with the A/D converter can be
configured as an analog input, or as a digital I/O. The
ADRESH and ADRESL registers contain the result of
the A/D conversion. When the A/D conversion is
complete, the result is loaded into the
ADRESH:ADRESL register pair, the GO/DONE
bit
(ADCON0 register) is cleared and A/D Interrupt Flag bit,
ADIF, is set. The block diagram of the A/D module is
shown in Figure 19-1.
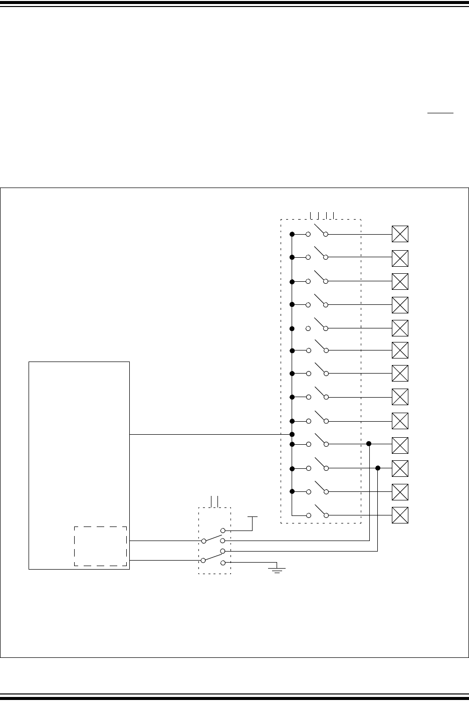
FIGURE 19-1: A/D BLOCK DIAGRAM
(Input Voltage)
V
AIN
VREF+
Reference
Voltage
V
DD
VCFG1:VCFG0
CHS3:CHS0
AN7
(1)
AN6
(1)
AN5
(1)
AN4
AN3
AN2
AN1
AN0
0111
0110
0101
0100
0011
0010
0001
0000
10-Bit
Converter
VREF-
VSS
A/D
AN12
AN11
AN10
AN9
AN8
1100
1011
1010
1001
1000
Note 1: Channels AN5 through AN7 are not available on 28-pin devices.
2: I/O pins have diode protection to V
DD and VSS.
0X
1X
X
1
X0