Datasheet

Table Of Contents
PIC18F2525/2620/4525/4620
DS39626E-page 28 © 2008 Microchip Technology Inc.
2.7 Clock Sources and Oscillator
Switching
Like previous PIC18 devices, the PIC18F2525/2620/
4525/4620 family includes a feature that allows the
device clock source to be switched from the main
oscillator to an alternate, low-frequency clock source.
PIC18F2525/2620/4525/4620 devices offer two alternate
clock sources. When an alternate clock source is enabled,
the various power-managed operating modes are
available.
Essentially, there are three clock sources for these
devices:
Primary oscillators
Secondary oscillators
Internal oscillator block
The primary oscillators include the External Crystal
and Resonator modes, the External RC modes, the
External Clock modes and the internal oscillator block.
The particular mode is defined by the FOSC3:FOSC0
Configuration bits. The details of these modes are
covered earlier in this chapter.
The secondary oscillators are those external sources
not connected to the OSC1 or OSC2 pins. These
sources may continue to operate even after the
controller is placed in a power-managed mode.
PIC18F2525/2620/4525/4620 devices offer the Timer1
oscillator as a secondary oscillator. This oscillator, in all
power-managed modes, is often the time base for
functions such as a Real-Time Clock (RTC).
Most often, a 32.768 kHz watch crystal is connected
between the RC0/T1OSO/T13CKI and RC1/T1OSI
pins. Like the LP Oscillator mode circuit, loading
capacitors are also connected from each pin to ground.
The Timer1 oscillator is discussed in greater detail in
Section 12.3 “Timer1 Oscillator”.
In addition to being a primary clock source, the internal
oscillator block is available as a power-managed
mode clock source. The INTRC source is also used as
the clock source for several special features, such as
the WDT and Fail-Safe Clock Monitor.
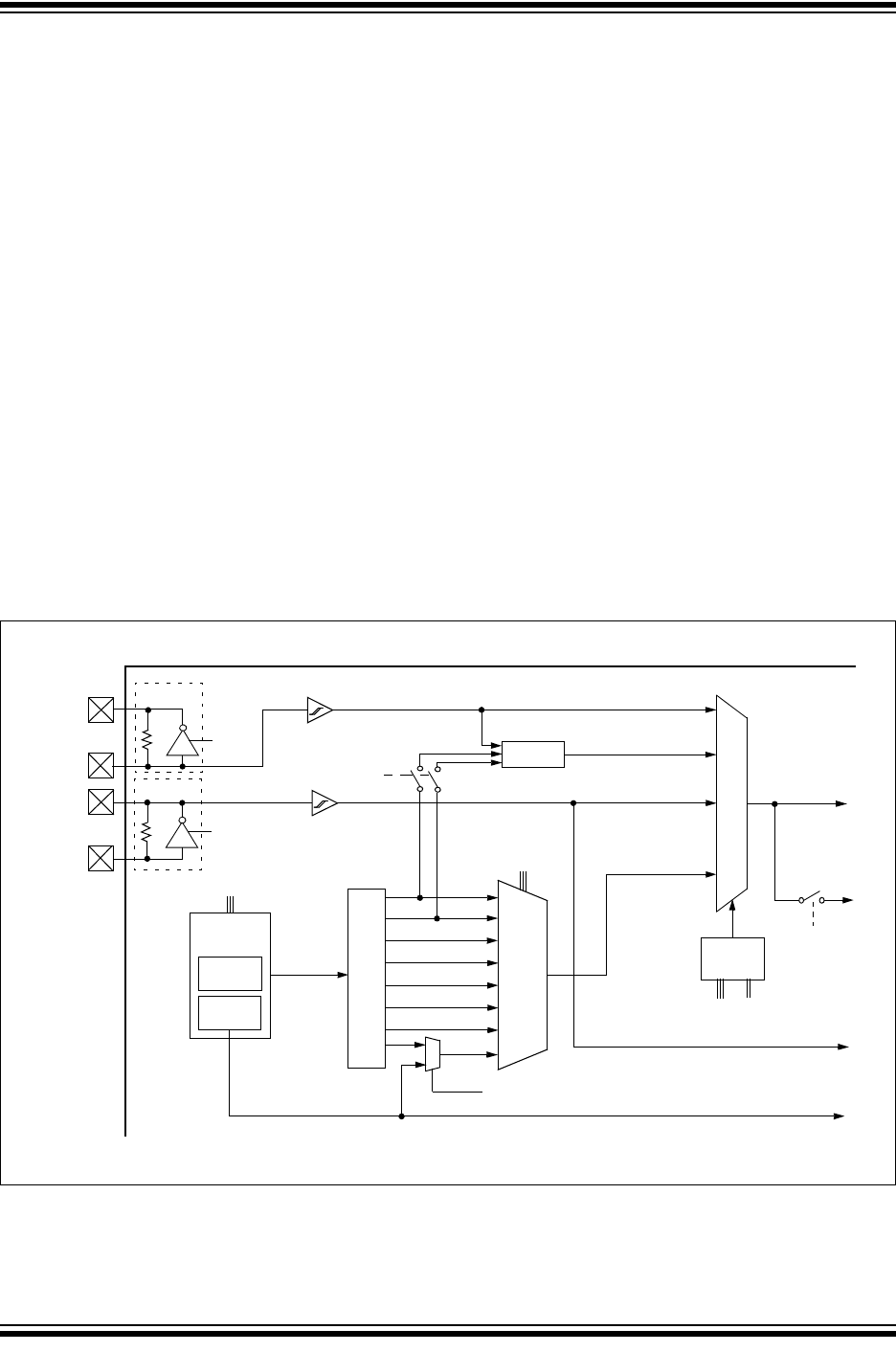
The clock sources for the PIC18F2525/2620/4525/4620
devices are shown in Figure 2-8. See Section 23.0
“Special Features of the CPU” for Configuration
register details.
FIGURE 2-8: PIC18F2525/2620/4525/4620 CLOCK DIAGRAM
PIC18F2525/2620/4525/4620
4 x PLL
FOSC3:FOSC0
Secondary Oscillator
T1OSCEN
Enable
Oscillator
T1OSO
T1OSI
Clock Source Option
for Other Modules
OSC1
OSC2
Sleep
HSPLL, INTOSC/PLL
LP, XT, HS, RC, EC
T1OSC
CPU
Peripherals
IDLEN
Postscaler
MUX
MUX
8 MHz
4 MHz
2 MHz
1 MHz
500 kHz
125 kHz
250 kHz
OSCCON<6:4>
111
110
101
100
011
010
001
000
31 kHz
INTRC
Source
Internal
Oscillator
Block
WDT, PWRT, FSCM
8 MHz
Internal Oscillator
(INTOSC)
OSCCON<6:4>
Clock
Control
OSCCON<1:0>
Source
8 MHz
31 kHz (INTRC)
OSCTUNE<6>
0
1
OSCTUNE<7>
and Two-Speed Start-up
Primary Oscillator