User manual

Page 27
144
143
142
141
140
139
138
137
136
135
134
133
132
131
13
0
129
128
127
126
125
124
123
122
121
117
118
119
120
116
115
114
113
1
12
111
110
109
106
108
107
102
103
104
105
73
30
29
28
27
34
33
58
57
56
55
54
53
52
46
36
35
42
43
44
45
37
50
9
48
49
11
12
32
72
69
68
67
66
65
64
63
4
3
78
77
24
23
18
17
16
15
14
13
5
6
7
8
10
79
80
1
2
22
21
20
19
62
61
60
59
38
39
40
41
47
71
31
51
70
26
25
76
75
74
81
82
83
84
85
86
87
88
89
90
91
92
93
94
95
96
97
98
99
100
101
LM4F232H5QD
PC5
PC6
PC7
PH0
PA5/SSI0Tx
PA4/SSI0Rx
VDD
GND
VDDA
VREFA+
PN6
PN7
GND
VDD
GND
VDD
PG3
PG2
PG1
PG0
PA6
PA7
GND
RST
PM0
OSC1
PM1
PM2
PM5
PM6
PD3
PD2
USB0VBUS/PB1
USB0ID/PB0
PL6
PL7
VDD
OSC0
PE3
PH2
PH5
PH6
PH7
PN2
PK3
PK2
PN4
PN5
PF3
PE1
PP2
GNDA
PA1/U0Tx
I2C0SCL/PB2
I2C0SDA/PB3
PD0
PD1
PH3
PH4
GND
VDD
VDDC
PG5
VDD
PF5
PG7
PG6
GND
PA2/SSI0Clk
PA0/U0Rx
PF7
PF4
PM3
PK1
PK0
PE0
PC4
PA3/SSI0FSS
PF6
PF2
PM4
PH1
GND
VDD
PE2
VREFA-
PF0
PF1
WAKE
VDD
XOSC1
HIB
XOSC0
GNDX
VBAT
GND
PN1
PN0
PM7
VDD
PL5
PL0
PL1
PL2
PL3
PL4
GND
PJ4
VDDC
GND
PJ6
VDD
PJ3
PJ0
PN3
PE7
PE6
PP1
PP0
PJ7
PJ5
PB5
PB4
PJ2
PJ1
GND
PK4
PK7
PK6
PK5
VDD
SWO/TDO/PC3
TDI/PC2
SWDIO/TMS/PC1
SWCLK/TCK/PC0
VDD
PE4
PD7
PD6
PD5
PD4
PE5
GND
PG4
U18
VCC-3.3VVCC-ADC
XOSC1
XOSC0
GNDX
OSC1
OSC0
VCC-CORE
VCC-CORE
VBAT
SPI0-MOSI
SPI0-MISO
SPI0-SCK
MP3-CS#
MP3-DREQ
MP3-RST#
MP3-DCS
R86
27
R87
27
BAT1
3000TR
X4
16MHz
C108
22pF
C107
22pF
X5
32.768KHz
C109
10pF
C110
10pF
OSC1
OSC0
XOSC1
XOSC0
GNDX
VCC-3.3V
C111
100nF
C112
100nF
C113
100nF
C114
100nF
C115
100nF
C116
100nF
C133
1uF
C129
1uF
C130
1uF
VCC-CORE
C127
100nF
C128
100nF
C135
10nF
C117
100nF
C124
1uF
FP4
VCC-ADC VCC-3.3V
C134
100nF
C118
100nF
C119
100nF
C120
100nF
C121
100nF
C122
100nF
C125
1uF
C126
1uF
LEFT
RIGHT
C48
10nF
C46
47nF
C47
10nF
GBUF
C65
100nF
C64
100nF
C63
100nF
C57
100nF
C58
100nF
C56
100nF
C60
100nF
C61
100nF
C62
100nF
VCC-1.8VVCC-3.3V
2
3
4
5
6
7
11
12
13
14
25
24
23
22
21
18
17
16
15
8
1
19
9
10 27
26
20
28
29
30
31
32
33
34
35
36
37
38
39
40
41
42
43
44
45
46
47
48
MICP/LN1
MICN
XRESET
DGND0
CVDD0
IOVDD0
CVDD1
DREQ
GPIO2
GPIO3
GPIO6
GPIO7
XDCS/BSYNC
IOVDD1
VC0
DGND1
XTAL0
XTAL1
IOVDD2
DGND2
DGND3
DGND4
XCS
CVDD2
GPIO5
RX
TX
SCLK
SI
SO
CVDD3
XTEST
GPIO0
GPIO1
GND
GPIO4
AGND0
AVDD0
AVDD2
AGND1
AGND2
AGND3
LN2
LEF
T
RCAP
AVDD1
GBUF
RIGHT
VS1053
U4
R23
10
R24
10
R25
10
R19 10
R22 10
VCC-1.8VVCC-3.3V
LEFT
RIGHT
GBUF
C44 1uF
R33
10K
GPIO
GPIO
R26
10K
VCC-3.3V
R28 27
MP3-SOUT
MP3-SIN
MP3-SCLK
MP3-DCS
MP3-DREQ
MP3-RST#
MICN
MP3-CS#
X2
12.288MHz
R34 1M
C55
22pF
C54
22pF
R27
10K
R32
10K
VCC-3.3V
E5
10uF
3
1
2
4
CN2
CUI_SJ-43514-SMT
R17
1K
R18
1K
VCC-3.3V
LN-IN_R
C49
100nF
LN-IN_L
MICP
LN-IN_R
C45 100nF
E3
10uF
E2
10uF
R15
470
C43
3.3nF
R16
100K
R13
470
C42
3.3nF
R14
100K
LINE-OUT_L
LINE-OUT_R
E4
10uF
C50
1uF
C51
1uF
C53 10nF
C52 10nF
R31
470
R30
470
SPI0-MISO
SPI0-MOSI
SPI0-SCK
MP3-DCS
MP3-DREQ
MP3-RST#
MP3-CS#
LINE-IN_R
LINE-IN_L
R20
10
R21
10
C59
2.2uF
E6
10uF
1
2
3
IN
GND
OUT
5
4
EN ADJ
U5
AP7331-ADJ
R35
100K
R36
27K4
R37
1K
VCC-3.3V
VCC-1.8V
1
2
3
J1
MIC/LN-IN_L
MICP
LN-IN_L
MIC/LN-IN_L
C138
100nF
Vdc
HDR2
M1X26
27
28
29
30
31
32
33
34
35
36
37
38
39
40
41
42
43
44
45
46
47
48
49
50
51
52
VCC-3.3V
LINE-OUT_L
LINE-IN_L
LINE-IN_R
LINE-OUT_R
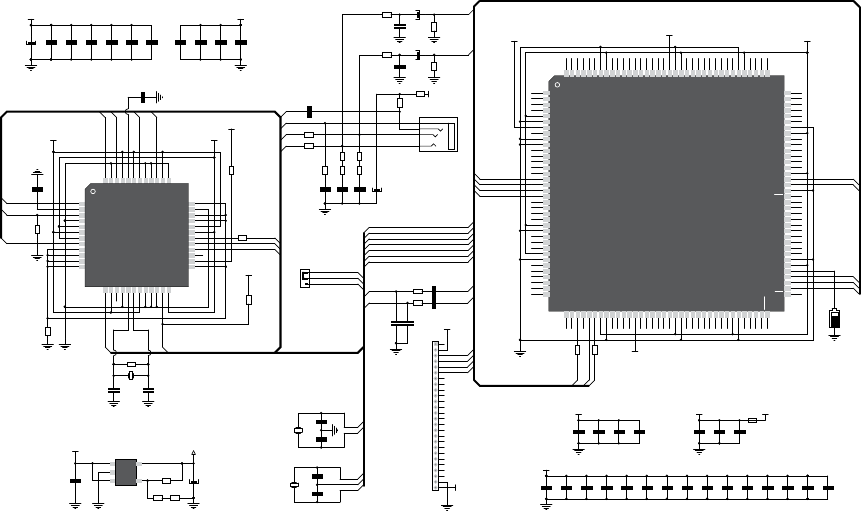
Figure 8-2: Audio module connection schematic










