User manual

Page 41
144
143
142
141
140
139
138
137
136
135
134
133
132
131
13
0
129
128
127
126
125
124
123
122
121
117
118
119
120
116
115
114
113
1
12
111
110
109
106
108
107
102
103
104
105
73
30
29
28
27
34
33
58
57
56
55
54
53
52
46
36
35
42
43
44
45
37
50
9
48
49
11
12
32
72
69
68
67
66
65
64
63
4
3
78
77
24
23
18
17
16
15
14
13
5
6
7
8
10
79
80
1
2
22
21
20
19
62
61
60
59
38
39
40
41
47
71
31
51
70
26
25
76
75
74
81
82
83
84
85
86
87
88
89
90
91
92
93
94
95
96
97
98
99
100
101
LM4F232H5QD
PC5
PC6
PC7
PH0
PA5/SSI0Tx
PA4/SSI0Rx
VDD
GND
VDDA
VREFA+
PN6
PN7
GND
VDD
GND
VDD
PG3
PG2
PG1
PG0
PA6
PA7
GND
RST
PM0
OSC1
PM1
PM2
PM5
PM6
PD3
PD2
USB0VBUS/PB1
USB0ID/PB0
PL6
PL7
VDD
OSC0
PE3
PH2
PH5
PH6
PH7
PN2
PK3
PK2
PN4
PN5
PF3
PE1
PP2
GNDA
PA1/U0Tx
I2C0SCL/PB2
I2C0SDA/PB3
PD0
PD1
PH3
PH4
GND
VDD
VDDC
PG5
VDD
PF5
PG7
PG6
GND
PA2/SSI0Clk
PA0/U0Rx
PF7
PF4
PM3
PK1
PK0
PE0
PC4
PA3/SSI0FSS
PF6
PF2
PM4
PH1
GND
VDD
PE2
VREFA-
PF0
PF1
WAKE
VDD
XOSC1
HIB
XOSC0
GNDX
VBAT
GND
PN1
PN0
PM7
VDD
PL5
PL0
PL1
PL2
PL3
PL4
GND
PJ4
VDDC
GND
PJ6
VDD
PJ3
PJ0
PN3
PE7
PE6
PP1
PP0
PJ7
PJ5
PB5
PB4
PJ2
PJ1
GND
PK4
PK7
PK6
PK5
VDD
SWO/TDO/PC3
TDI/PC2
SWDIO/TMS/PC1
SWCLK/TCK/PC0
VDD
PE4
PD7
PD6
PD5
PD4
PE5
GND
PG4
U18
VCC-3.3VVCC-ADC
XOSC1
XOSC0
GNDX
OSC1
OSC0
VCC-CORE
VCC-CORE
VBAT
AN-TEMP
AN-PD
LED-R
LED-G
LED-B
IR-RX
BAT1
3000TR
X4
16MHz
C108
22pF
C107
22pF
X5
32.768KHz
C109
10pF
C110
10pF
OSC1
OSC0
XOSC1
XOSC0
GNDX
1
2
3
VDD
VOUT
GND
U15
MCP9700A
VCC-3.3V
C102
100nF
AN-TEMP
C101
100nF
R75
100
LD4
PD15
1
2
3
84
U17A
LM358
R77
27K4
VCC-3.3V
AN-PD
5
6
7
U17B
LM358
C103
100nF
VCC-3.3V
R76
100K
R78
1M
C150
100nF
R40
150K
VCC-3.3V
IR_RX
C100
4.7uF
4
3
2
1
U16
TSOP6238
1
2 3
R1
R2
Q5
PDTC114EU
R71
2K2
VCC-5V
LED_R
LD3
1
2
3
R1
R2
Q6
PDTC114EU
R72
3K3
VCC-5V
LED_G
LD3
1
2 3
R1
R2
Q7
PDTC114EU
R73
2K2
VCC-5V
LED_B
LD3
VCC-3.3V
C111
100nF
C112
100nF
C113
100nF
C114
100nF
C115
100nF
C116
100nF
C133
1uF
C129
1uF
C130
1uF
VCC-CORE
C127
100nF
C128
100nF
C135
10nF
C117
100nF
C124
1uF
FP4
VCC-ADC VCC-3.3V
C134
100nF
C118
100nF
C119
100nF
C120
100nF
C121
100nF
C122
100nF
C125
1uF
C126
1uF
VCC-3.3V
VCC-3.3V
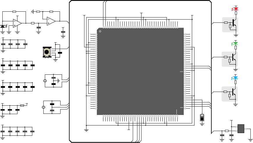
Figure 15-1: Other modules schematic










