User manual

Page 7
CN3
Vusb_OUT Vdc
Vbat_IN
CN5
R42
10K
R46
10K
R41
100K
L2
1.5uH
R43
1K
C66
22uF
C71
100nF
C70
10pF
C67
22uF
C68
22uF
R45
10K
R50
100K
L3
1.5uH
R52
12K
C74
22uF
C77
100nF
C78
10pF
C75
22uF
C76
22uF
R53
4K7
VCC-5V
VCC-3.3V
VCC-5V
R39
10K
R38
10K
USB-PSW#
E7
10uF
1
2
3
OUT
GND
IN
5
4
OCEN
U6
TPS2041B
VCC-3.3V
E8
10uF
USB-VBUS_ER#
E9
10uF
USB-VBUS
R47
1K
Vusb_IN
D5
B340A
D2
B340A
D4
PMEG3010ER
D3
PMEG3010ER
10
9
8
7
65
4
3
2
1
PG
VIN
L1
EN
PS
VAUX
GND
FB
L2
VOUT
PGND
U7
TPS63060
10
9
8
7
65
4
3
2
1
PG
VIN
L1
EN
PS
VAUX
GND
FB
L2
VOUT
PGND
U9
TPS63060
USB-ID
USB-VBUS
USB-PSW#
USB-VBUS_ER#
R49
1M
R51
1M
R54
1M
BAT-VSENSE
BAT-VSENSE
R55
1K
C73
22uF
C69
22uF
LD1
R44
470
POWER
USB-VBUS_ER#
USB-PSW#
USB-VBUS
USB-ID
VCC-3.3V
1
2
3
4
5
GND
ID
D+
D-
VBUS
CN4
USB MINIB
C136
100nF
VIN
PWR-EN
PWR-EN
1
2
3
SW1
JS202011AQN
R29
100K
C72
1uF
C79
100nF
C140
10nF
C141
100pF
C142
1uF
C143
100nF
C144
10nF
C145
100pF
V_INPUT
FP5
VIN
VIN
1
2 3
R1
R2
Q1
PDTC114EU
R2
10K
VCC-3.3V
DC-VBUS#
DC-VBUS#
M2
DMP2160UW
M1
DMP2160UW
VCC-3.3V
Vbat_IN
R62
3K9
Charging Current approx. 250mA
R57
1K
VCC-3.3V
E10 10uF
R60
10K
R58
10K
VCC-3.3V
BAT-STAT
R61
10K
R59
1K
VCC-3.3V
R56
10K
VCC-3.3V
3
2
1 5
4
STAT
VSS
VBAT VDD
PROG
U11
MCP73832
Q3
BC846
Q4
BC846
C81
10uF
LD2
CHARGE
C80
2.2uF
VCC-5V
R104
10K
R105
1K
VCC-5V
M3
DMP2160UW
M4
DMG3420U
V_INPUT
BAT-STAT
USB-ID
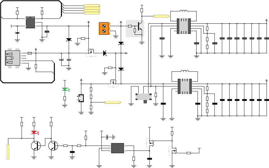
Figure 1-4: Power
supply schematic










