Datasheet

Page 21
C132
10nF
75
74
73
72
71
70
69
68
67
66
64
65
63
62
61
60
59
58
57
56
55
54
53
52
51
50
49
4
8
47
46
45
44
43
42
41
40
39
38
37
36
35
34
33
32
31
30
29
28
27
26
9
11
12
4
3
78
77
24
23
18
17
16
15
14
13
5
6
7
8
10
79
80
1
2
22
21
20
19
25
76
PIC32MX795F512L
81
82
83
84
85
86
87
88
89
90
91
92
93
94
95
96
97
98
99
100
RB11
RB10
RB9
RB8
RB13
RB12
RE7
RC1
RC2
RC3
RD9
RD8
RA15
D+/RG2
RB
1
5
R
B
14
RF8
VBUS
VUSB
D-/RG3
VS
S
VDD
RA6
R
G0
RG1
RE0
RF1
RF0
R
D
7
R
D
6
RE6
RE5
RE2
RG13
RG12
RG14
RE1
RA7
RG8
RA9
RB2
RB3
RB4
RB5
RE9
RE8
RD11
RD10
RF2
RF3
RG9
RG7
RG6
RA1
R
E
3
RE4
RG15
VDD
RB7
RB6
RB0
RB1
RF
4
RF5
RA14
RA5
RD14
RD15
RA2
R
F
13
VDD
RA3
VDD
VDD
RA0
VDD
VSS
V
SS
RF12
RA4
VSS
VCAP/VDDCORE
AVSS
AVDD
RA10
MCLR
RC4
OSC1/RC12
OSC2/RC15
RD0
RD3
RD1
SOSCI/RC13
SOSCO/RC14
VSS
RD2
RD12
RD13
R
D
4
RD
5
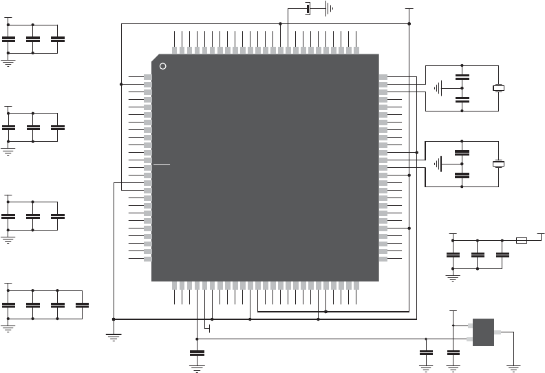
U18
X5
32.768KHz
C109
22pF
C110
22pF
VCC-3.3V
VCC-ADC
E10
10uF
X4
16MHz
C107
22pF
C108
22pF
C133
1uF
C135
10nF
FP4
VCC-ADC VCC-3.3V
C134
100nF
VCC-3.3V
C114
100nF
C115
100nF
C116
100nF
VCC-3.3V
C111
100nF
C112
100nF
C113
100nF
VCC-3.3V
C117
100nF
C124
1uF
C125
1uF
VCC-3.3V
C126
1uF
C127
10nF
C128
10nF
C129
10nF
VCC-3.3V
C105
1uF
C104
100nF
1
2
3
IN
OUT
GND
REF1
MAX6106EUR+
Figure 5-2: Crystal oscillators and voltage reference connection schematic










