Datasheet

Page 29
75
74
73
72
71
70
69
68
67
66
64
65
63
62
61
60
59
58
57
56
55
54
53
52
51
50
49
48
47
46
45
44
43
42
41
40
39
38
37
36
35
34
33
32
31
30
29
28
27
26
9
11
12
4
3
78
77
24
23
18
17
16
15
14
13
5
6
7
8
10
79
80
1
2
22
21
20
19
25
76
PIC32MX795F512L
81
82
83
84
85
86
87
88
89
90
91
92
93
94
95
96
97
98
99
100
RB11
RB10
RB9
RB8
RB13
RB12
RE7
RC1
RC2
RC3
RD9
RD8
RA15
D+/RG2
RB15
RB14
RF8
VBUS
VUSB
D-/RG3
VSS
VDD
RA6
RG0
RG1
RE0
RF1
RF0
RD7
RD6
RE6
RE5
RE2
RG13
RG12
RG14
RE1
RA7
RG8
RA9
RB2
RB3
RB4
RB5
RE9
RE8
RD11
RD10
RF2
RF3
RG9
RG7
RG6
RA1
RE3
RE4
RG15
VDD
RB7
RB6
RB0
RB1
RF4
RF5
RA14
RA5
RD14
RD15
RA2
RF13
VDD
RA3
VDD
VDD
RA0
VDD
VSS
VSS
RF12
RA4
VSS
VCAP/VDDCO
RE
AVSS
AVDD
RA10
MCLR
RC4
OSC1/RC12
OSC2/RC15
RD0
RD3
RD1
SOSCI/RC13
SOSCO/RC14
VSS
RD2
RD12
RD13
RD4
RD5
U18
VCC-3.3V
SPI_MOSI
SPI_MISO
SPI_SCK
MP3-CS#
MP3-DREQ
MP3-RST#
MP3-DCS
VCC-ADC
OSC1
OSC0
SOSCI
SOSCO
E10
10uF
R100 27
R101 27
C59
2.2uF
E6
10uF
1
2
3
IN
GND
OUT
5
4
EN ADJ
U5
AP7331-ADJ
R35
100K
R36
27K4
R37
1K
VCC-3.3V VCC-1.8V
C65
100nF
C64
100nF
C63
100nF
C57
100nF
C58
100nF
C56
100nF
C60
100nF
C61
100nF
C62
100nF
VCC-1.8VVCC-3.3V
E5
10uF
C138
100nF
LEFT
RIGHT
C48
10nF
C46
47nF
C47
10nF
GBUF
2
3
4
5
6
7
11
12
13
14
25
24
23
22
21
18
17
16
15
8
1
19
9
10 27
26
20
28
29
30
31
32
33
34
35
36
37
38
39
40
41
42
43
44
45
46
47
48
MICP/LN1
MICN
XRESET
DGND0
CVDD0
IOVDD0
CVDD1
DREQ
GPIO2
GPIO3
GPIO6
GPIO7
XDCS/BSYNC
IOVDD1
VC0
DGND1
XTAL0
XTAL1
IOVDD2
DGND2
DGND3
DGND4
XCS
CVDD2
GPIO5
RX
TX
SCLK
SI
SO
CVDD3
XTEST
GPIO0
GPIO1
GND
GPIO4
AGND0
AVDD0
AVDD2
A
G
ND1
AGND2
AGND3
LN2
LEFT
RCAP
AVDD1
GBUF
RIGHT
VS1053
U4
R23
10 10
R24
R25
10
R19 10
R22 10
VCC-1.8VVCC-3.3V
C44
1uF
R33
10K
GPIO
GPIO
R26
10K
VCC-3.3V
R28 27
SPI_MISO
SPI_MOSI
SPI_SCK
MP3-DCS
MP3-DREQ
MP3-RST#
MICN
MP3-CS#
X2
12.288MHz
R34 1M
C55
22pF
C54
22pF
R27
10K
R32
10K
VCC-3.3V
3
1
2
4
CN2
CUI_SJ-43514-SMT
R17
1K
R18
1K
VCC-3.3V
LEFT
RIGHT
GBUF
LN-IN_R
C49
100nF
LN-IN_L
MICP
LN-IN_R
C45
100nF
E3
10uF
E2
10uF
R15
470
C43
3.3nF
R16
100K
R13
470
C42
3.3nF
R14
100K
LINE
_OUT_L
LINE
_OUT_R
E4
10uF
C50
1uF
C51
1uF
C53 10nF
C52 10nF
R31
470
R30
470
SPI_MISO
SPI_MOSI
SPI_SCK
MP3-DCS
MP3-DREQ
MP3-RST#
MP3-CS#
LINE
_IN_R
R20
10 10
R21
1
2
3
J1
MIC/LN-IN_L
MICP
LN-IN_L
MIC/LN-IN_L
LINE
_IN_L
Vdc
LINE_OUT_L
LINE_OUT_R
LINE_IN_R
LINE_IN_L
HDR2
M1X26
27
28
29
30
31
32
33
34
35
36
37
38
39
40
41
42
43
44
45
46
47
48
49
50
51
52
VCC-3.3V
OSC1
OSC2
SOSCI
SOSCO
X5
32.768KHz
C109
22pF
C110
22pF
X4
16MHz
C107
22pF
C108
22pF
VCC-3.3V
C111
100nF
C112
100nF
C113
100nF
C114
100nF
C115
100nF
C116
100nF
C133
1uF
C135
10nF
C117
100nF
C124
1uF
FP4
VCC-ADC VCC-3.3V
C134
100nF
C125
1uF
C126
1uF
C127
10nF
C128
10nF
C129
10nF
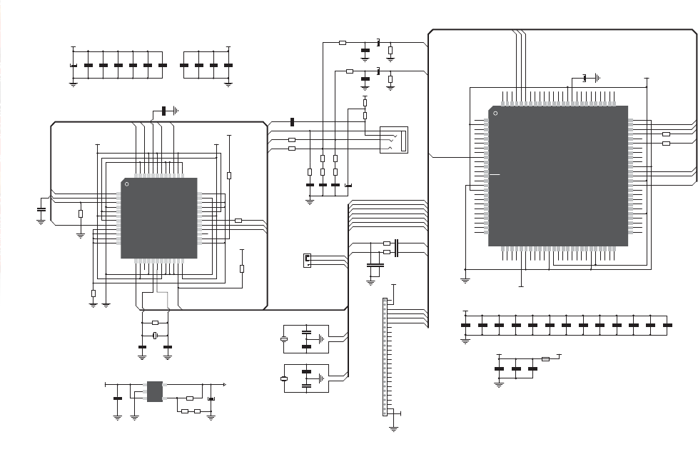
Figure 9-2: Audio module connection schematic










