Datasheet

Page 33
75
74
73
72
71
70
69
68
67
66
64
65
63
62
61
60
59
58
57
56
55
54
53
52
51
50
49
48
47
46
45
44
43
42
41
4
0
39
38
37
36
35
34
33
32
31
30
29
28
27
26
9
11
12
4
3
78
77
24
23
18
17
16
15
14
13
5
6
7
8
10
79
80
1
2
22
21
20
19
25
76
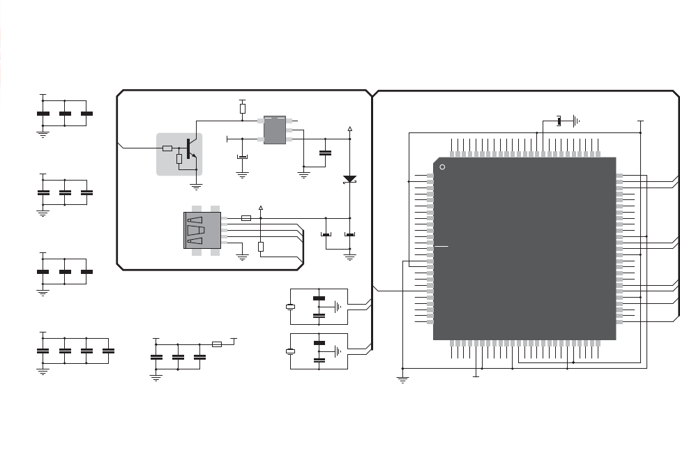
PIC32MX795F512L
81
82
83
84
85
86
87
88
89
90
9
1
92
93
94
95
96
97
98
99
100
RB11
RB10
RB9
RB8
RB13
RB12
RE7
RC1
RC2
RC3
RD9
RD8
RA15
D+/RG2
RB15
RB14
RF8
VBUS
VUSB
D-/RG3
VSS
VDD
RA6
RG0
RG1
RE0
RF1
RF0
RD7
RD6
RE6
RE5
RE2
RG13
RG12
RG14
RE1
RA7
RG8
RA9
RB2
RB3
RB4
RB5
RE9
RE8
RD11
RD10
RF2
RF3
RG9
RG7
RG6
RA1
RE3
RE4
RG15
VDD
RB7
RB6
RB0
RB1
RF4
RF5
RA14
RA5
RD14
RD15
RA2
RF13
VDD
RA3
VDD
VDD
RA0
VDD
VSS
VSS
RF12
RA4
VSS
VCAP/VDDC
O
RE
AVSS
AVDD
RA10
MCLR
RC4
OSC1/RC12
OSC2/RC15
RD0
RD3
RD1
SOSCI/RC13
SOSCO/RC14
VSS
RD2
RD12
RD13
R
D4
RD5
U18
VCC-3.3V
USB-D_P
USB-D_N
USB-ID
USB-VBUS
USB-PSW
OSC1
OSC2
SOSCI
SOSCO
E10
10uF
Vusb_OUT
VCC-5V
R38
10K
USB-PSW
E7
10uF
1
2
3
OUT
GND
IN
5
4
OCEN
U6
TPS2041B
E8
10uF
E9
10uF
USB-D_N
USB-D_P
USB-ID
USB-VBUS
R47
1K
Vusb_IN
D3
PMEG3010ER
VCC-3.3V
1
2
3
4
5
GND
ID
D+
D-
VBUS
CN4
USB MINIB
C136
100nF
FP5
1
2 3
R1
R2
Q1
PDTC114EU
OSC1
OSC2
SOSCI
SOSCO
X5
32.768KHz
C109
22pF
C110
22pF
X4
16MHz
C107
22pF
C108
22pF
VCC-ADC
C133
1uF
C135
10nF
FP4
VCC-ADC VCC-3.3V
C134
100nF
VCC-3.3V
C114
100nF
C115
100nF
C116
100nF
VCC-3.3V
C111
100nF
C112
100nF
C113
100nF
VCC-3.3V
C117
100nF
C124
1uF
C125
1uF
VCC-3.3V
C126
1uF
C127
10nF
C128
10nF
C129
10nF
Figure 11-2: USB HOST module connection schematic










