Datasheet

www.mikroe.com
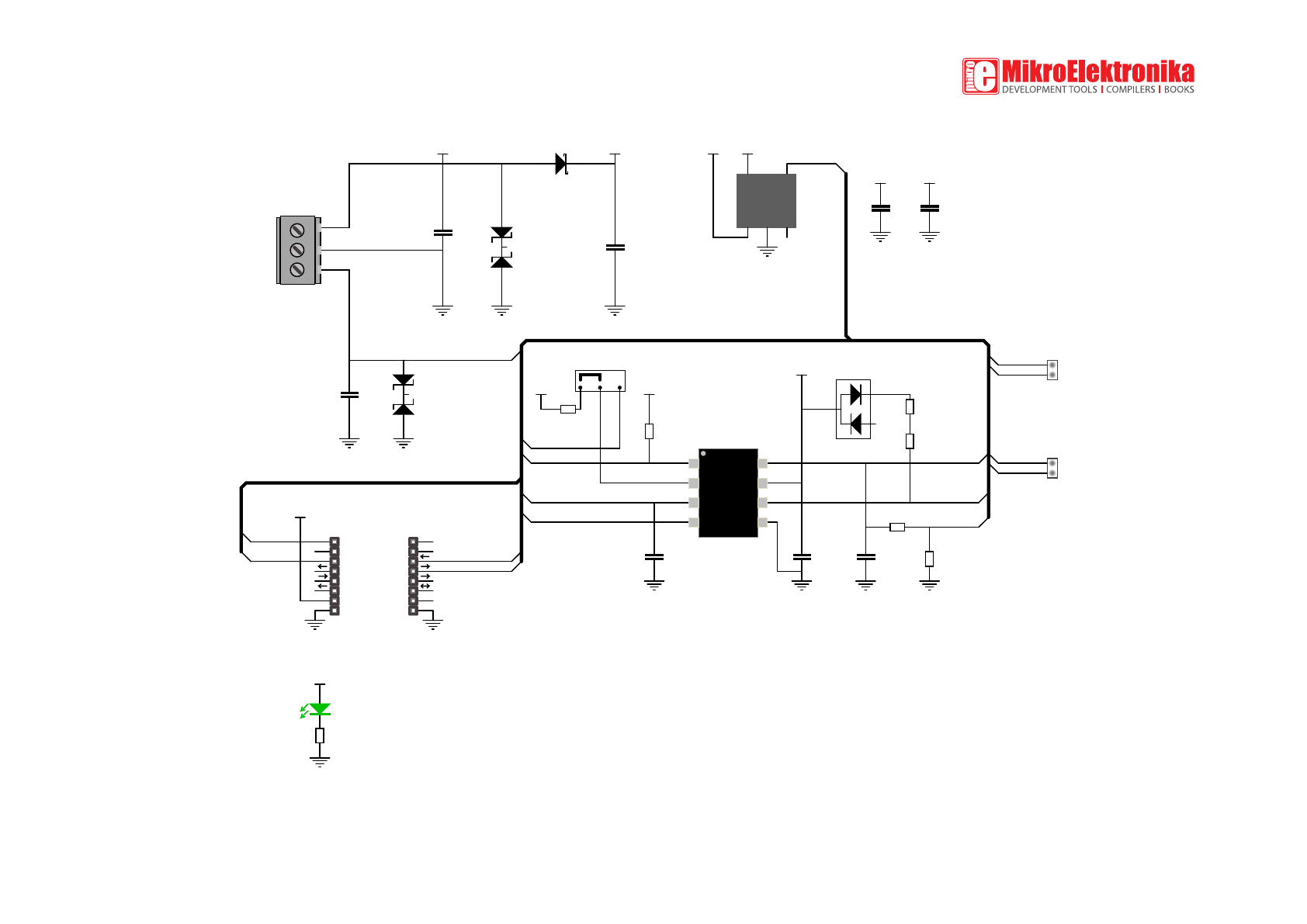
MCP2003B click schematic v100
MikroElektronika assumes no responsibility or liability for any errors or inaccuracies that may appear in the present document.
Specification and information contained in the present schematic are subject to change at any time without notice. Copyright©2016 MikroElektronika. All rights reserved.
C1
1uF
C2
4.7uF
GND
VREGVBB
D1
MBRA140T3G
VBBVBAT
C3
220pF
C4
10uF
CN1
D3
MMBZ27VC
D4
MMBZ27VC
GND GND GND
GND
C5
220pF
GND
LBUS
AN
RST
CS
SCK
MOSI
MISO
+3.3V
GND
PWM
INT
RX
TX
SCL
SDA
+5V
GND
MIKROBUS
VREG
GND GND
RXD
TXD
VRENDIV
LWAKE
R1
470R
PWR
VREG
GND
TXD
4
VSS
5
LBUS
6
VBB
7
CS
2
WAKE
3
VREN
8
RXD
1
U2
MCP2003B
C6
220pF
GND
TXD
RXD
C7
100nF
C8
100nF
R6
10K
R2
2K2
R5
1K
R4
10K
R3
47K
VREG
VBB
GND
LBUS
VREN
GND GND
VRENDIV
DIODE_BAV99
1
2
3
J1
VREG
LWAKE
RXD
TXD
NW
LWAKE
NW
VREGVBB
GND
GND
VREN
NC
3
GND
2
VIN
1
SHDN
4
VOUT
5
MCP1804
1
2
HD1
N1X2
1
2
HD2
N1X2
JMPR
0R

