Datasheet

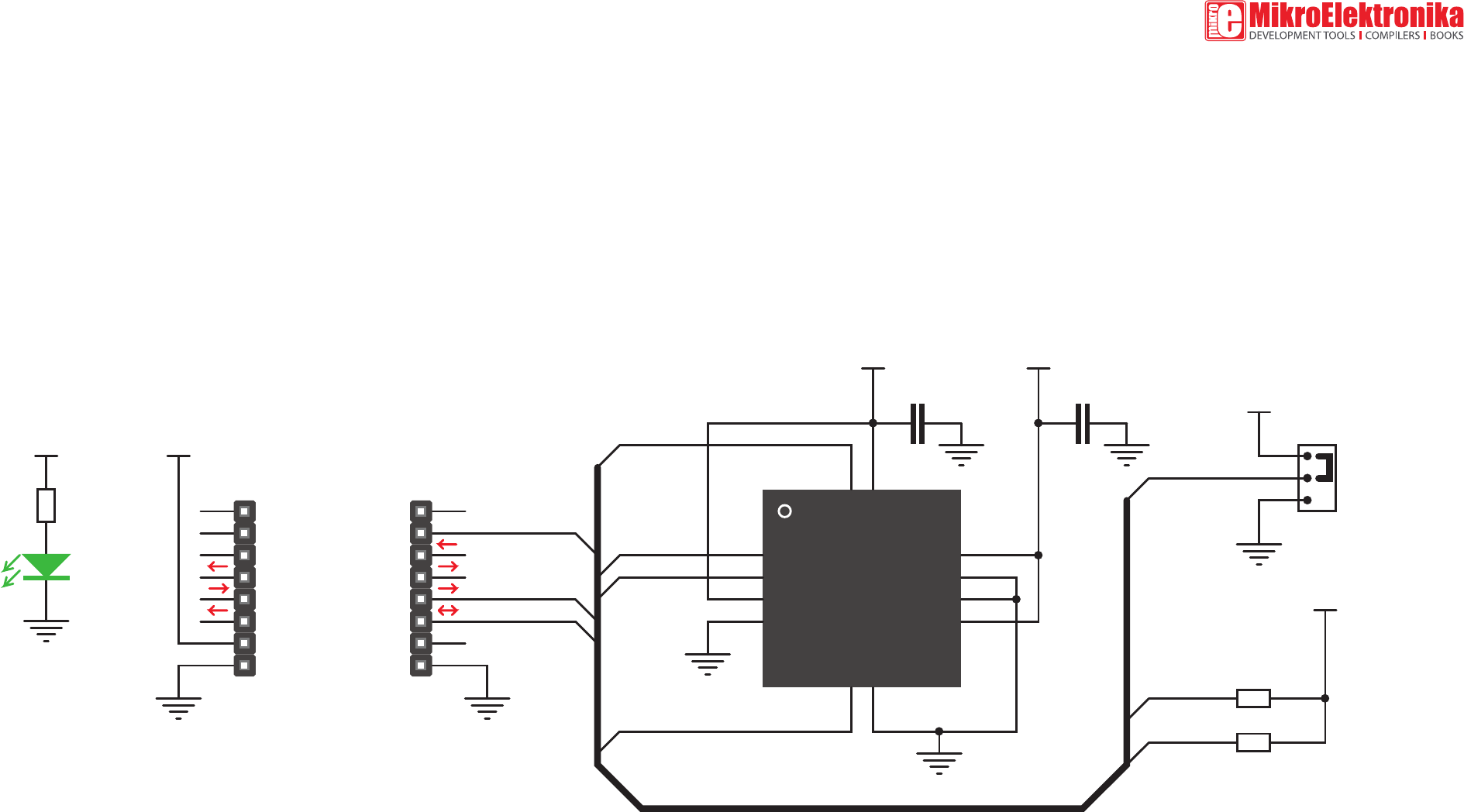
Accel 7 click schematic v101
www.mikroe.com
MikroElektronika assumes no responsibility or liability for any errors or inaccuracies that may appear in the present document.
Specification and information contained in the present schematic are subject to change at any time without notice.
Copyright©2018 MikroElektronika. All rights reserved.
VCC
VCC
AN
RST
CS
SCK
MOSI
MISO
+3.3V
GND
PW M
INT
RX
TX
SCL
SDA
+5V
GND
MIKROBUS DEVICE CONN
R1
470
LD1
PWR
VCC
ADDR
SDA
INT
VCC
SCL
C2 100nC1 100n
INT
SDA
SCL
1
2
3
JP1
VCC
ADDR
VCC
SDA
SCL
R3 2.2k
R2 2.2k
SDA
2
IO_VDD
3
RES
4
INT
5
ADDR
1
VDD
7
GND
8
GND
9
VDD
10
GND
6
SCL
12
IO_VDD
11
U1 KXTJ3-1057

