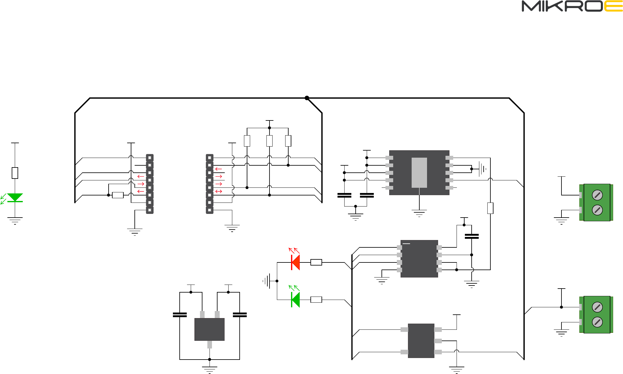
Datasheet

Charger 11 click schematic v100
www.mikroe.com
Mikroelektronika assumes no responsibility or liability for any errors or inaccuracies that may appear in the present document.
Specification and information contained in the present schematic are subject to change at any time without notice. Copyright©2019 MikroElektronika. All rights reserved.
+3V3+3V3
R1
470
PWR
VDD
1
VDD
2
VBAT
3
VBAT
4
STAT
7
VSS
8
VSS
9
PROG
10
11
NC
5
NC
6
GND
U1
MCP73123T
LD1
Vin
Vin
VBAT
CS
1
SCK
2
SDI
3
VSS
4
P0A
5
P0W
6
P0B
7
VDD
8
U2
MCP4161
VDD
1
VSS
2
AIN
3
SDA
4
SCL
5
U3
MCP3221A5T
1
2
3
VDD
VOUT
GND
U4 MCP1541
C3
100n
+5V
VBAT
C2
4.7µF
C1
4.7µF
GND
CS
SCK
SDI/SDO
VREF
VREF
VBAT
SCL
SDA
R2
10k
R3
10k
+3V3
CS
SCK
SDI/SDO
SCL
SDA
STAT
R5
1k
C4
100n
C5
10µF
+5V
R6
1k
R4
1k
STAT
LED1 LED2
R7
1k
LD2
LED1
LED2
+5V
Voltage Reference: 4.096V
A/D Converter: 12-Bit
Digital Rheostat (10kOhm)
Charger for LiFePO4 Battery
R8
2.2k
TB1
282834-2
TB2
282834-2
AN
RST
CS
SCK
MOSI
MISO
+3.3V
GND
PWM
INT
RX
TX
SCL
SDA
+5V
GND
MBD1
MIKROBUS DEVICE CONN

