Datasheet

Page 21
27
28
29
30
31
32
33
34
35
36
37
38
39
40
41
42
43
44
45
46
47
48
49
50
51
52
HDR2
M1X26
VCC-3.3
RST
R8
10K
VCC-3.3
C3
100nF
T1
BUTTON
R7
100
T2
BUTTON
RST
C5
100nF
C6
100nF
C7
100nF
C8
100nF
VCC-3.3
VCC-3.3
VCC-3.3
VCC-3.3
VCC-3.3
C25
100nF
VCC-3.3
X1
8MHz
C2 22pF
C1 22pF
X3
32.768kHz
C31 22pF
C30 22pF
CLKO
CLKI
SOSCO
SOSCI
VCC-3.3
E8
10uF
Vcap
E9 10uF
VDD
16
RE6
4
RE5
3
RB0
25
RB1
24
RB2
23
RB3
22
RB4
21
RB5
20
RE7
5
RG6/SCK2
10
RG7/SDI2
11
VSS
15
RG9
14
RG8/SDO2
12
MCLR
13
RG15
1
VDD
2
RC1
6
RC2
7
RC3
8
RC4
9
RA0/TMS
17
RE8/INT1
18
RE9/INT2
19
RB11
35
AVDD
30
RB9
33
RB8
32
RB13
42
RB12
41
RB15
44
RB14
43
RF4
49
RF5
50
VSS
36
RB6
26
AVSS
31
RB10
34
RB7
27
VDD
37
RA9
28
RA10/VREF+
29
RA1
38
RF13
39
RF12
40
RD14
47
RD15
48
VSS
45
VDD
46
RC14
74
RC13
73
RD0
72
RD11
71
RD10
70
VDD
62
VSS
65
D+/RG2
57
RF3
51
U1RX/RF2
52
VUSB
55
D-/RG3
56
OSC2
64
RD8
68
OSC1
63
RD9
69
VSS
75
RA14
66
RA15
67
RA4
60
RA5
61
SCL2/RA2
58
SDA2/RA3
59
U1TX/RF8
53
VBUS
54
RD2
77
RF0
87
RD7
84
RD6
83
RD5
82
RD4
81
RE4
100
ENVREG
86
Vcap/VDDcore
85
RD1
76
RE0
93
RD3
78
RF1
88
RE1
94
RE2
98
RE3
99
RG13
97
RG12
96
RG14
95
RA7
92
RA6
91
RG0
90
RG1
89
RD13
80
RD12
79
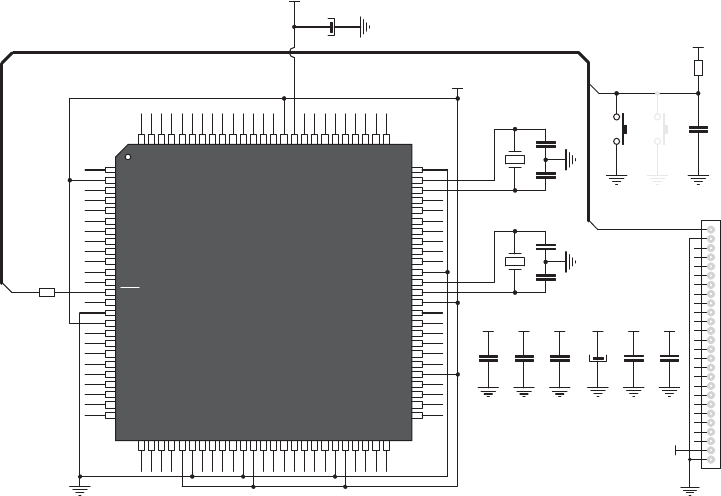
U1
PIC32MX460F512L
RST
Figure 4-3: Reset circuit schematic










