User manual

Table Of Contents
286
mikoC PRO for PIC32
MikroElektronika
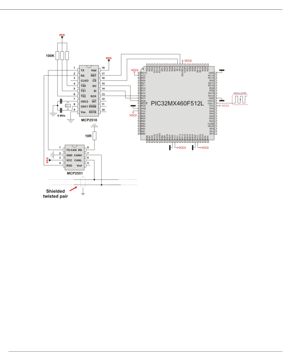
HW Connection
Example of interfacing CAN transceiver MCP2510 with MCU via SPI interface