User manual

Table Of Contents
mikroC PRO for PIC32
MikroElektronika
465
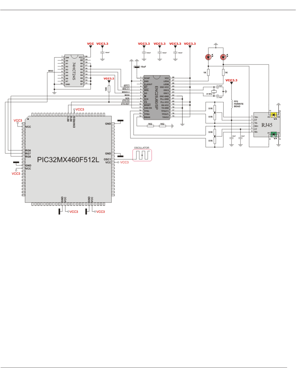
HW Connection