User manual

Table Of Contents
mikroC PRO for PIC32
MikroElektronika
599
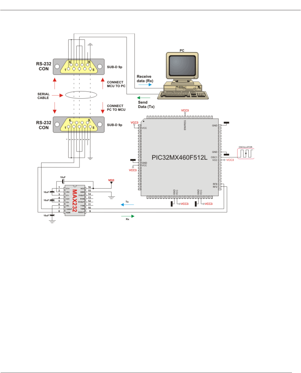
HW Connection
RS232 HW connection