Wiring Circuit Diagrams
Table Of Contents
- WORKSHOP MANUAL
- CIRCUIT DIAGRAMS
- J/B
- J/C
- J/C
- CENTRALIZED JUNCTION
- POWER DISTRIBUTION SYSTEM
- POWER DISTRIBUTION SYSTEM
- STARTING SYSTEM
- STARTING SYSTEM
- IGNITION SYSTEM <4G1-M/T (LHD)>
- IGNITION SYSTEM <4G1-M/T (RHD)>
- IGNITION SYSTEM <4G1-A/T (LHD)>
- IGNITION SYSTEM <4G1-A/T (RHD)>
- IGNITION SYSTEM <4G6 (LHD)>
- IGNITION SYSTEM <4G6 (RHD)>
- CHARGING SYSTEM
- CHARGING SYSTEM
- ENGINE CONTROL SYSTEM <4G1-M/T (LHD)>
- ENGINE CONTROL SYSTEM <4G1-M/T (RHD)>
- ENGINE CONTROL SYSTEM <4G1-A/T (LHD)>
- ENGINE CONTROL SYSTEM <4G1-A/T (RHD)>
- ENGINE CONTROL SYSTEM <4G6 (LHD)>
- ENGINE CONTROL SYSTEM <4G6 (RHD)>
- COOLING SYSTEM
- COOLING SYSTEM
- INVECS-II 4A/T
- INVECS-II 4A/T
- HEADLAMP
- HEADLAMP
- TAIL LAMP, POSITION LAMP, LICENCE PLATE LAMP AND LIGHTING MONITOR BUZZER
- TAIL LAMP, POSITION LAMP, LICENCE PLATE LAMP AND LIGHTING MONITOR BUZZER
- FRONT FOG LAMP
- FRONT FOG LAMP
- ROOM LAMP AND LUGGAGE COMPARTMENT LAMP
- ROOM LAMP AND LUGGAGE COMPARTMENT LAMP
- ROOM LAMP,PERSONAL LAMP AND LUGGAGE ROOM LAMP
- ROOM LAMP,PERSONAL LAMP AND LUGGAGE ROOM LAMP
- REAR FOG LAMP
- REAR FOG LAMP
- HEADLAMP LEVELING SYSTEM
- HEADLAMP LEVELING SYSTEM
- TURN SIGNAL LAMP AND HAZARD LAMP
- TURN SIGNAL LAMP AND HAZARD LAMP
- BACKUP LAMP
- BACKUP LAMP
- STOP LAMP
- STOP LAMP
- STOP LAMP
- STOP LAMP
- HORN
- METER AND GAUGE
- METER AND GAUGE
- FUEL WARNING LAMP, OIL PRESSURE WARNING LAMP, BRAKE WARNING LAMP
- FUEL WARNING LAMP, OIL PRESSURE WARNING LAMP, BRAKE WARNING LAMP
- POWER WINDOWS
- POWER WINDOWS
- CENTRAL DOOR LOCKING SYSTEM
- CENTRAL DOOR LOCKING SYSTEM
- CENTRAL DOOR LOCKING SYSTEM
- CENTRAL DOOR LOCKING SYSTEM
- CENTRAL DOOR LOCKING SYSTEM
- CENTRAL DOOR LOCKING SYSTEM
- HEATER
- HEATER
- MANUAL AIR CONDITIONER
- MANUAL AIR CONDITIONER
- WINDSHIELD WIPER AND WASHER
- WINDSHIELD WIPER AND WASHER
- REAR WIPER AND WASHER
- REAR WIPER AND WASHER
- REAR WINDOW DEFOGGER AND DOOR MIRROR HEATER
- REAR WINDOW DEFOGGER AND DOOR MIRROR HEATER
- REMOTE CONTROLLED MIRROR
- REMOTE CONTROLLED MIRROR
- HEADLAMP WASHER
- SPARE CONNECTOR (FOR AUDIO)
- SPARE CONNECTOR (FOR AUDIO)
- CLOCK
- CIGARETTE LIGHTER AND ASHTRAY ILLUMINATION LAMP
- ACCESSORY SOCKET
- SPARE CONNECTOR (FOR FORNT FOG LAMP)
- IMMOBILIZER SYSTEM
- IMMOBILIZER SYSTEM
- ABS
- ABS
- HEATED SEAT
- RHEOSTAT
- RHEOSTAT
- SUPPLEMENTAL RESTRAINT SYSTEM (SRS)
- SUPPLEMENTAL RESTRAINT SYSTEM (SRS)
- CIRCUIT DIAGRAMS

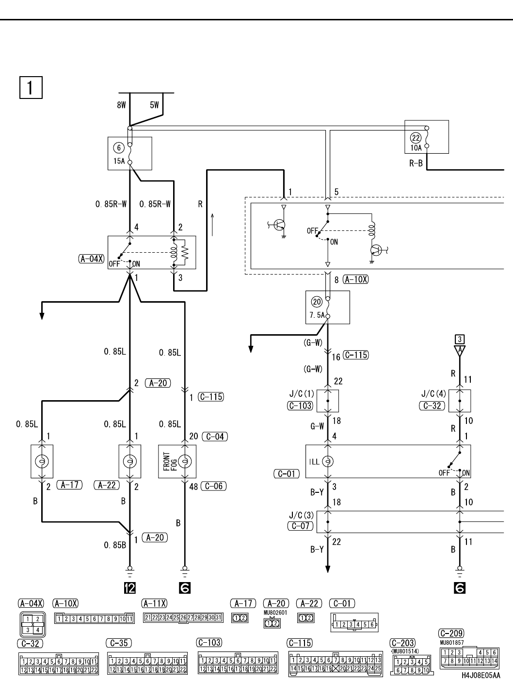
FRONT FOG LAMP <RHD>
CIRCUIT DIAGRAMS
90-120
FRONT FOG LAMP <RHD>
M1901011900157
BATTERY
RELAY
BOX
FRONT FOG
LAMP RELAY
RELAY
BOX
TAIL LAMP
RELAY
( )
ETACS-
ECU
RELAY
BOX
FRONT FOG
LAMP
(LH)
(RH)
COMBINATION
METER
FOG
LAMP
SWITCH
FRONT-
ECU
SPARE
CONNECTOR
FOR FRONT
FOG LAMP
RHEOSTAT
TAIL LAMP,
POSITION LAMP,
LICENCE PLATE
LAMP AND
LIGHTING
MONITOR
BUZZER