Wiring Circuit Diagrams

Table Of Contents
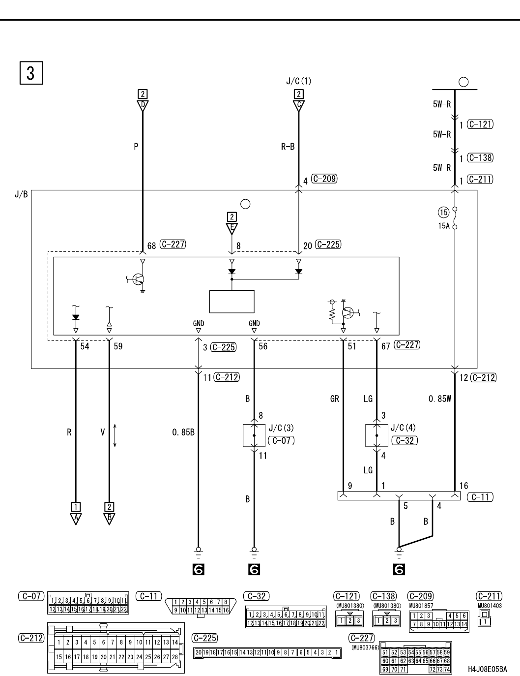
FRONT FOG LAMP <RHD>
CIRCUIT DIAGRAMS
90-122
FRONT FOG LAMP <RHD> (CONTINUED)
FUSIBLE
LINK
1
ETACS-ECU
DIAGNOSIS
CONNECTOR
FRONT SIDE
J/B SIDE
COLUMN
SWITCH
FUSE
2
POWER
SOURCE