Wiring Circuit Diagrams

Table Of Contents
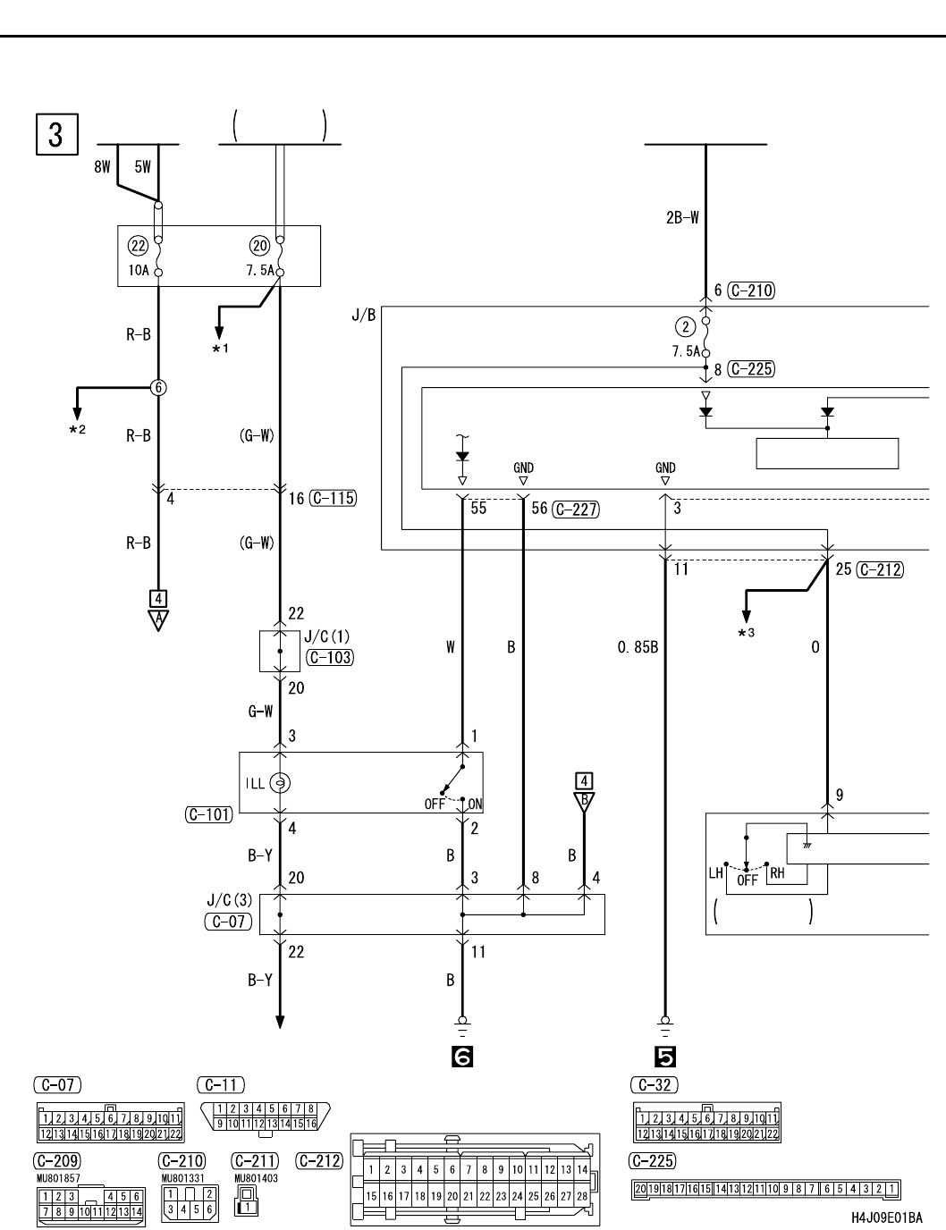
TURN SIGNAL LAMP AND HAZARD LAMP <RHD>
CIRCUIT DIAGRAMS
90-164
TURN SIGNAL LAMP AND HAZARD LAMP <RHD> (CONTINUED)
BATTERY
IGNITION
SWITCH (IG1)
FRONT-ECU
TAIL LAMP
RELAY
RELAY
BOX
HAZARD
WARNING
SWITCH
COLUMN
SWITCH
RHEOSTAT
FRONT
SIDE
POWER SOURCE
TURN-SIGNAL
LAMP SWITCH