Wiring Circuit Diagrams

Table Of Contents
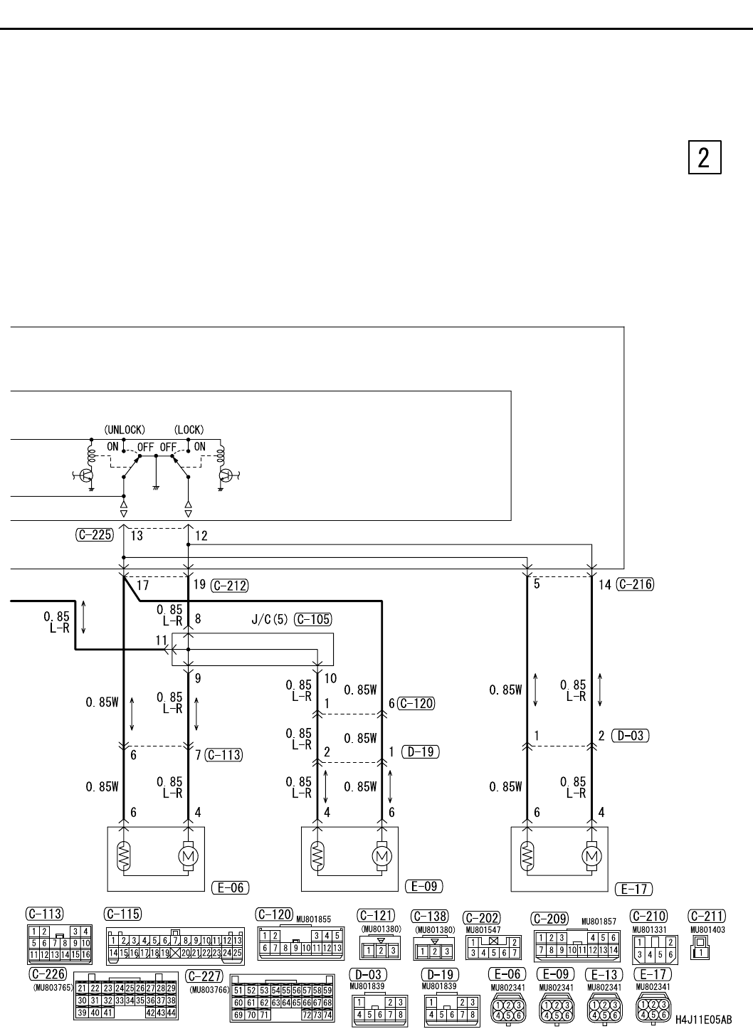
CENTRAL DOOR LOCKING SYSTEM <SEDAN RHD WITH KEYLESS ENTRY>
CIRCUIT DIAGRAMS
90-213
FRONT
DOOR LOCK
ACTUATOR
(LH)
REAR DOOR
LOCK
ACTUATOR
(LH)
ETACS-ECU
REAR DOOR
LOCK
ACTUATOR
(RH)