Wiring Circuit Diagrams

Table Of Contents
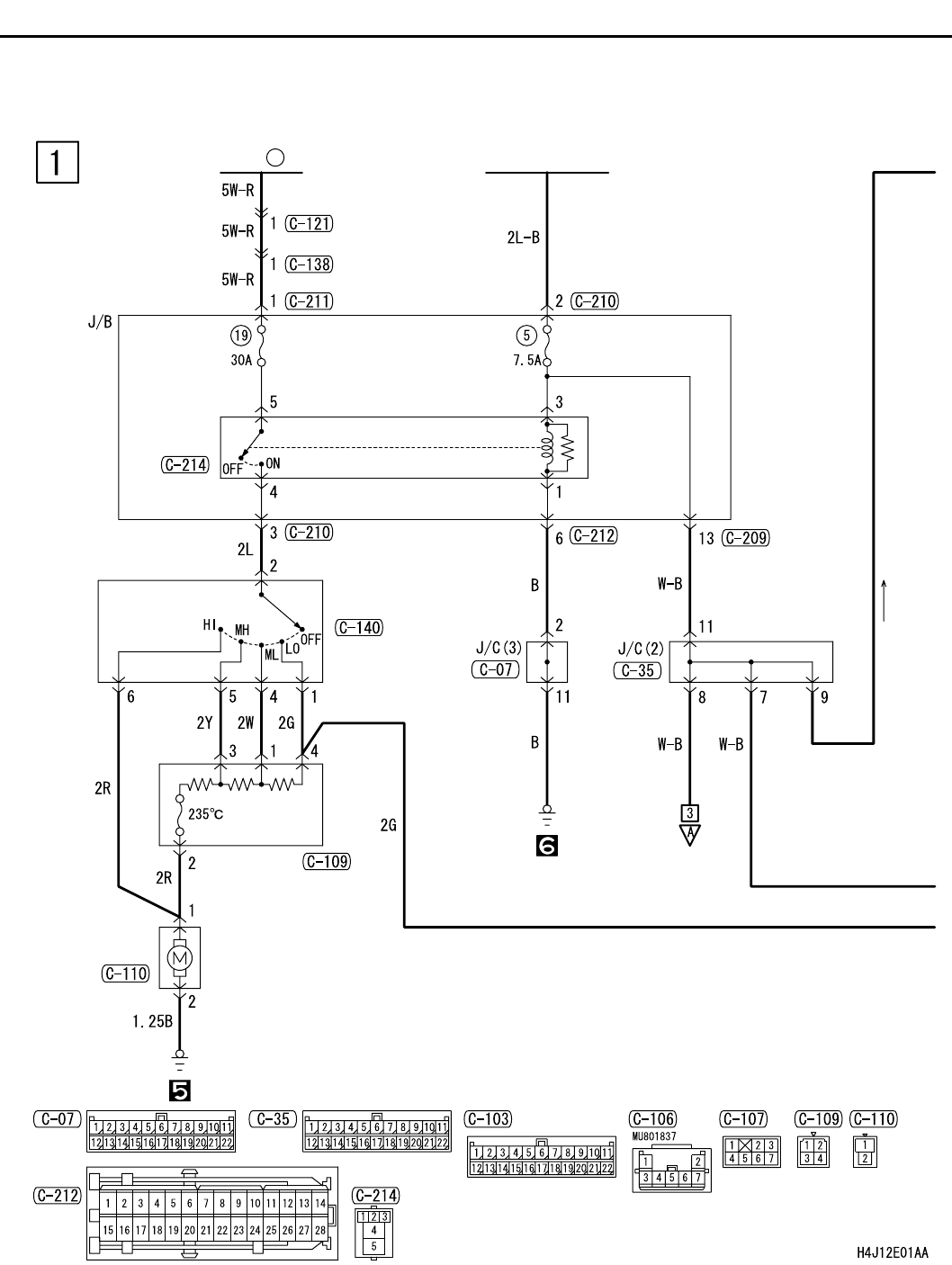
HEATER <RHD>
CIRCUIT DIAGRAMS
90-238
HEATER <RHD>
M1901013300236
IGNITION
SWITCH (IG2)
FUSIBLE
LINK
1
BLOWER
RELAY
BLOWER
SWITCH
RESISTOR
BLOWER
MOTOR