Wiring Circuit Diagrams

Table Of Contents
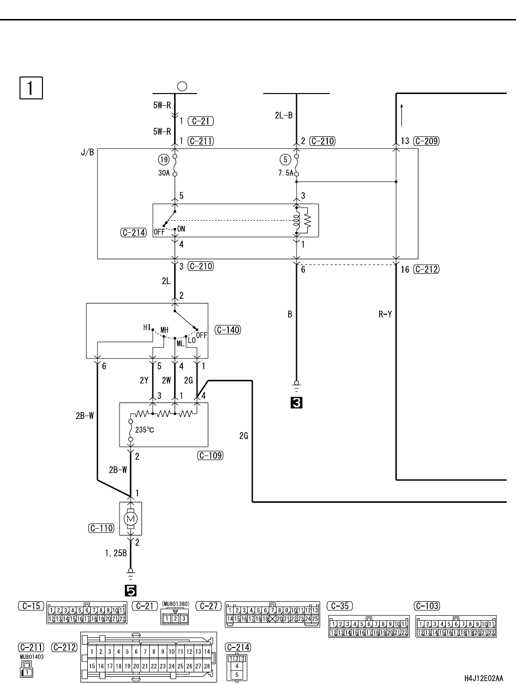
MANUAL AIR CONDITIONER <LHD>
CIRCUIT DIAGRAMS
90-242
MANUAL AIR CONDITIONER <LHD>
M1901005501023
IGNITION
SWITCH (IG2)
FUSIBLE
LINK
1
BLOWER
RELAY
BLOWER
SWITCH
RESISTOR
BLOWER
MOTOR