Wiring Circuit Diagrams

Table Of Contents
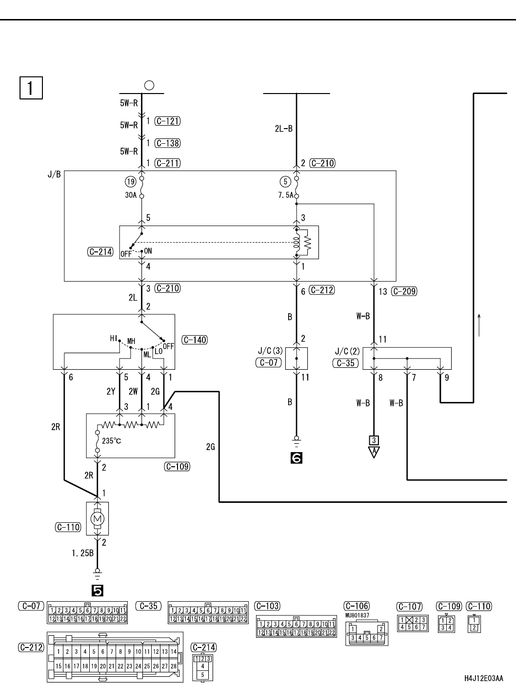
MANUAL AIR CONDITIONER <RHD>
CIRCUIT DIAGRAMS
90-246
MANUAL AIR CONDITIONER <RHD>
M1901005501034
IGNITION
SWITCH (IG2)
FUSIBLE
LINK
1
BLOWER
RELAY
BLOWER
SWITCH
RESISTOR
BLOWER
MOTOR