Wiring Circuit Diagrams

Table Of Contents
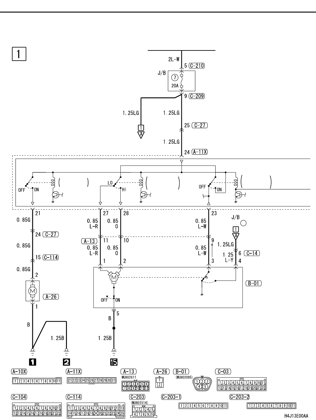
WINDSHIELD WIPER AND WASHER <LHD>
CIRCUIT DIAGRAMS
90-250
WINDSHIELD WIPER AND WASHER <LHD>
M1901006100605
FRONT-ECU
WINDSHIELD
WASHER MOTOR
IGNITION SWITCH (ACC)
(FUSE )
7
CIRCUIT
BREAKER
WINDSHIELD
WIPER MOTOR
WINDSHIELD
WASHER
WIPER SPEED
SWITCHING
RELAY
WIPER
AUTOMATIC
STOP RELAY
UPPER
SIDE
UPPER
SIDE