Wiring Circuit Diagrams

Table Of Contents
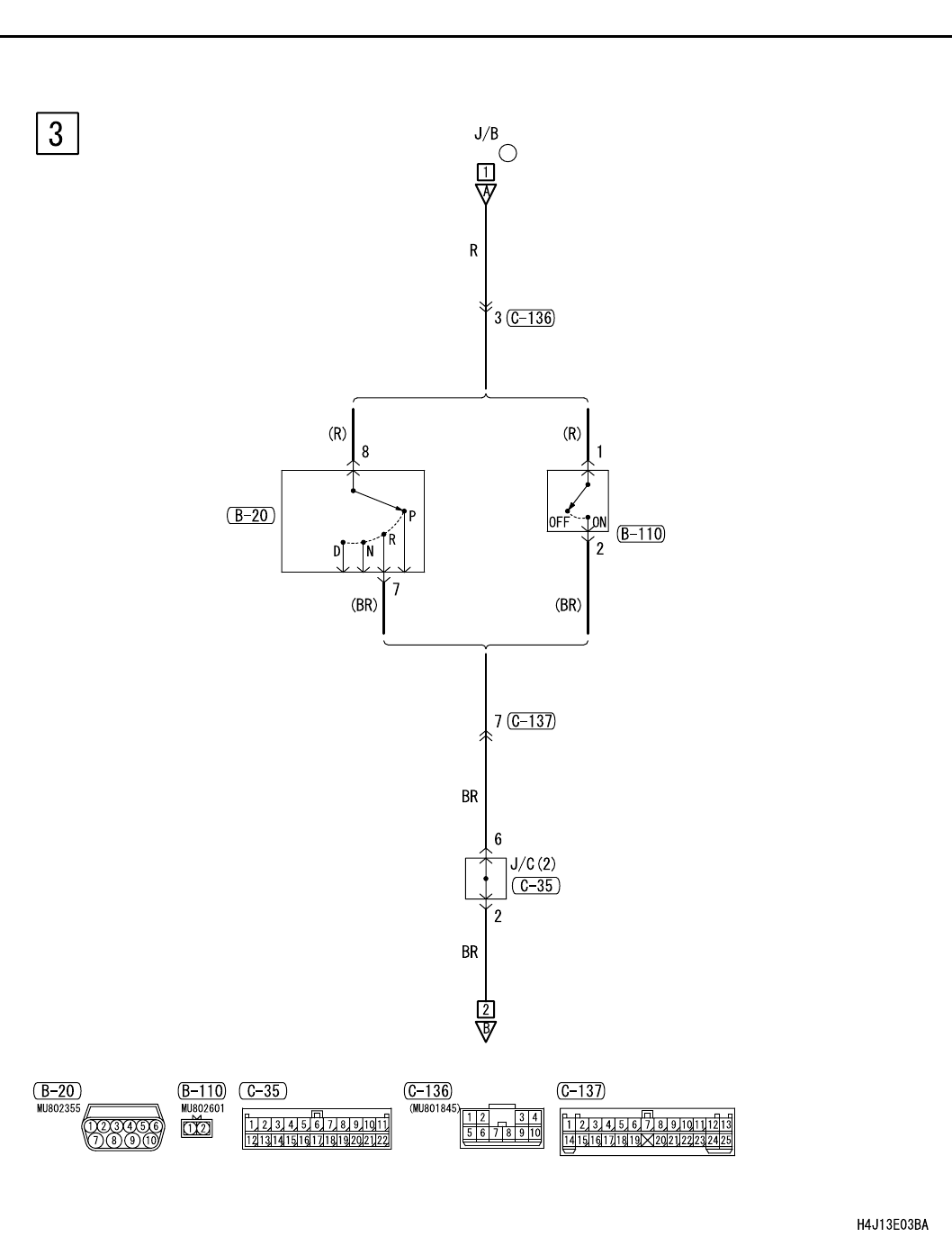
REAR WIPER AND WASHER <RHD>
CIRCUIT DIAGRAMS
90-264
REAR WIPER AND WASHER <RHD> (CONTINUED)
(FUSE )
3
INHIBITOR
SWITCH
BACK-UP
LAMP
SWITCH
Wire colour code
B : Black LG : Light green G : Green L : Blue W : White Y : Yellow SB : Sky blue
BR : Brown O : Orange GR : Gray R : Red P : Pink V : Violet
A/T M/T