Wiring Circuit Diagrams

Table Of Contents
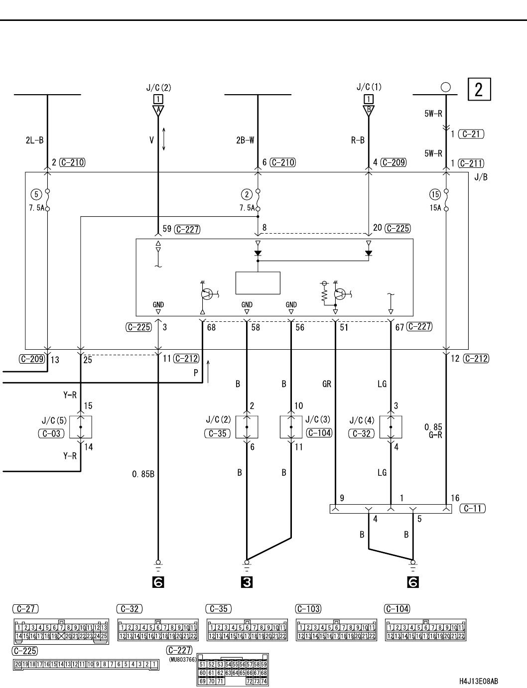
HEADLAMP WASHER
CIRCUIT DIAGRAMS
90-273
IGNITION
SWITCH (IG2)
IGNITION
SWITCH (IG1)
FUSIBLE
LINK
1
DIAGNOSIS
CONNECTOR
POWER
SOURCE
ETACS-
ECU
J/B SIDE
Wire colour code
B : Black LG : Light green G : Green L : Blue
W : White Y : Yellow SB : Sky blue BR : Brown
O : Orange GR : Gray R : Red P : Pink V : Violet