Wiring Circuit Diagrams

Table Of Contents
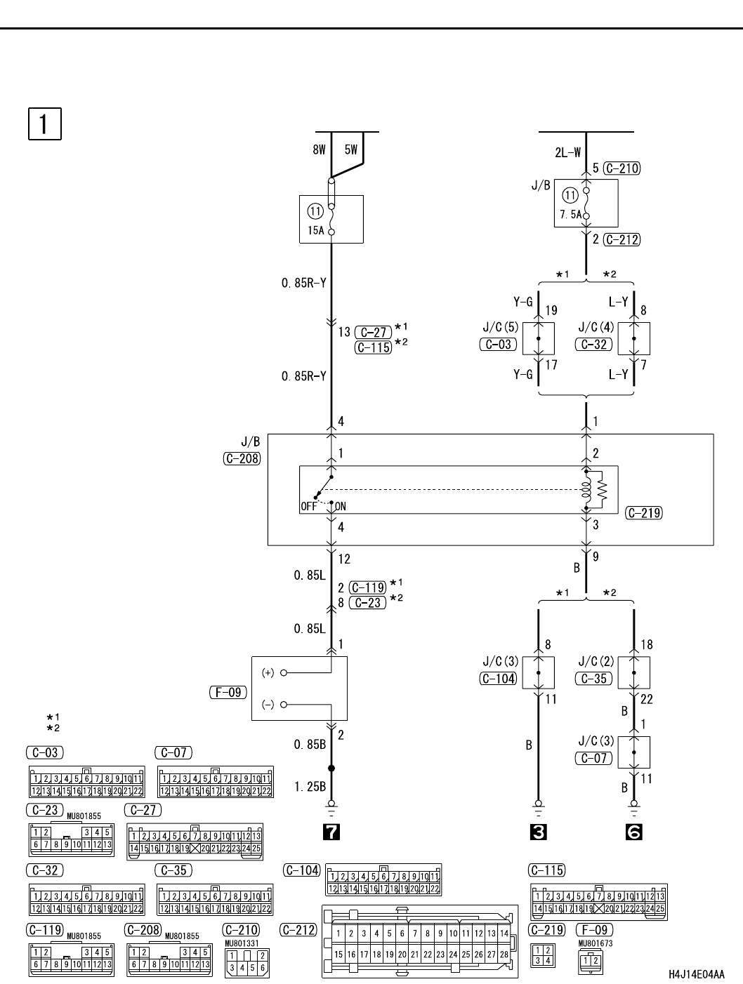
ACCESSORY SOCKET
CIRCUIT DIAGRAMS
90-280
ACCESSORY SOCKET
M1901019100014
BATTERY
IGNITION
SWITCH (ACC)
RELAY
BOX
ACCESSORY
SOCKET
RELAY
ACCESSORY
SOCKET
NOTE
: LHD
: RHD