Wiring Circuit Diagrams
Table Of Contents
- WORKSHOP MANUAL
- CIRCUIT DIAGRAMS
- J/B
- J/C
- J/C
- CENTRALIZED JUNCTION
- POWER DISTRIBUTION SYSTEM
- POWER DISTRIBUTION SYSTEM
- STARTING SYSTEM
- STARTING SYSTEM
- IGNITION SYSTEM <4G1-M/T (LHD)>
- IGNITION SYSTEM <4G1-M/T (RHD)>
- IGNITION SYSTEM <4G1-A/T (LHD)>
- IGNITION SYSTEM <4G1-A/T (RHD)>
- IGNITION SYSTEM <4G6 (LHD)>
- IGNITION SYSTEM <4G6 (RHD)>
- CHARGING SYSTEM
- CHARGING SYSTEM
- ENGINE CONTROL SYSTEM <4G1-M/T (LHD)>
- ENGINE CONTROL SYSTEM <4G1-M/T (RHD)>
- ENGINE CONTROL SYSTEM <4G1-A/T (LHD)>
- ENGINE CONTROL SYSTEM <4G1-A/T (RHD)>
- ENGINE CONTROL SYSTEM <4G6 (LHD)>
- ENGINE CONTROL SYSTEM <4G6 (RHD)>
- COOLING SYSTEM
- COOLING SYSTEM
- INVECS-II 4A/T
- INVECS-II 4A/T
- HEADLAMP
- HEADLAMP
- TAIL LAMP, POSITION LAMP, LICENCE PLATE LAMP AND LIGHTING MONITOR BUZZER
- TAIL LAMP, POSITION LAMP, LICENCE PLATE LAMP AND LIGHTING MONITOR BUZZER
- FRONT FOG LAMP
- FRONT FOG LAMP
- ROOM LAMP AND LUGGAGE COMPARTMENT LAMP
- ROOM LAMP AND LUGGAGE COMPARTMENT LAMP
- ROOM LAMP,PERSONAL LAMP AND LUGGAGE ROOM LAMP
- ROOM LAMP,PERSONAL LAMP AND LUGGAGE ROOM LAMP
- REAR FOG LAMP
- REAR FOG LAMP
- HEADLAMP LEVELING SYSTEM
- HEADLAMP LEVELING SYSTEM
- TURN SIGNAL LAMP AND HAZARD LAMP
- TURN SIGNAL LAMP AND HAZARD LAMP
- BACKUP LAMP
- BACKUP LAMP
- STOP LAMP
- STOP LAMP
- STOP LAMP
- STOP LAMP
- HORN
- METER AND GAUGE
- METER AND GAUGE
- FUEL WARNING LAMP, OIL PRESSURE WARNING LAMP, BRAKE WARNING LAMP
- FUEL WARNING LAMP, OIL PRESSURE WARNING LAMP, BRAKE WARNING LAMP
- POWER WINDOWS
- POWER WINDOWS
- CENTRAL DOOR LOCKING SYSTEM
- CENTRAL DOOR LOCKING SYSTEM
- CENTRAL DOOR LOCKING SYSTEM
- CENTRAL DOOR LOCKING SYSTEM
- CENTRAL DOOR LOCKING SYSTEM
- CENTRAL DOOR LOCKING SYSTEM
- HEATER
- HEATER
- MANUAL AIR CONDITIONER
- MANUAL AIR CONDITIONER
- WINDSHIELD WIPER AND WASHER
- WINDSHIELD WIPER AND WASHER
- REAR WIPER AND WASHER
- REAR WIPER AND WASHER
- REAR WINDOW DEFOGGER AND DOOR MIRROR HEATER
- REAR WINDOW DEFOGGER AND DOOR MIRROR HEATER
- REMOTE CONTROLLED MIRROR
- REMOTE CONTROLLED MIRROR
- HEADLAMP WASHER
- SPARE CONNECTOR (FOR AUDIO)
- SPARE CONNECTOR (FOR AUDIO)
- CLOCK
- CIGARETTE LIGHTER AND ASHTRAY ILLUMINATION LAMP
- ACCESSORY SOCKET
- SPARE CONNECTOR (FOR FORNT FOG LAMP)
- IMMOBILIZER SYSTEM
- IMMOBILIZER SYSTEM
- ABS
- ABS
- HEATED SEAT
- RHEOSTAT
- RHEOSTAT
- SUPPLEMENTAL RESTRAINT SYSTEM (SRS)
- SUPPLEMENTAL RESTRAINT SYSTEM (SRS)
- CIRCUIT DIAGRAMS

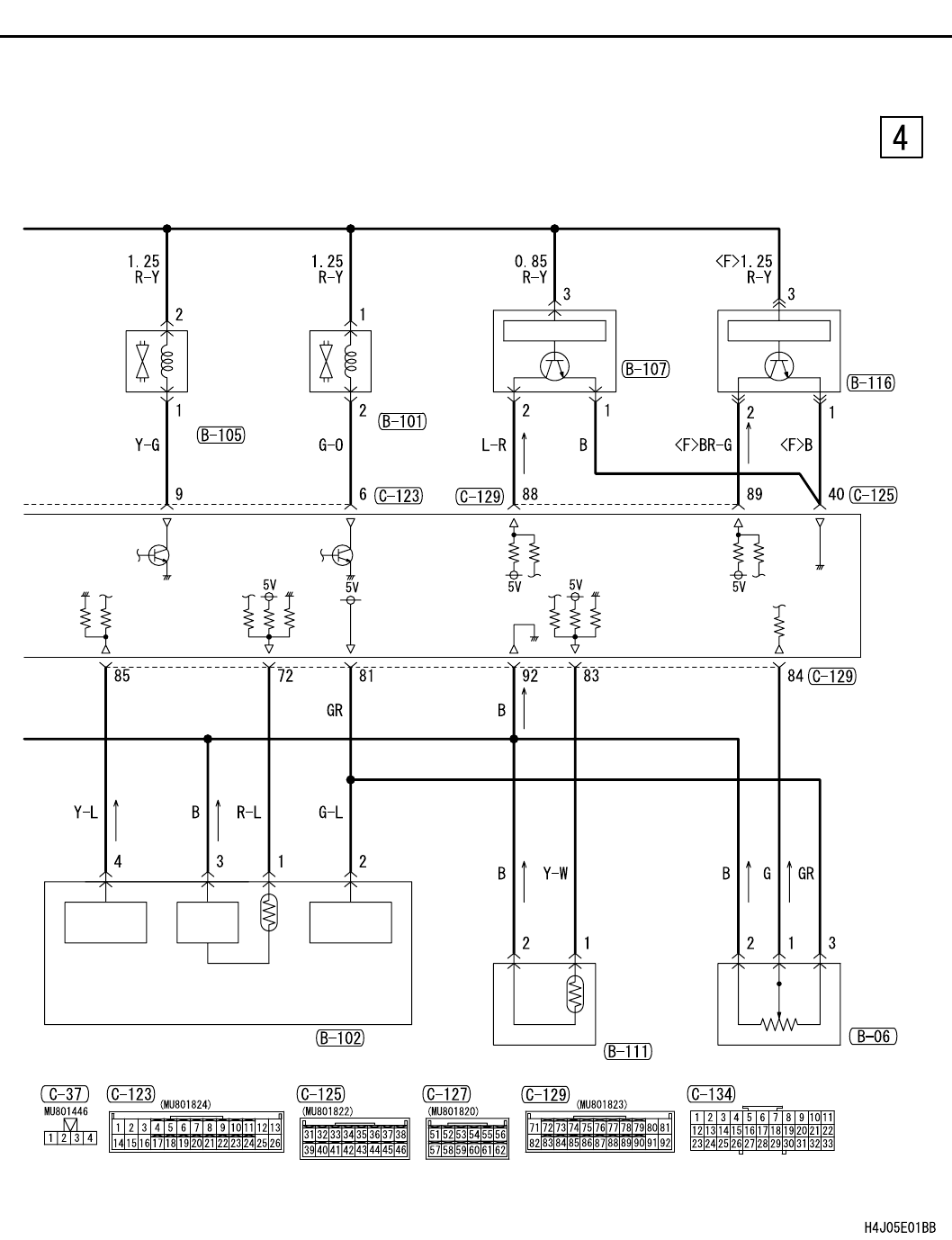
ENGINE CONTROL SYSTEM <4G1-M/T (RHD)>
CIRCUIT DIAGRAMS
90-55
CAMSHAFT
POSITION
SENSOR
OUTPUT
GND
POWER
SOURCE
INTAKE AIR
TEMPERATURE
SENSOR
Wire colour code
B : Black LG : Light green G : Green L : Blue W : White Y : Yellow SB : Sky blue
BR : Brown O : Orange GR : Gray R : Red P : Pink V : Violet
EMISSION
SOLENOID
VALVE
(PURGE
CONTROL
SYSTEM)
EMISSION
SOLENOID
VALVE
(EGR
SYSTEM)
ENGINE
CRANK
ANGLE
SENSOR
INLET MANIFOLD
ABSOLUTE PRESSURE SENSOR
WATER
TEMPERA-
TURE
SENSOR
UNIT
THROTTLE
BODY
THROTTLE
SENSOR