Wiring Circuit Diagrams

Table Of Contents
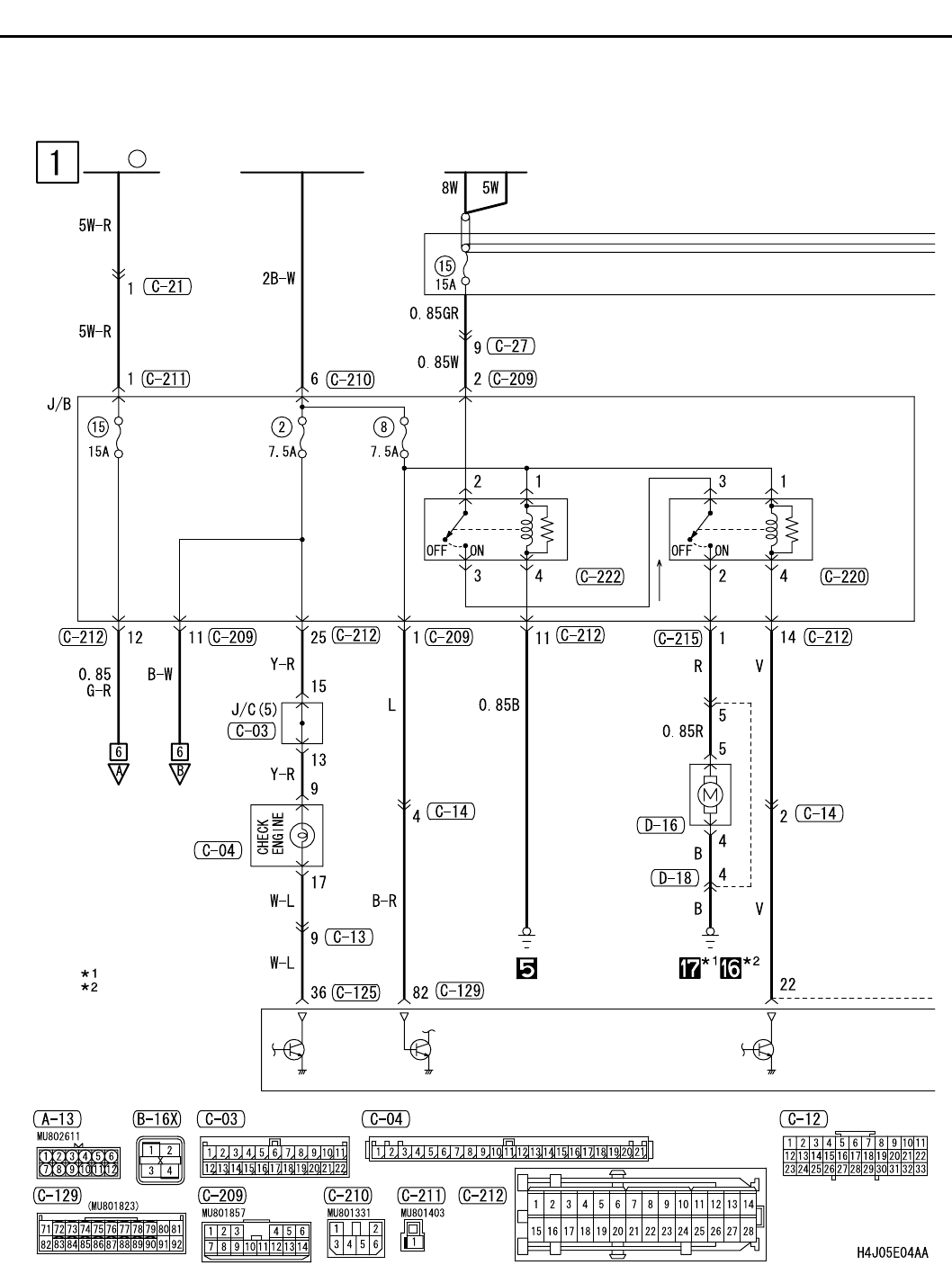
ENGINE CONTROL SYSTEM <4G6 (LHD)>
CIRCUIT DIAGRAMS
90-70
ENGINE CONTROL SYSTEM <4G6 (LHD)>
M1901000801461
IGNITION
SWITCH (IG1)
ENGINE-
ECU
FUEL
PUMP
RELAY
(1)
FUEL
PUMP
RELAY
(2)
COMBINATION
METER
BATTERY
FUSIBLE
LINK
1
RELAY
BOX
FUEL
TA N K
PUMP
NOTE
: SEDAN
: WAGON